Resolved! NUCLEO-C5A3ZG STM32C5 QSPI Display Bring up Project
This project tests the STM32C5's XSPI capability to drive QSPI display using the NUCLEO-C5A3ZG M.2/SerialMem connector. GitHub - stm32-hotspot/STM32C5-M2-Serial-Mem-QSPI-Display · GitHub
Ask questions and find answers on STM32 hardware set-ups, including schematic-related challenges, debugging probes, power configurations, and more.
This project tests the STM32C5's XSPI capability to drive QSPI display using the NUCLEO-C5A3ZG M.2/SerialMem connector. GitHub - stm32-hotspot/STM32C5-M2-Serial-Mem-QSPI-Display · GitHub
Hi, I cannot manage to receive the bytes on UART protocol on an STM32U0 when using the STLINK-V3MINIE.The RX works properly (I can send data to the PC), so the pins are not swapped. The Vref of STLINK is 3V3, and the STLINK measures it correctly. Mor...
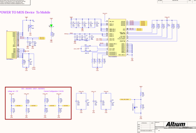
Is there a standard list of SB's? I cannot for the life of me figure out the SB's on the STM32F723E-DISCO, and none of the manuals mention anything about them other than if open is on or off. I am specifically trying to use the debugger for my custom...
Hello ST team,we are trying to evaluate the simple GPIO pinouts on STM32N6 Nucelo & in our custom board,we noticed that Port P & O pinouts are not functioning as expected. we just configured as simple GPIO output and tested the pin state always low. ...
I'm debugging an STM32N647 on a custom board and running into a strange issue: the target silently drops the debug connection every time a breakpoint is hit or a single-step lands inside HAL_Delay(). Environment - MCU: STM32N647X0HXQ (Cortex-M55) - D...
Moved from MPUs forum.Hello,I have made a custom PCB with a STM32F756 and I'm trying to program this MPU through STlink. My main workstation runs Linux and I use stlink tools.To flash this MPU, I have connected ST-Linkv2 to my PCB (NRST, SWCLK, SWDIO...
Hi all,Hardware: Custom PCB, STM32H563ZGT6, USB powered.It was working fine but now gives me :Error: Cannot connect to access port 1!If you are trying to connect to a device with TrustZone enabled please try to connect with HotPlug mode. If you are t...
Hi everyone. I have a problem with my U5A5ZJ-Q core board. The mounted microcontroller is STM32U5A5ZJT6QU. The project is to drive a QUECTEL em05 LTE modem. I need to configure the USB port exposed by PA11 and PA12 in Host mode. I am using the standa...
Hi everyone, I'm facing issues connecting an external debugger to the NUCLEO-H7S3L8 board (STM32H7S3L8). Current Setup: Board powered via CN5 (ST-LINK USB)JP1 closed (to disable on-board ST-LINK)External debugger connected to CN1 (MIPI20 connector)SW...
ST moderator: updated the title to be more concise according to the below exchanges. Hello All, I am facing a problem for debugging one of the board which uses stm32h7 controller. I am not sure why this is happening but on other board I am able to ...
Dear STMicroelectronics Community / Support Team,I hope you are doing well.I am currently working with the STM32N6 Discovery Kit and noticed that it uses an external Octal NOR flash device with the part number MX66UW1G45G. However, I have been unable...