IAR Workbench For ARM licensing for solo developers: how to buy?
Hello,Is it possible to purchase an the IAR Workbench For ARM for an individual or does the the IAR Systems only cooperate with legal entities?
Discuss hardware and software design challenges, including NOR flash storage, OTA updates, component ID, and thermal management.
Hello,Is it possible to purchase an the IAR Workbench For ARM for an individual or does the the IAR Systems only cooperate with legal entities?
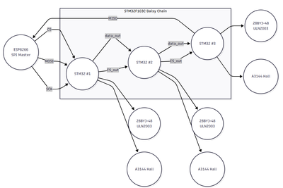
Hello everyone,I’m working on diagnosing and rewiring the control system for an Ingrem Veyron J20 gaming chair. The chair uses a servo module with an RJ45 connection to the handheld remote, and I’ve been tracing signals back to the main board (marke...
Since I use Linux and am accustomed to Python scripts, I decided to create a script that generates file systems with all the contents of a directory.I was inspired by the work of Jim Pettinato and Simon Goldschmidt, with no difference in the result,...
I have an Queary ,How to design Firmware Of Bridge less Pfc Circuit ?For Below Specifiction input Voltage is varrible(Comes In AC) input current is constant (2.8 amps and 6.6amps )output voltage is constant 24vDCoutput Current Is 1.5AmpsNote : Input ...
Dear technical teamI'm designing a triamped system with the STA540 , in fact it uses two STA540's per unit. I've divided the system in one STA amplifying stereo treble and mid, and other STA for bass amplifier, but given that bass channel is not ste...
Hello ST Team,We are using the STEVAL-MKI109V3 as the motherboard and STEVAL-MKI208V1K (IIS3DWB vibration sensor) as the daughter board.We currently communicate using the USB virtual COM port at 115200 baud and send ASCII commands such as:*SETDB208V1...
We repair Fire Alarm Panels, and I have a known good chip PSD813F1A that I can read and save the data but when I program the blank device it will program but then gives me a verify error and it doesn't function in the panel. I'm using the Logical dev...
Hello everyone, My name is Aleksandar, and this is my first time posting here.I’m trying to simulate the operation of the TL494 controller in a full-bridge (H-bridge) configuration using an STM32F103 (Blue Pill) and STM32CubeIDE with the HAL library....
I have a project of making a point -2-point communication using lorawan protocol with the chip called AI-thinker Ra-09h that have an STM32WLE5 MCU . The problem is i dont have any knowledge in this field and i dont know how to deal with this module
I have a STEVAL-MKBOXPROm and I flashed "STM32CubeFunctionPack_DATALOG2_V3.1.0" (DATALOG2_Release.bin) to it. In the ST BLE App, I can start and stop an acquisition, edit which sensors are logged, and edit the fillenames. However, the acquistion_inf...