Resolved! NUCLEO-C5A3ZG STM32C5 QSPI Display Bring up Project
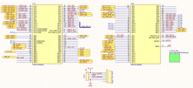
This project tests the STM32C5's XSPI capability to drive QSPI display using the NUCLEO-C5A3ZG M.2/SerialMem connector. GitHub - stm32-hotspot/STM32C5-M2-Serial-Mem-QSPI-Display · GitHub
Ask questions and find answers on STM32 hardware set-ups, including schematic-related challenges, debugging probes, power configurations, and more.
This project tests the STM32C5's XSPI capability to drive QSPI display using the NUCLEO-C5A3ZG M.2/SerialMem connector. GitHub - stm32-hotspot/STM32C5-M2-Serial-Mem-QSPI-Display · GitHub
In UM2179 Rev 9 it says:"5.4.4 Using ST-LINK/V2-1 to program and debug an external STM32 application...Note:JP4 NRST (target STM32 RESET) must be open when CN3 pin 5 is used in an external application."This is CN3: I think that should be CN5.
I am running Kiel uVision under the free LO licence and I can program the board and read it back in ST-Link V2 so i know I have connections to the device, however whenever I try and connect to the device to debug I get an error "Cannot access target....
I purchased a new ST-LINK V2 ISOL debugger but whenever i connect it to my custom STSPIN32F0 board using SWD protocol (VCC, SDA,SCLK, GND), its showing no STM32 target found and error showing target voltage is too low but 3.3 V showing on the VCC pin...
Hello,I need to keep alive an RTC when the system is rebooted and I see there is VBAT pin in the MCU->Nucleo board which I understand is made for it. What I don't understand however is if in the Nucleo I should take out the 0Ohm resistor on SB52 or ...
We would like to integrate the following discovery board into a prototype.Could you please provide a 3D model of the STM32F469-DISCO board in .obj, .wrl or eventually .step format?
I have two custom boards with STM32G0B1 Chips. I am using an ST-Link V3 (V3J10M3 on Stm32CubeProgrammer - SWD default settings)to flash them.On the first board, I could connect, but on flashing it for the first time, it reported failed to erase memor...
Please help to provide soldering reflow profile of STM32G031K8U6. Thanks !
hello everyone I am new to this stm32 series i purchased the stm32g0b0ret6 controller and now i am using stlink version v2j40s0 but i am getting the error no target device found can anybody guide me for that
Hello,I am using STM32L412 Microcontroller in my current project.As shown in the attached image in the Application Note "AN4555" for STM32L412,For additional Precautions, VDD should be connected through Ferrite Bead at the VDDA pin.So, my question i...