Resolved! NUCLEO-C5A3ZG STM32C5 QSPI Display Bring up Project
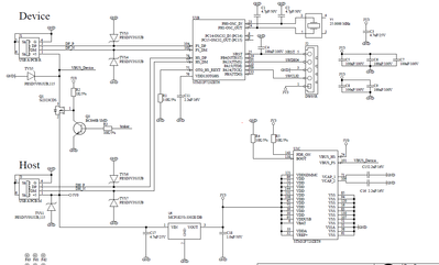
This project tests the STM32C5's XSPI capability to drive QSPI display using the NUCLEO-C5A3ZG M.2/SerialMem connector. GitHub - stm32-hotspot/STM32C5-M2-Serial-Mem-QSPI-Display · GitHub
Ask questions and find answers on STM32 hardware set-ups, including schematic-related challenges, debugging probes, power configurations, and more.
This project tests the STM32C5's XSPI capability to drive QSPI display using the NUCLEO-C5A3ZG M.2/SerialMem connector. GitHub - stm32-hotspot/STM32C5-M2-Serial-Mem-QSPI-Display · GitHub
As per datasheet of stm32u5 series during the Stop 1 mode DMA and peripherals are accessible. When tried to access the GPIO read. Controller during debug mode reading the GPIO, but in the run mode the GPIO is not getting read. How to read GPIO pin in...
AREA mycode, CODEEXPORT __mainmyclock EQU 0x40023830myDmode EQU 0x40020000myDout EQU 0x40020014myPU_PD EQU 0x4002080CmyPC13I EQU 0x40020810ENTRY__main PROCNOP;------------------------------Port C Clock EnableLDR R1,=myclockLDR...
Hello Team,We are planning to use the MCU STM32L496QGI6 for one of our products.The HSE we are using is ECS-480-10-37B2-RWN-TR (48MHz crystal) and the value of the load capacitor is 20pF.The board works well with HSI, but when we switched to HSE, eve...
I am trying to set the SECURITY bit on a STM32H7B3ZITX using STM32CubeProgrammer (v2.10.0). But it fails, see attached screenshot. I also tried setting the bit using the firmware. This does not produce any errors, but the bit is still not set. Follow...
I am using the STM32F407IGT6 chip. However, when I connected JTAG, the symptoms shown in the picture appear. So I have completed the VDD or continuity test. Can you tell me the circuit diagram and the reason?
Hello,There are 3 lines of hardware development tools (quite a lot of products):Nucleo boardsSTM32 discovery kitsSTM32 eval boardsFor prototyping of my HW concept I want to use one of ST boards (essentially uC) to control my custom stuff.The ST board...
Dear CommunityI recently acquired a STWIN.box development kit and proceeded step by step according to the document "Quick Start Guide High-Speed Sensor Datalogger application for STEVAL-STWINKT1 (HSDatalog)" but I can't get the CLI examples to work (...
HiI am trying to get the blue pill detected on Ubuntu desktop , its now detected as LED Display board . Background I have flashed the blue pill on windows 64 but and trying to use the Bluepill on Ubuntu through wine , this board will act as the Softw...
Hi all,My first post to ST forums.I'm trying to choose a Nucleo board, and the normal selector table doesn't show any MCU properties.I've had to download MCU and nucleo product selections as spread sheets and manually copy and paste.This is really fr...
Hi Guys,- I am using an STLINK-V3MINIE with the latest firmware as shipped with STM32CubeIDE v1.13.1.- I am using MacOS 11.7.9 (Big Sur).- I can successfully program my target using this STLINK-V3MINIE with STM23CubeProgrammer, but never with the IDE...