Resolved! Where is pin 1?
is it true that is the first pin am trying to read it data using stm32h750vbt board but i get 0 think may be i mismatch the pin
Discuss hardware and software design challenges, including NOR flash storage, OTA updates, component ID, and thermal management.
is it true that is the first pin am trying to read it data using stm32h750vbt board but i get 0 think may be i mismatch the pin
Hi I am trying to communicate via ethernet on STm32f407 board with phy LAN8720. I have used TCP protocol and I have used Hercules for sending and reciving frame. But I want to acheive the operation sung HAL_ETH_Transmit (I want to send raw ethernet f...
When configuring UART on the board, according to https://wiki.st.com/stm32mcu/wiki/Getting_started_with_UART the program can be flashed once. When trying to flash again the system reports:Target no device foundError in initializing ST-LINK device.Rea...
HI!I recently purchased some ST products, attempting to program and debug.I initially purchased a STM32 Blue Pill (STM32f103) along with a Mini St-Link V2 (Clone). Then I purchased an STM32F3VE board.I was able to program both boards using ST-LINKV2 ...
Hi, I have to update my code in stm32f4 controller using esp8266. Is it possible to update the used code through online(OTA) can anyone provide me the information to how to do it. I have no idea about it while searching in web i could find that using...
Please find attached the block diagram for the implemented circuit. I am working with a 4x5 LED array that requires error detection. The first three rows of the array are controlled by OUT0, OUT1, and OUT2 of the first STP16DP05 IC, while the remaini...
Good morning everyone,We bought a STM32F103C8T6 Evaluation Board ADS1256 (https://www.amazon.it/Lodokdre-STM32F103C8T6-acquisition-Industrial-Control/dp/B0C582B33D), after writing the firmware I am trying to debug it with the ST-LINK V2 programmer (h...
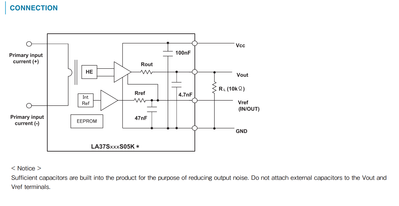
Hello, I am trying to build a power supply to power a vehicle tracker. Can I use two RBO40 in series, so the output of first RBO40 connected to input of second RBO40? Reason, when a thief steals a vehicle they want to stop the tracker working and s...
I am writing to inquire about the thermal resistance of the L6201PS. The datasheet provides information on the thermal resistance for an aluminum PCB, but I need to know the thermal resistance when using a glass epoxy (FR4) PCB.Could you please provi...
Hi Folks:I have this Riverdi board (RVT50HQSNWC00) with a STM32U5A9NJH6Q MCU.I want to programming data transmission according to the image attached Im intent to use SPI but if any better option let me knowthanks in advance