cancel
Showing results for 
Search instead for 
Did you mean: 

D2 domain clocks are not ready

XXien.1
Associate

Hello,

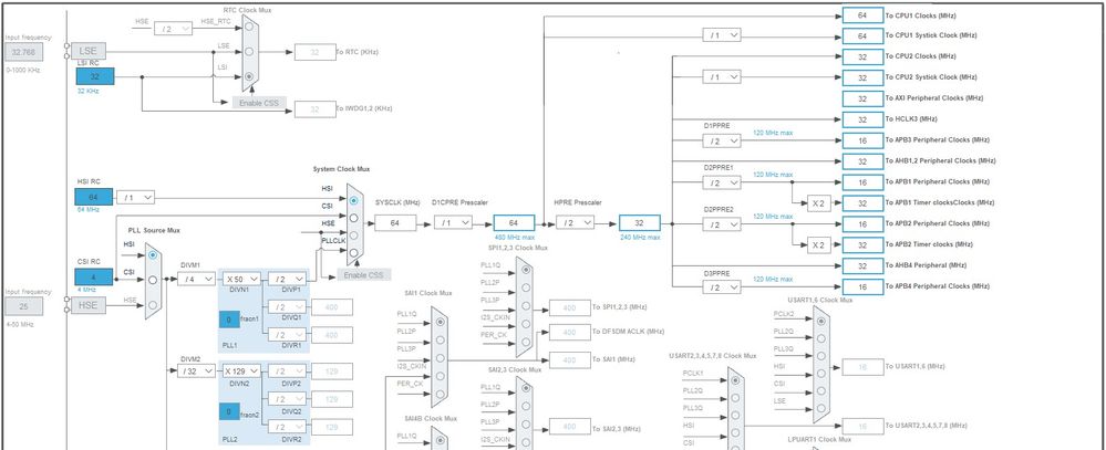
I've got a STM32H745BI on custom board and I cannot get it working. The program always jumps to the error handler at

while((__HAL_RCC_GET_FLAG(RCC_FLAG_D2CKRDY) != RESET) && (timeout-- > 0));
 if ( timeout < 0 )
 {
     Error_Handler();
 }

I've found in the reference manual that D2CKRDY is D2 domain clocks ready flag, so it's probably some sort of clock issue. I'm using the internal oscillator. What could be wrong? Thanks :)

0693W000008zBggQAE.jpg0693W000008zBglQAE.jpg

This discussion is locked. Please start a new topic to ask your question.
1 ACCEPTED SOLUTION

Accepted Solutions
XXien.1
Associate

I've figured it out! The problem was that it is dual code MCU but I have never programmed the second M4 core. So the M7 was waiting for the M4 to initialize, but it never did...

If you have the same problem, the solution si really simple: Just upload empty (default) program to the M4 CPU.

View solution in original post

1 REPLY 1
XXien.1
Associate

I've figured it out! The problem was that it is dual code MCU but I have never programmed the second M4 core. So the M7 was waiting for the M4 to initialize, but it never did...

If you have the same problem, the solution si really simple: Just upload empty (default) program to the M4 CPU.