cancel
Showing results for 
Search instead for 
Did you mean: 

Can stm32f7 generate interrupt with period ns ?

nguen nguyen
Associate II

example generate pulse period 2ns

This discussion is locked. Please start a new topic to ask your question.
6 REPLIES 6
AvaTar
Lead

No.

And even if it could generate interrupts at that rate, it couldn't process it.

In most cases it's not really necessary to have nanosecond (or even microsecond) interrupts. STM32 has robust timers and other periphery which can do many tasks without your manual I/O pin-switching from an interrupt.

But even for the 216MHz clocks of STM32F7 timer 2ns is too much. 216MHz will give you ~4.63ns if my calculations are precise. There is also the GPIO speed limit to take into account, for STM32F7 it's 180MHz (I/O compensation cell should be enabled).

S.Ma
Principal

Use HW peripheral to time detress and consider power consumption aspect.

AvaTar
Lead

2 ns correspond to 500 MHz. And a Cortex M interrupt usually take 12 clock cycles for entry and exit each.

nguen nguyen
Associate II

thank you very much

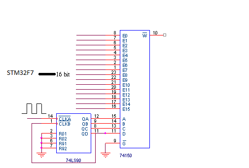
I think this HW peripheral maybe can do it STM32 send 16 bit to mux (16-1) 0690X000006DDziQAG.png