cancel
Showing results for 
Search instead for 
Did you mean: 

Issue downloading the code on STM32H743 over JTAG interface

bsn_14
Associate II

Hello Guys,
    We've our own board with STM32H743BIT6 mcu Integrated. We've tried to dump the code by using the external ST-LINK V3 Debugger with JTAG Interface. It works fine for first 3 - 4 times. But then after reaching the board for the 5th time we're getting the Err message as "Error: ST-link error (DEV_TARGET_HELD_UNDER_RESET)".
Tried Methods:
1. We've Pressed the reset button for 2-3 seconds after giving the connection request.
2. We had set the Mode as Under Reset and Hot Plug mode
3. We've tried with STM32CubeIde also, still not working.

Note:
JTAG NRST pin in ST-LINK V3 Debugger is held at Logic Low, without connection to the target. Is this ok?

Suggest us some Solutions to overcome this state!
If anyone has the ST-LINK V3 Schematics send us.

6 REPLIES 6
Andrew Neil
Super User

What tools are you using for programming - STM32CubeProgrammer? other?

 


@bsn_14 wrote:

 our own board with STM32H743BIT6 mcu Integrated. .


Please post the schematics

https://community.st.com/t5/community-guidelines/how-to-write-your-question-to-maximize-your-chances-to-find-a/ta-p/575228

A complex system that works is invariably found to have evolved from a simple system that worked.
A complex system designed from scratch never works and cannot be patched up to make it work.
bsn_14
Associate II

For Programming STM32CubeIDE we're using. For downloading the program to the Board we're using STM32CubeProgrammer. We're using JTAG Connection.`

Schematics: Our NRST Schematic is attached Below.

aefb9350-5453-4155-bfa5-2d78c97089b0.jpg

 

Hello,

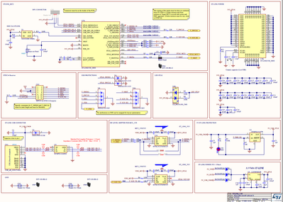
We invite you to check first your HW. You can refer for example to STM32H743I-EVAL schematics / Power, debug & clock part:

SofLit_0-1732790376745.png

TRST is connected to pin 3 and NRESET is connected to pin 15 of the JTAG connector. 

 

To give better visibility on the answered topics, please click on "Accept as Solution" on the reply which solved your issue or answered your question.

We are using 14 pin JTAG and not 20 pin JTAG. Can we get schematics for ST-Link V3 MB1441B board?

mƎALLEm
ST Employee

Seeing this link https://www.st.com/en/development-tools/stlink-v3set.html#cad-resources

There is no schematics for ST-Link V3 MB1441B available which means it's not something will be shared. But you can inspire from STLINK-V3 schematics embedded on one of the NUCLEOs.

Example: https://www.st.com/resource/en/schematic_pack/mb1364-h753zi-c01_schematic.pdf

SofLit_0-1732794446738.png

 

To give better visibility on the answered topics, please click on "Accept as Solution" on the reply which solved your issue or answered your question.

This is not helping to resolve our problem. So, can we atleast know whether the JTAG_NRST (JNRST) output coming from STLINK-V3 is in which configuration i.e., whether in open drain or push pull?