cancel
Showing results for 
Search instead for 
Did you mean: 

[Solved] Hi, I'm working with STM32F103C8T6. When I try to debug, it appers the window "No ST-LinkDetected! Please connect ST-Link and restart the debug session". I tried to modify debug configuration, but I can't debug my project. Can you help me?

SSpad.1
Associate II
This discussion is locked. Please start a new topic to ask your question.
15 REPLIES 15

Thank you for your advice.

The software doesn't recognize the device, the connection is possible only in OTA mode, and I can't update the firmware.

I have a question: when I use STM32CubeProgrammer, to program the device I need another programmer, or it's enough to connect the device to USB port?

Hello

From AN2606 boot loader can be called only from USART1 for F103C8

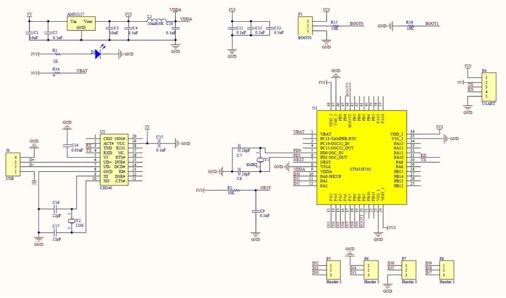
The USB of the module is connected to a USB to Serial chip (eg ch340) The serial side (TX RX ) is connected to MCU (PA10 and PA9 pins)

Normaly the device can be programmed (BOOT0 set to 3.3v and reset {POR or by NRST})

When connect to STM32CubeProggramer via usart mode , Check the option bytes if read protected etc. Uncheck theese otions or mass erase chip before you try to program. (PM0075 par 2.4.1 )

Use the COM port the device creates and use STM32 Cube Programmer in UART mode​.

The BOOT0 jumper needs to be high to run the ROM based system loader.​

Does the board come with a schematic or instructions? Please link to those or attach.​

Tips, Buy me a coffee, or three.. PayPal Venmo
Up vote any posts that you find helpful, it shows what's working..

NOYITO USB 10-Channel 12-Bit AD Data Acquisition Module STM32 UART Communication USB to Serial Chip CH340 ADC Module

0693W000006F2eqQAC.jpgThe viewer was annoying, so grabbed and attached at best resolution I could.

Tips, Buy me a coffee, or three.. PayPal Venmo
Up vote any posts that you find helpful, it shows what's working..
SSpad.1
Associate II

Hello, I managed to solve my problem.

I've used a USB to Serial chip connected to MCU, BOOT0 connected to 3V3, and STM32CubeProgrammer in the UART mode; I've downloaded the .bin file of my project and I've programmed my device. Now it works correctly.

If there's a mistake in this solution, please tell me.

Thank you very much for helping me.