cancel
Showing results for 
Search instead for 
Did you mean: 

Can't get TIMER to perfect count and Toogle Pin

TMaia.1
Associate II

Ok, so I decided to change from Arduino IDE (STM32F103) to STM32CubeIDE (STM32F334R8).

I can't get perfect timing.

My program just have to toogle my pin after x us (that is presented inside a vector)

Just to illustrate, here is my arduino code (I only get 1us of error):

// Function called when overflow count is detected
void Update_IT_callback(void){ 
     // Tootlge pin
     digitalWrite(pin, !digitalRead(pin));
  
     // This loop is just because I need to repeat it
     if (id_vector >= aux_signalsize){
          id_vector = 0;
          loop_count++;
          if (loop_count >= size_loop){
               MyTim->pause();
               MyTim->refresh();
               loop_count = 0;
          }
      }
 
// Set wait time in us to next toogle
MyTim->setOverflow(aux_signal[id_vector++], MICROSEC_FORMAT);  
}

And here is my HAL code (I get 2.3us error).

void TIM1_UP_TIM16_IRQHandler(void)
{
  /* USER CODE BEGIN TIM1_UP_TIM16_IRQn 0 */
  HAL_GPIO_TogglePin(RF_Pin_GPIO_Port, RF_Pin_Pin);
 
  if (vector_run == vector_max){
	  vector_run = 0;
	  if (repeat_id == repeat){
		  // Repetimos o sinal o suficiente
		  // Desabilitamos a contagem
		  HAL_TIM_Base_Stop(&htim16);
		  HAL_GPIO_WritePin(RF_Pin_GPIO_Port, RF_Pin_Pin, GPIO_PIN_RESET);
 
		  // Apagamos o sinal
		  for (int i = 0; i < vector_max; i++){
			  rf_sig[i] = 0;
		  }
 
		  // Apagamos o tamanho do vetor
		  vector_max = 0;
		  //vector_run = 0;
 
		  repeat_id = 0;
		  repeat = 0;
 
	  }else{
		  repeat_id++;
	  }
 
  }
  __HAL_TIM_SET_AUTORELOAD(&htim16, rf_sig[vector_run]-1);
  vector_run++;
 
  /* USER CODE END TIM1_UP_TIM16_IRQn 0 */
  HAL_TIM_IRQHandler(&htim16);
  /* USER CODE BEGIN TIM1_UP_TIM16_IRQn 1 */
 
  /* USER CODE END TIM1_UP_TIM16_IRQn 1 */
}

Other important features:

htim16.Instance = TIM16;
htim16.Init.Prescaler = 64-1;
htim16.Init.CounterMode = TIM_COUNTERMODE_UP;
htim16.Init.Period = 10;
htim16.Init.ClockDivision = TIM_CLOCKDIVISION_DIV1;
htim16.Init.RepetitionCounter = 0;
htim16.Init.AutoReloadPreload = TIM_AUTORELOAD_PRELOAD_DISABLE;

I've already decreased Prescaler, but the result is the same. I was hoping to get the complete opposite. More performance for HAL lib.

I'm clearly doing something wrong.

This discussion is locked. Please start a new topic to ask your question.
1 ACCEPTED SOLUTION

Accepted Solutions
waclawek.jan
Super User

Any electronic part may fail.

CSS is hardware which checks whether HSE runs, and in the unlikely event when it does not (e.g. if the crystal mechanically breaks, which may happen for example if the device falls from some height to the ground), the internal RC oscillator takes over.

JW

View solution in original post

5 REPLIES 5
waclawek.jan
Super User

What do you mean by error? What's the expected and what is the observed behaviour? What is the primary source of clock (HSE, HSI?) and how are clocks set up?

JW

TMaia.1
Associate II

Thanks JW,

When I address the word error I mean.

Expected time: 420us (this is what I thing I'm configuring)

Measured time: 422.3us (toogle pin)

Error: 2.3us (between configured and measured).

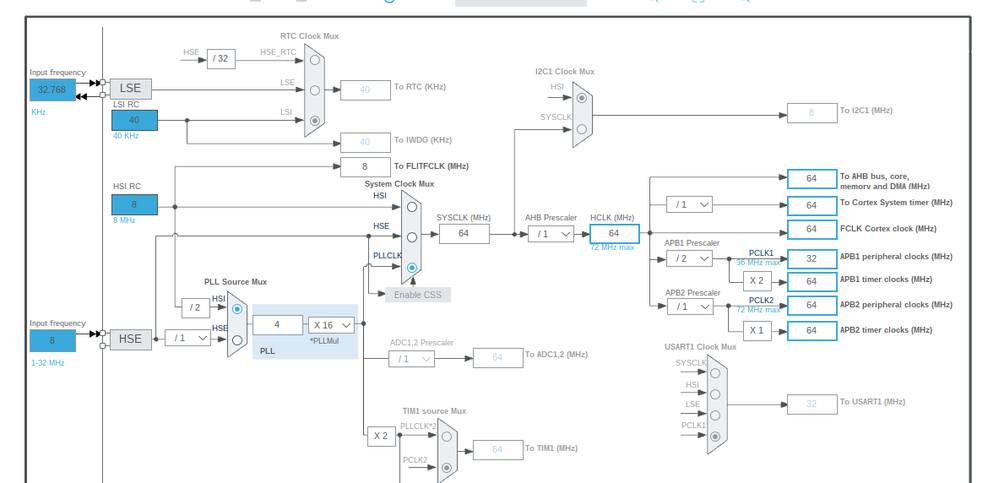
For RCC Mode and Configuration Iḿ using:

HSE (BYPASS Clock Source) - It's default for Nucleo board.

0693W000006GCu7QAG.png 

TMaia.1
Associate II

As it seems. HSI RC error is the problem. I changed to HSE and now is perfect. However, I'm worried. CSS means that HSE will fail? Will it recover itself?

waclawek.jan
Super User

Any electronic part may fail.

CSS is hardware which checks whether HSE runs, and in the unlikely event when it does not (e.g. if the crystal mechanically breaks, which may happen for example if the device falls from some height to the ground), the internal RC oscillator takes over.

JW

TMaia.1
Associate II

Thanks