cancel
Showing results for 
Search instead for 
Did you mean: 

STM32H7 Timer Counter Not Incrementing When Using External 8 MHz Crystal

Dn1te
Associate II

Post edited by ST moderator to be inline with the community rules especially with the code sharing. In next time please use </> button to paste your code. Please read this post: How to insert source code

I have a custom board using an STM32H735VGT6 MCU, and I’m trying to configure it to run at different system frequencies, starting from the lowest (170 MHz) and eventually up to the maximum (520 MHz or 550 MHz).

I’m using an external 8 MHz crystal as the clock source. My plan is to start at 170 MHz using VOS3 mode (since it supports up to 170 MHz) and later switch to higher VOS levels (VOS2, VOS1, VOS0) for higher frequencies.

To check whether the MCU is running at the desired frequency, I set up a timer and assign the timer counter value to a variable to monitor in STM32CubeMonitor, basically to see how many counts per second I get.

Here’s the code:

/* USER CODE BEGIN Header */

/**

******************************************************************************

* @file : main.c

* @brief : Main program body

******************************************************************************

* @attention

*

* Copyright (c) 2025 STMicroelectronics.

* All rights reserved.

*

* This software is licensed under terms that can be found in the LICENSE file

* in the root directory of this software component.

* If no LICENSE file comes with this software, it is provided AS-IS.

*

******************************************************************************

*/

/* USER CODE END Header */

/* Includes ------------------------------------------------------------------*/

#include "main.h"



/* Private includes ----------------------------------------------------------*/

/* USER CODE BEGIN Includes */



/* USER CODE END Includes */



/* Private typedef -----------------------------------------------------------*/

/* USER CODE BEGIN PTD */



/* USER CODE END PTD */



/* Private define ------------------------------------------------------------*/

/* USER CODE BEGIN PD */



/* USER CODE END PD */



/* Private macro -------------------------------------------------------------*/

/* USER CODE BEGIN PM */



/* USER CODE END PM */



/* Private variables ---------------------------------------------------------*/



/* USER CODE BEGIN PV */



/* USER CODE END PV */



/* Private function prototypes -----------------------------------------------*/

void SystemClock_Config(void);

void PeriphCommonClock_Config(void);

static void MPU_Config(void);

static void MX_GPIO_Init(void);

/* USER CODE BEGIN PFP */



/* USER CODE END PFP */



/* Private user code ---------------------------------------------------------*/

/* USER CODE BEGIN 0 */

volatile int testcount = 0;

int i=0;





/* USER CODE END 0 */



/**

* @brief The application entry point.

* @retval int

*/

int main(void)

{



/* USER CODE BEGIN 1 */



/* USER CODE END 1 */



/* MPU Configuration--------------------------------------------------------*/

MPU_Config();



/* MCU Configuration--------------------------------------------------------*/



/* Reset of all peripherals, Initializes the Flash interface and the Systick. */

HAL_Init();



/* USER CODE BEGIN Init */



/* USER CODE END Init */



/* Configure the system clock */

SystemClock_Config();



/* Configure the peripherals common clocks */

PeriphCommonClock_Config();



/* USER CODE BEGIN SysInit */



/* USER CODE END SysInit */



/* Initialize all configured peripherals */

MX_GPIO_Init();

/* USER CODE BEGIN 2 */

RCC->APB2ENR |= RCC_APB2ENR_TIM1EN;

TIM1 -> PSC = 34000;

TIM1 -> ARR = 5000;

TIM1->CR1|= TIM_CR1_CEN;



/* USER CODE END 2 */



/* Infinite loop */

/* USER CODE BEGIN WHILE */

while (1)

{

/* USER CODE END WHILE */

testcount=TIM1->CNT;

i++;

/* USER CODE BEGIN 3 */

}

/* USER CODE END 3 */

}



/**

* @brief System Clock Configuration

* @retval None

*/

void SystemClock_Config(void)

{

RCC_OscInitTypeDef RCC_OscInitStruct = {0};

RCC_ClkInitTypeDef RCC_ClkInitStruct = {0};



/** Supply configuration update enable

*/

HAL_PWREx_ConfigSupply(PWR_LDO_SUPPLY);



/** Configure the main internal regulator output voltage

*/

__HAL_PWR_VOLTAGESCALING_CONFIG(PWR_REGULATOR_VOLTAGE_SCALE0);



while(!__HAL_PWR_GET_FLAG(PWR_FLAG_VOSRDY)) {}



/** Initializes the RCC Oscillators according to the specified parameters

* in the RCC_OscInitTypeDef structure.

*/

RCC_OscInitStruct.OscillatorType = RCC_OSCILLATORTYPE_HSE;

RCC_OscInitStruct.HSEState = RCC_HSE_ON;

RCC_OscInitStruct.PLL.PLLState = RCC_PLL_ON;

RCC_OscInitStruct.PLL.PLLSource = RCC_PLLSOURCE_HSE;

RCC_OscInitStruct.PLL.PLLM = 1;

RCC_OscInitStruct.PLL.PLLN = 65;

RCC_OscInitStruct.PLL.PLLP = 1;

RCC_OscInitStruct.PLL.PLLQ = 2;

RCC_OscInitStruct.PLL.PLLR = 2;

RCC_OscInitStruct.PLL.PLLRGE = RCC_PLL1VCIRANGE_3;

RCC_OscInitStruct.PLL.PLLVCOSEL = RCC_PLL1VCOWIDE;

RCC_OscInitStruct.PLL.PLLFRACN = 0;

if (HAL_RCC_OscConfig(&RCC_OscInitStruct) != HAL_OK)

{

Error_Handler();

}



/** Initializes the CPU, AHB and APB buses clocks

*/

RCC_ClkInitStruct.ClockType = RCC_CLOCKTYPE_HCLK|RCC_CLOCKTYPE_SYSCLK

|RCC_CLOCKTYPE_PCLK1|RCC_CLOCKTYPE_PCLK2

|RCC_CLOCKTYPE_D3PCLK1|RCC_CLOCKTYPE_D1PCLK1;

RCC_ClkInitStruct.SYSCLKSource = RCC_SYSCLKSOURCE_PLLCLK;

RCC_ClkInitStruct.SYSCLKDivider = RCC_SYSCLK_DIV1;

RCC_ClkInitStruct.AHBCLKDivider = RCC_HCLK_DIV2;

RCC_ClkInitStruct.APB3CLKDivider = RCC_APB3_DIV2;

RCC_ClkInitStruct.APB1CLKDivider = RCC_APB1_DIV2;

RCC_ClkInitStruct.APB2CLKDivider = RCC_APB2_DIV2;

RCC_ClkInitStruct.APB4CLKDivider = RCC_APB4_DIV2;



if (HAL_RCC_ClockConfig(&RCC_ClkInitStruct, FLASH_LATENCY_3) != HAL_OK)

{

Error_Handler();

}

}



/**

* @brief Peripherals Common Clock Configuration

* @retval None

*/

void PeriphCommonClock_Config(void)

{

RCC_PeriphCLKInitTypeDef PeriphClkInitStruct = {0};



/** Initializes the peripherals clock

*/

PeriphClkInitStruct.PeriphClockSelection = RCC_PERIPHCLK_TIM;

PeriphClkInitStruct.TIMPresSelection = RCC_TIMPRES_ACTIVATED;



if (HAL_RCCEx_PeriphCLKConfig(&PeriphClkInitStruct) != HAL_OK)

{

Error_Handler();

}

}



/**

* @brief GPIO Initialization Function

* @PAram None

* @retval None

*/

static void MX_GPIO_Init(void)

{

/* USER CODE BEGIN MX_GPIO_Init_1 */



/* USER CODE END MX_GPIO_Init_1 */



/* GPIO Ports Clock Enable */

__HAL_RCC_GPIOH_CLK_ENABLE();

__HAL_RCC_GPIOA_CLK_ENABLE();



/* USER CODE BEGIN MX_GPIO_Init_2 */



/* USER CODE END MX_GPIO_Init_2 */

}



/* USER CODE BEGIN 4 */



/* USER CODE END 4 */



/* MPU Configuration */



void MPU_Config(void)

{

MPU_Region_InitTypeDef MPU_InitStruct = {0};



/* Disables the MPU */

HAL_MPU_Disable();



/** Initializes and configures the Region and the memory to be protected

*/

MPU_InitStruct.Enable = MPU_REGION_ENABLE;

MPU_InitStruct.Number = MPU_REGION_NUMBER0;

MPU_InitStruct.BaseAddress = 0x0;

MPU_InitStruct.Size = MPU_REGION_SIZE_4GB;

MPU_InitStruct.SubRegionDisable = 0x87;

MPU_InitStruct.TypeExtField = MPU_TEX_LEVEL0;

MPU_InitStruct.AccessPermission = MPU_REGION_NO_ACCESS;

MPU_InitStruct.DisableExec = MPU_INSTRUCTION_ACCESS_DISABLE;

MPU_InitStruct.IsShareable = MPU_ACCESS_SHAREABLE;

MPU_InitStruct.IsCacheable = MPU_ACCESS_NOT_CACHEABLE;

MPU_InitStruct.IsBufferable = MPU_ACCESS_NOT_BUFFERABLE;



HAL_MPU_ConfigRegion(&MPU_InitStruct);

/* Enables the MPU */

HAL_MPU_Enable(MPU_PRIVILEGED_DEFAULT);



}



/**

* @brief This function is executed in case of error occurrence.

* @retval None

*/

void Error_Handler(void)

{

/* USER CODE BEGIN Error_Handler_Debug */

/* User can add his own implementation to report the HAL error return state */

__disable_irq();

while (1)

{

}

/* USER CODE END Error_Handler_Debug */

}

#ifdef USE_FULL_ASSERT

/**

* @brief Reports the name of the source file and the source line number

* where the assert_param error has occurred.

* @PAram file: pointer to the source file name

* @PAram line: assert_param error line source number

* @retval None

*/

void assert_failed(uint8_t *file, uint32_t line)

{

/* USER CODE BEGIN 6 */

/* User can add his own implementation to report the file name and line number,

ex: printf("Wrong parameters value: file %s on line %d\r\n", file, line) */

/* USER CODE END 6 */

}

#endif /* USE_FULL_ASSERT */

 

However, the issue is that the variable 'testcount' never increments when I use the external crystal. It just stays at 0 in STM32CubeMonitor. The 'SystemCoreClock' just stays at 64MHz and the variable 'i' never increments also.

If I switch to the internal clock (HSI) instead, everything works fine and the counter updates as expected.

For context, I don’t have much experience in programming MCUs, so I might be missing something simple.

Any help would be greatly appreciated!

1 ACCEPTED SOLUTION

Accepted Solutions
Dn1te
Associate II

I found out why it didn’t work. Turns out the 0-ohm resistors weren’t soldered properly. Thank you all for the advice!

View solution in original post

7 REPLIES 7
mƎALLEm
ST Employee

Hello,

1- Please share your ioc file.

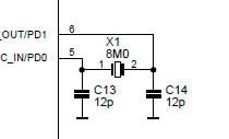
2- Need to post the part of schematics of HSE: crystal + load capacitors + the MCU.

3- If you toggle a pin with a specific delay lets' say 500ms or 1s and using HSE + the crystal, does it toggle with that delay value?

To give better visibility on the answered topics, please click on "Accept as Solution" on the reply which solved your issue or answered your question.
TDK
Super User

It probably never makes it to that part of the code. Debug in STM32CubeIDE and hit run, then pause and show where execution is at. Probably HSE design is lacking.

If you feel a post has answered your question, please click "Accept as Solution".

I used HSI to configure the clock to 520 MHz, and I set up TIM1 and assigned its counter value to a variable 'testcount' to track the clock frequency. Everything works perfectly in this case.

The only problem is that this setup works only when using HSI, but not when using HSE. When I switch to the external crystal (HSE), the clock frequency always stays fixed at 64 MHz, no matter how I change the configuration. The variable 'testcount' also always remains 0.

As both you and TDK suggested, I also suspect that the issue might be due to a hardware design problem with the external clock circuit.

Here are my .ioc file and the crystal design.
Thank you for all the help!

Dn1te_0-1760178448901.png

Dn1te_1-1760178538391.png

Dn1te_2-1760178595113.png

 

 

 

 

Dn1te
Associate II

I used HSI to configure the clock to 520 MHz, and I set up TIM1 and assigned its counter value to a variable 'testcount' to track the clock frequency. Everything works perfectly in this case.

The only problem is that this setup works only when using HSI, but not when using HSE. When I switch to the external crystal (HSE), the clock frequency always stays fixed at 64 MHz, no matter how I change the configuration. The variable 'testcount' also always remains 0.

As both you and mƎALLEm suggested, I also suspect that the issue might be due to a hardware design problem with the external clock circuit.

Here are my crystal design.
Thank you for all the help!

Dn1te_1-1760178538391.png

Dn1te_2-1760178595113 (1).png

 

TDK
Super User

Okay, so 20 pF load caps but crystal part number is not stated.

Guidelines for oscillator design on STM8AF/AL/S and STM32 MCUs/MPUs - Application note

If you feel a post has answered your question, please click "Accept as Solution".

Try smaller caps :

AScha3_0-1760194996935.png

12 pF or so. check.

If you feel a post has answered your question, please click "Accept as Solution".
Dn1te
Associate II

I found out why it didn’t work. Turns out the 0-ohm resistors weren’t soldered properly. Thank you all for the advice!