cancel
Showing results for 
Search instead for 
Did you mean: 

Risk of leaving CN13 (User USB) connected without powering the Nucleo

DStu
Associate II

In the UM2407 Rev 5 (Nucleo-H753ZI user manual) on page 29/54, section 7.6.6 there is a warning:

USB Micro-AB connector (CN13) cannot power the Nucleo144 board. To avoid damaging the STM32H7, it is mandatory to power the Nucleo-144 before connecting a USB cable on CN13. Otherwise, there is a risk of current injection on STM32H7 I/Os.

 

However, in an informal empirical test it seems that nothing got damaged when I connected CN13 to a PC/Laptop without powering the Nucleo. So, how big is this "Risk" really and what are potential consequences? And is this risk related to the Nucleo only, or would the same risk apply when integrating a STMH753ZI directly on a PCB. 

Can anybody provide more detailed information?

Note: I do NOT want to power the Nucleo from CN13 but just leave the USB cable connected.

 

Thank you and best regards

Diego

 

1 ACCEPTED SOLUTION

Accepted Solutions
FBL
ST Employee

Hi @DStu and welcome to ST community ! 

The warning is about violating the STM32H7 absolute‑maximum ratings by back‑powering its I/Os via the USB connector when VDD is off from ST Link

> Could you perhaps give us some guidance or a hint on how this should be implemented correctly?

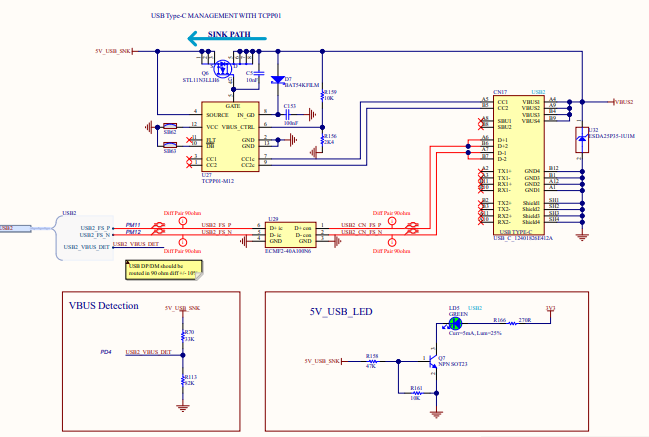
I recommend using USB TypeC connector and TCPP01 protection port. Here is an example.

 

FBL_1-1769163164238.png

 

To give better visibility on the answered topics, please click on Accept as Solution on the reply which solved your issue or answered your question.




Best regards,
FBL

View solution in original post

4 REPLIES 4
thismarkjohnson
Associate II

The risk is real but not guaranteed — connecting USB without board power can back-power the MCU through the USB data pins, causing latch-up or long-term I/O degradation. You got lucky, but repeated use can damage it over time. This isn’t just a Nucleo issue — the same risk exists on custom PCBs unless you add proper isolation or protection on the USB lines.

DStu
Associate II

Dear Mark Johnson,

Thank you very much for your clear and helpful reply. This aligns with what I expected, but I wanted to be certain.

While we can address the issue by ensuring that the MCU is always powered when—or before—the PC is powered on, it would still be preferable to add proper protection. Could you perhaps give us some guidance or a hint on how this should be implemented correctly?

Kind regards,

Diego

FBL
ST Employee

Hi @DStu and welcome to ST community ! 

The warning is about violating the STM32H7 absolute‑maximum ratings by back‑powering its I/Os via the USB connector when VDD is off from ST Link

> Could you perhaps give us some guidance or a hint on how this should be implemented correctly?

I recommend using USB TypeC connector and TCPP01 protection port. Here is an example.

 

FBL_1-1769163164238.png

 

To give better visibility on the answered topics, please click on Accept as Solution on the reply which solved your issue or answered your question.




Best regards,
FBL
DStu
Associate II

Dear FBL

Thank you very much for the detailed proposal!

 

Best regards

Diego