cancel
Showing results for 
Search instead for 
Did you mean: 

Bug report STM32CubeMX 4.25.0 - Activating ''Audio Clock Input'' (I2S_CKIN) does not set I2SSRC bit in RCC_CFGR register

Mete C.
Associate II
Posted on March 30, 2018 at 08:08

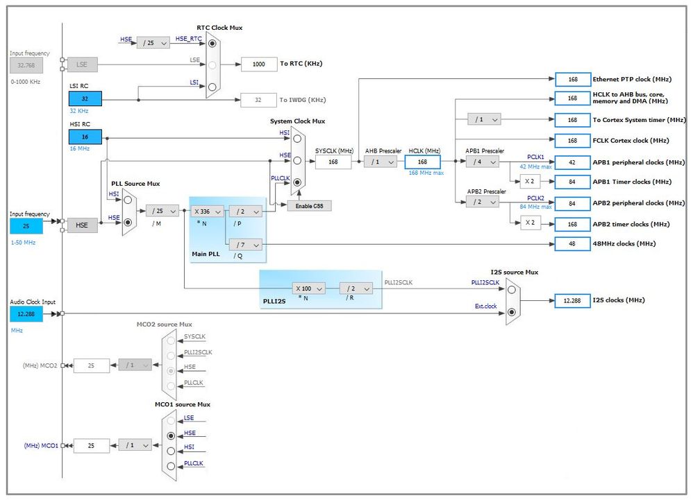
I have a project generated by &sharpSTM32CubeMX 4.25.0 using firmware STM32Cube FW_F4 V1.21.0. The clock configuration can be found in the attached picture below. When I debugged the generated  code I have seen that I2SSRC bit in RCC_CFGR register was not set to 1; which causes I2S malfunctioning.   0690X00000604WZQAY.jpg Here is the code generated by CubeMX:I have a project generated by &sharpSTM32CubeMX 4.25.0 using firmware STM32Cube FW_F4 V1.21.0. The clock configuration can be found in the attached picture below. When I debugged the generated  code I have seen that I2SSRC bit in RCC_CFGR register was not set to 1; which causes I2S malfunctioning.   0690X00000604WZQAY.jpg Here is the code generated by CubeMX:I have a project generated by &sharpSTM32CubeMX 4.25.0 using firmware STM32Cube FW_F4 V1.21.0. The clock configuration can be found in the attached picture below. When I debugged the generated  code I have seen that I2SSRC bit in RCC_CFGR register was not set to 1; which causes I2S malfunctioning.   0690X00000604WZQAY.jpg Here is the code generated by CubeMX:I have a project generated by &sharpSTM32CubeMX 4.25.0 using firmware STM32Cube FW_F4 V1.21.0. The clock configuration can be found in the attached picture below. When I debugged the generated  code I have seen that I2SSRC bit in RCC_CFGR register was not set to 1; which causes I2S malfunctioning.   0690X00000604WZQAY.jpg Here is the code generated by CubeMX:

/* I2S3 init function */

void MX_I2S3_Init(void)

{

hi2s3.Instance = SPI3;

hi2s3.Init.Mode = I2S_MODE_MASTER_TX;

hi2s3.Init.Standard = I2S_STANDARD_PHILIPS;

hi2s3.Init.DataFormat = I2S_DATAFORMAT_16B;

hi2s3.Init.MCLKOutput = I2S_MCLKOUTPUT_DISABLE;

hi2s3.Init.AudioFreq = I2S_AUDIOFREQ_8K;

hi2s3.Init.CPOL = I2S_CPOL_LOW;

hi2s3.Init.ClockSource = I2S_CLOCK_EXTERNAL;

hi2s3.Init.FullDuplexMode = I2S_FULLDUPLEXMODE_ENABLE;

if (HAL_I2S_Init(&hi2s3) != HAL_OK)

{

_Error_Handler(__FILE__, __LINE__);

}

}

void HAL_I2S_MspInit(I2S_HandleTypeDef* i2sHandle)

{

GPIO_InitTypeDef GPIO_InitStruct;

if(i2sHandle->Instance==SPI3)

{

/* USER CODE BEGIN SPI3_MspInit 0 */

/* USER CODE END SPI3_MspInit 0 */

/* I2S3 clock enable */

__HAL_RCC_SPI3_CLK_ENABLE();

/**I2S3 GPIO Configuration

PA4 ------> I2S3_WS

PC10 ------> I2S3_CK

PC11 ------> I2S3_ext_SD

PC12 ------> I2S3_SD

*/

GPIO_InitStruct.Pin = GPIO_PIN_4;

GPIO_InitStruct.Mode = GPIO_MODE_AF_PP;

GPIO_InitStruct.Pull = GPIO_NOPULL;

GPIO_InitStruct.Speed = GPIO_SPEED_FREQ_MEDIUM;

GPIO_InitStruct.Alternate = GPIO_AF6_SPI3;

HAL_GPIO_Init(GPIOA, &GPIO_InitStruct);

GPIO_InitStruct.Pin = GPIO_PIN_10|GPIO_PIN_12;

GPIO_InitStruct.Mode = GPIO_MODE_AF_PP;

GPIO_InitStruct.Pull = GPIO_NOPULL;

GPIO_InitStruct.Speed = GPIO_SPEED_FREQ_MEDIUM;

GPIO_InitStruct.Alternate = GPIO_AF6_SPI3;

HAL_GPIO_Init(GPIOC, &GPIO_InitStruct);

GPIO_InitStruct.Pin = GPIO_PIN_11;

GPIO_InitStruct.Mode = GPIO_MODE_AF_PP;

GPIO_InitStruct.Pull = GPIO_NOPULL;

GPIO_InitStruct.Speed = GPIO_SPEED_FREQ_MEDIUM;

GPIO_InitStruct.Alternate = GPIO_AF5_I2S3ext;

HAL_GPIO_Init(GPIOC, &GPIO_InitStruct);

/* I2S3 DMA Init */

/* I2S3_EXT_RX Init */

hdma_i2s3_ext_rx.Instance = DMA1_Stream0;

hdma_i2s3_ext_rx.Init.Channel = DMA_CHANNEL_3;

hdma_i2s3_ext_rx.Init.Direction = DMA_PERIPH_TO_MEMORY;

hdma_i2s3_ext_rx.Init.PeriphInc = DMA_PINC_DISABLE;

hdma_i2s3_ext_rx.Init.MemInc = DMA_MINC_ENABLE;

hdma_i2s3_ext_rx.Init.PeriphDataAlignment = DMA_PDATAALIGN_WORD;

hdma_i2s3_ext_rx.Init.MemDataAlignment = DMA_MDATAALIGN_WORD;

hdma_i2s3_ext_rx.Init.Mode = DMA_CIRCULAR;

hdma_i2s3_ext_rx.Init.Priority = DMA_PRIORITY_HIGH;

hdma_i2s3_ext_rx.Init.FIFOMode = DMA_FIFOMODE_ENABLE;

hdma_i2s3_ext_rx.Init.FIFOThreshold = DMA_FIFO_THRESHOLD_FULL;

hdma_i2s3_ext_rx.Init.MemBurst = DMA_MBURST_SINGLE;

hdma_i2s3_ext_rx.Init.PeriphBurst = DMA_PBURST_SINGLE;

if (HAL_DMA_Init(&hdma_i2s3_ext_rx) != HAL_OK)

{

_Error_Handler(__FILE__, __LINE__);

}

__HAL_LINKDMA(i2sHandle,hdmarx,hdma_i2s3_ext_rx);

/* SPI3_TX Init */

hdma_spi3_tx.Instance = DMA1_Stream5;

hdma_spi3_tx.Init.Channel = DMA_CHANNEL_0;

hdma_spi3_tx.Init.Direction = DMA_MEMORY_TO_PERIPH;

hdma_spi3_tx.Init.PeriphInc = DMA_PINC_DISABLE;

hdma_spi3_tx.Init.MemInc = DMA_MINC_ENABLE;

hdma_spi3_tx.Init.PeriphDataAlignment = DMA_PDATAALIGN_WORD;

hdma_spi3_tx.Init.MemDataAlignment = DMA_MDATAALIGN_WORD;

hdma_spi3_tx.Init.Mode = DMA_CIRCULAR;

hdma_spi3_tx.Init.Priority = DMA_PRIORITY_HIGH;

hdma_spi3_tx.Init.FIFOMode = DMA_FIFOMODE_ENABLE;

hdma_spi3_tx.Init.FIFOThreshold = DMA_FIFO_THRESHOLD_FULL;

hdma_spi3_tx.Init.MemBurst = DMA_MBURST_SINGLE;

hdma_spi3_tx.Init.PeriphBurst = DMA_PBURST_SINGLE;

if (HAL_DMA_Init(&hdma_spi3_tx) != HAL_OK)

{

_Error_Handler(__FILE__, __LINE__);

}

__HAL_LINKDMA(i2sHandle,hdmatx,hdma_spi3_tx);

/* USER CODE BEGIN SPI3_MspInit 1 */

/* USER CODE END SPI3_MspInit 1 */

}

}

#stm32cubemx-4.25.0 #i2ssrc #stm32f4 #rcc_cfgr #audio-clock-input
This discussion is locked. Please start a new topic to ask your question.
3 REPLIES 3
Imen.D
ST Employee
Posted on April 03, 2018 at 17:12

Hi

metecantimur

,

Could you please precise on which device you have found the issue. So, we can verify it.

Best Regards,

Imen

When your question is answered, please close this topic by clicking "Accept as Solution".
Thanks
Imen
Mete C.
Associate II
Posted on April 04, 2018 at 10:32

Hi

DAHMEN.IMEN

,

I am using STM32F407ZGTx MCU device in an proprietary board.

Best Regards,

Mete

Mete C.
Associate II
Posted on April 04, 2018 at 16:44

Hi

DAHMEN.IMEN

,

I have the following workaround steps for the problem:

1) Insert the following line into the function

HAL_I2S_MspInitjust before the line containing __HAL_RCC_SPI3_CLK_ENABLE();

/* BUG FIX: Enabling Audio Clock Input in CubeMX does not set I2SSRC bit

 

* in RCC_CFGR register! Hence we need to set it manually here! * WARNING: A bug fix is also needed in __HAL_RCC_GET_I2S_SOURCE() */

__HAL_RCC_I2S_CONFIG(RCC_I2SCLKSOURCE_EXT);

2) Apply the following patch to the following macro in library the file 'stm32f4xx_hal_rcc_ex.h' at line 6112:

#define __HAL_RCC_GET_I2S_SOURCE() ((uint32_t)(READ_BIT(RCC->CFGR, RCC_CFGR_I2SSRC)) >> RCC_CFGR_I2SSRC_Pos) /*BUG FIX: MC*/

Note: I will report the bug in filestm32f4xx_hal_rcc_ex.h

at line 6112 as a new bug report.

Best Regards,

Mete