cancel
Showing results for 
Search instead for 
Did you mean: 

VN9E30F: SPI Error & Fail Safe mode isnot getting clear.

chintan-tvs
Associate II

Hello,

I am trying to send first command from the MCU (s32k312 -NXP).

I am able to send but I am getting SPI response like

chintantvs_0-1761305090175.png

And afterwards, no matter which SPI commands send, it always sends same response from the chip i.e. 0x610000

As per the Datasheet, says it is FailSafe Mode and getting SPI Error.

I did all the combinations in SPI communication, but it is not getting clear this SPI response.

 

1 ACCEPTED SOLUTION

Accepted Solutions

Again, Please post logic analyser screenshots for people to check.

 

A complex system that works is invariably found to have evolved from a simple system that worked.
A complex system designed from scratch never works and cannot be patched up to make it work.

View solution in original post

5 REPLIES 5
Andrew Neil
Super User

Have you looked at the SPI lines using an oscilloscope and/or an analyser?

You need to do this first to confirm that your MCU is actually sending the correct signals to the VN9E30F, and that the correct signals are coming back to your MCU.

A complex system that works is invariably found to have evolved from a simple system that worked.
A complex system designed from scratch never works and cannot be patched up to make it work.

yes of course, I verified on Oscilloscope/Picoscope. It is showing same as i have shown on SW Snapshot.

Unfortunately, that can't be taken for granted here!

If that's not the answer, why did you mark my post as the solution?  Instructions here to unmark it if your issue is not solved.

Please post logic analyser screenshots for people to check.

Also your schematic.

 

How to write your question to maximize your chances to find a solution

A complex system that works is invariably found to have evolved from a simple system that worked.
A complex system designed from scratch never works and cannot be patched up to make it work.
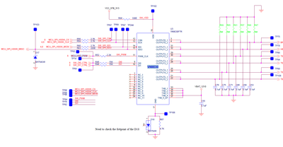
chintan-tvs
Associate II

chintantvs_0-1761309486061.png

Note:

1. I am using GPIO Pin for PWM,  it is set by default,

2. Rest of the GPIO PINs i.e. DI0,1 are set to Low/Clear, 

Again, Please post logic analyser screenshots for people to check.

 

A complex system that works is invariably found to have evolved from a simple system that worked.
A complex system designed from scratch never works and cannot be patched up to make it work.