Analog and audio

Find useful information on analog and audio applications: TDA7294-based designs, PDM to PCM noise, and SPICE models.

cancel
Showing results for 
Search instead for 
Did you mean: 

Forum Posts

Forum board changes

Dear community member, The “Analog and audio” topic is no longer supported on the ST community. The legacy content is available only by the read-only basis. If you have any requests regarding "Analog and audio”  topics, check the alternative support ...

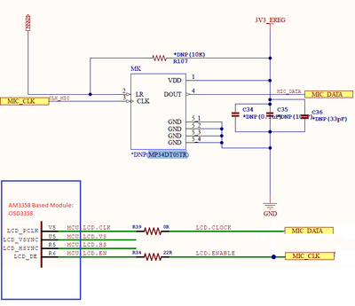
Need to integrate MP34DT05TR-A with Embedded linux

Hi STMicroelectronicsTeam,We want to integrate the MP34DT05TR-A with Beaglebone Black device. We have hardware in place. We couldn't find any related software to integrate MP34DT05TR-A with Linux OS. Here I am attaching the module schematic with proc...

0693W00000JOZw9QAH.png
JKane.2 by Associate
  • 807 Views
  • 0 replies
  • 0 kudos

Resolved! TDA756x Is safe to drive speakers with lower gain?

to decrease output noise, can I use 16db gain to drive 4ohm or 8ohm speaker with tweeter in low volume. "Selectable gain 26 dB /16 dB (for low noise line output function)" in datasheet but no only shown.

YSun.7 by Associate
  • 1233 Views
  • 1 replies
  • 0 kudos

Resolved! Audio through CAN FD

I have to develop a project for my master degree and I want to know if it will be possible to send audio data sampled by an ADC through CAN FD, and on which frequency should I sample the data.I have tried to sample at 16kHz but I cant send the data f...

Audio from microphone through headphones

I am using a STM32G0C1E-EV board to try to get data from my microphone through the ADC and hear it in real time on my headphones via DAC. I have used a timer in order to get data in 16000 Hz format and I have used DMA circular buffers to get and tran...

Bug in 5.Y.3 In Current Sensing

I am unable to "select" one of these 2 radial buttons. This did work before, made a few modifications, now it gives this error. Anyone know how to get it to use my selection?

0693W00000HrSsBQAV.png

Resolved! TDA7575B Based Audio Amplifier Problem

I have designed a TDA7575B based audio amplifier, see attached screenshot image. The tone control as configured, will the input signal not be below standard 2v line input voltage that the TDA would typically be used with? I dont know how to add a pre...

0693W00000HojqjQAB.jpg
IHus.1 by Associate II
  • 1941 Views
  • 3 replies
  • 0 kudos