cancel
Showing results for 
Search instead for 
Did you mean: 

Hello, I am looking for help in finding a problem with the LCD connected via the FMC interface. Some data sent is corrupted.

Dziadek
Associate

I have an LCD screen (ortustech COM20H2P74ULX) connected via FMC to the STM32L4 MCU and I have some communication problems as some of the data I write on the screen gets corrupted. I suspect a bad communication timing setup with the screen memory, but I'm new to this so it could be something else.

This is a CubeMX setup that I got from hardware designers for FMC

0693W00000NpgLAQAZ.pngTo initialize the screen, it should receive some poweron sequence data, this data at some points get corrupted. This is visible when using logic analyzer:

0693W00000NpgMwQAJ.pngIn point A I'm sending 0x01 but on the output there is 0x89 and in point B I'm sending 0x02 but output shows 0x03. For the whole poweron sequence more data gets corrupted as shown in this table:

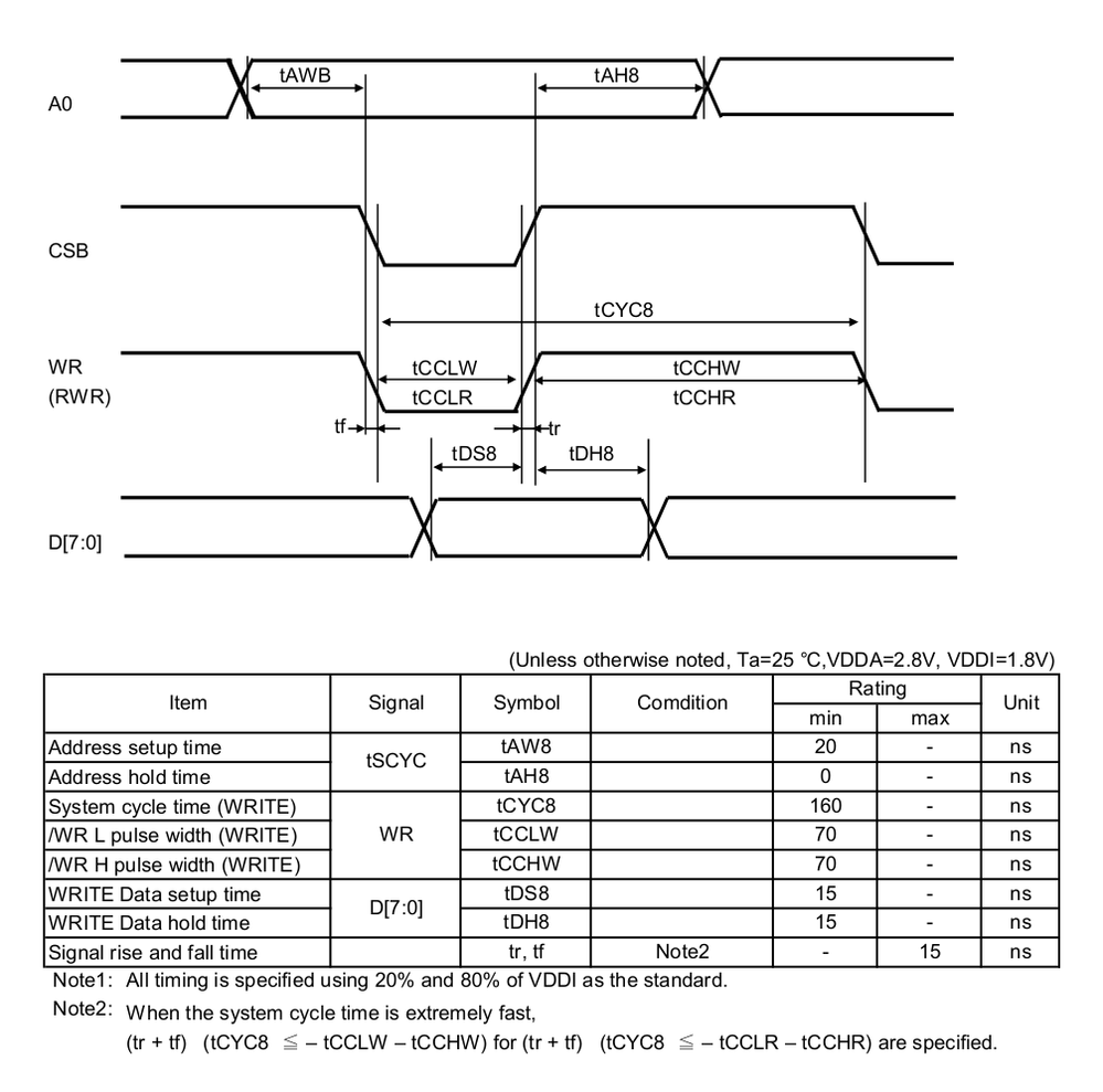
0693W00000NpgMxQAJ.png0693W00000NpgQ5QAJ.pngThis is timing diagram for the screen:

0693W00000NpgQ2QAJ.pngThanks in advance for any help

This discussion is locked. Please start a new topic to ask your question.
0 REPLIES 0