cancel
Showing results for 
Search instead for 
Did you mean: 

Trouble configuring FDCAN on STM32G473 to communicate with Arduino MCP2515 (CAN 2.0)

Onlywavesmdp
Associate II

Hi everyone,

We’re currently developing an OBD reader using an STM32G473, which includes three FDCAN controllers. Each FDCAN interface is connected to a TCAN3413 transceiver.

As part of our testing setup, we built an ECU simulator using an Arduino with an MCP2515 controller and a TJA1050 transceiver, and this simulator works perfectly.

However, we’re facing a major issue when trying to send CAN requests from our STM32-based board to this ECU simulator. We’re not able to make the FDCAN controller operate in Classical CAN 2.0 mode and send messages correctly.

We verified this by checking both the RX and CAN lines of the transceiver with an oscilloscope. The TX signal from the STM32 does not show the expected data pattern.
That said, the transceiver itself is working correctly, when we send data from the Arduino node, the RX pin on the transceiver shows a clean, valid CAN signal. The issue seems to be that the STM32’s FDCAN controller doesn’t properly interpret or transmit standard CAN 2.0 frames, and as a result, we can’t see any valid messages on the microcontroller side.

To make it easier to understand our setup, we’re attaching several images:

  • Our clock configuration from STM32CubeMX
  • The main.c source file
  • The FDCAN1 peripheral configuration we’re currently using

We’d really appreciate any help or insight from the community on how to correctly configure the FDCAN peripheral on the STM32G473 to work in standard CAN 2.0 mode, compatible with MCP2515-based nodes.

Thanks in advance for any advice or configuration examples you can share!

WhatsApp Image 2025-10-15 at 5.53.58 PM.jpeg

WhatsApp Image 2025-10-15 at 5.53.58 PM (1).jpeg

 

/* USER CODE BEGIN Header */
/**
 ******************************************************************************
 * @file           : main.c
 * @brief          : Main program body
 ******************************************************************************
 * @attention
 *
 * Copyright (c) 2025 STMicroelectronics.
 * All rights reserved.
 *
 * This software is licensed under terms that can be found in the LICENSE file
 * in the root directory of this software component.
 * If no LICENSE file comes with this software, it is provided AS-IS.
 *
 ******************************************************************************
 */
/* USER CODE END Header */
/* Includes ------------------------------------------------------------------*/
#include "main.h"

/* Private includes ----------------------------------------------------------*/
/* USER CODE BEGIN Includes */

/* USER CODE END Includes */

/* Private typedef -----------------------------------------------------------*/
/* USER CODE BEGIN PTD */

/* USER CODE END PTD */

/* Private define ------------------------------------------------------------*/
/* USER CODE BEGIN PD */

/* USER CODE END PD */

/* Private macro -------------------------------------------------------------*/
/* USER CODE BEGIN PM */

/* USER CODE END PM */

/* Private variables ---------------------------------------------------------*/
FDCAN_HandleTypeDef hfdcan1;
FDCAN_HandleTypeDef hfdcan2;

I2C_HandleTypeDef hi2c2;

/* USER CODE BEGIN PV */

FDCAN_TxHeaderTypeDef TxHeader;
FDCAN_RxHeaderTypeDef RxHeader;
FDCAN_TxHeaderTypeDef TxHeader2;
FDCAN_RxHeaderTypeDef RxHeader2;

uint8_t TxData[8];
uint8_t RxData[8];

uint8_t txData[4] = { 0x10, 0x20, 0x30, 0x40 };
uint8_t rxData[4];

/* USER CODE END PV */

/* Private function prototypes -----------------------------------------------*/
void SystemClock_Config(void);
static void MX_GPIO_Init(void);
static void MX_FDCAN1_Init(void);
static void MX_FDCAN2_Init(void);
static void MX_I2C2_Init(void);
/* USER CODE BEGIN PFP */

/* USER CODE END PFP */

/* Private user code ---------------------------------------------------------*/
/* USER CODE BEGIN 0 */

/* USER CODE END 0 */

/**
  * @brief  The application entry point.
  * @retval int
  */
int main(void)
{

  /* USER CODE BEGIN 1 */

  /* USER CODE END 1 */

  /* MCU Configuration--------------------------------------------------------*/

  /* Reset of all peripherals, Initializes the Flash interface and the Systick. */
  HAL_Init();

  /* USER CODE BEGIN Init */

  /* USER CODE END Init */

  /* Configure the system clock */
  SystemClock_Config();

  /* USER CODE BEGIN SysInit */

  /* USER CODE END SysInit */

  /* Initialize all configured peripherals */
  MX_GPIO_Init();
  MX_FDCAN1_Init();
  MX_FDCAN2_Init();
  MX_I2C2_Init();
  /* USER CODE BEGIN 2 */

	//HAL_TIM_PWM_Start(&htim3, TIM_CHANNEL_2);
	// Iniciar FDCAN
	if (HAL_FDCAN_Start(&hfdcan1) != HAL_OK) {
		Error_Handler();
	}
	if (HAL_FDCAN_Start(&hfdcan2) != HAL_OK) {
		Error_Handler();
	}

	// Activar notificación de mensajes recibidos
	//if (HAL_FDCAN_ActivateNotification(&hfdcan1, FDCAN_IT_RX_FIFO0_NEW_MESSAGE, 0) != HAL_OK) {
	//	Error_Handler();
	//}

	if (HAL_FDCAN_ActivateNotification(&hfdcan2, FDCAN_IT_RX_FIFO1_NEW_MESSAGE, 0) != HAL_OK) {
		Error_Handler();
	}

	// Configuración Tx Header
	TxHeader.Identifier = 0x123;
	TxHeader.IdType = FDCAN_STANDARD_ID;
	TxHeader.TxFrameType = FDCAN_DATA_FRAME;
	TxHeader.DataLength = FDCAN_DLC_BYTES_8;   // 8 bytes de datos
	TxHeader.ErrorStateIndicator = FDCAN_ESI_ACTIVE;
	TxHeader.BitRateSwitch = FDCAN_BRS_OFF;     // Data phase más rápida
	TxHeader.FDFormat = FDCAN_CLASSIC_CAN;          // CAN-clasico
	TxHeader.TxEventFifoControl = FDCAN_NO_TX_EVENTS;
	TxHeader.MessageMarker = 0;

	// Mensaje inicial
	for (uint8_t i = 0; i < 8; i++)
		TxData[i] = i;

	// Transmitir mensaje
	if (HAL_FDCAN_AddMessageToTxFifoQ(&hfdcan1, &TxHeader, TxData) != HAL_OK) {
		Error_Handler();
	}

  /* USER CODE END 2 */

  /* Infinite loop */
  /* USER CODE BEGIN WHILE */
	while (1) {
		HAL_Delay(1000);

		for (uint8_t i = 0; i < 8; i++)
			TxData[i]++;

		HAL_FDCAN_AddMessageToTxFifoQ(&hfdcan1, &TxHeader, TxData);
		//HAL_FDCAN_AddMessageToTxFifoQ(&hfdcan2, &TxHeader, TxData);
		//HAL_GPIO_TogglePin(GPIOA, GPIO_PIN_3);

		//if (HAL_I2C_Master_Transmit(&hi2c2, (0x54 << 1), txData, sizeof(txData), HAL_MAX_DELAY) == HAL_OK) {
		//	HAL_GPIO_TogglePin(GPIOA, GPIO_PIN_3);
		//}

		//HAL_Delay(500);

		// Leer 4 bytes desde el esclavo
		//if (HAL_I2C_Master_Receive(&hi2c2, (0x54 << 1), rxData, sizeof(rxData), HAL_MAX_DELAY) == HAL_OK) {
		//	HAL_GPIO_TogglePin(GPIOA, GPIO_PIN_3);
		//}

		//HAL_Delay(500);
    /* USER CODE END WHILE */

    /* USER CODE BEGIN 3 */
	}
  /* USER CODE END 3 */
}

/**
  * @brief System Clock Configuration
  * @retval None
  */
void SystemClock_Config(void)
{
  RCC_OscInitTypeDef RCC_OscInitStruct = {0};
  RCC_ClkInitTypeDef RCC_ClkInitStruct = {0};

  /** Configure the main internal regulator output voltage
  */
  HAL_PWREx_ControlVoltageScaling(PWR_REGULATOR_VOLTAGE_SCALE1);

  /** Initializes the RCC Oscillators according to the specified parameters
  * in the RCC_OscInitTypeDef structure.
  */
  RCC_OscInitStruct.OscillatorType = RCC_OSCILLATORTYPE_HSE;
  RCC_OscInitStruct.HSEState = RCC_HSE_ON;
  RCC_OscInitStruct.PLL.PLLState = RCC_PLL_ON;
  RCC_OscInitStruct.PLL.PLLSource = RCC_PLLSOURCE_HSE;
  RCC_OscInitStruct.PLL.PLLM = RCC_PLLM_DIV4;
  RCC_OscInitStruct.PLL.PLLN = 25;
  RCC_OscInitStruct.PLL.PLLP = RCC_PLLP_DIV2;
  RCC_OscInitStruct.PLL.PLLQ = RCC_PLLQ_DIV6;
  RCC_OscInitStruct.PLL.PLLR = RCC_PLLR_DIV2;
  if (HAL_RCC_OscConfig(&RCC_OscInitStruct) != HAL_OK)
  {
    Error_Handler();
  }

  /** Initializes the CPU, AHB and APB buses clocks
  */
  RCC_ClkInitStruct.ClockType = RCC_CLOCKTYPE_HCLK|RCC_CLOCKTYPE_SYSCLK
                              |RCC_CLOCKTYPE_PCLK1|RCC_CLOCKTYPE_PCLK2;
  RCC_ClkInitStruct.SYSCLKSource = RCC_SYSCLKSOURCE_HSE;
  RCC_ClkInitStruct.AHBCLKDivider = RCC_SYSCLK_DIV1;
  RCC_ClkInitStruct.APB1CLKDivider = RCC_HCLK_DIV1;
  RCC_ClkInitStruct.APB2CLKDivider = RCC_HCLK_DIV1;

  if (HAL_RCC_ClockConfig(&RCC_ClkInitStruct, FLASH_LATENCY_1) != HAL_OK)
  {
    Error_Handler();
  }
}

/**
  * @brief FDCAN1 Initialization Function
  * @PAram None
  * @retval None
  */
static void MX_FDCAN1_Init(void)
{

  /* USER CODE BEGIN FDCAN1_Init 0 */

  /* USER CODE END FDCAN1_Init 0 */

  /* USER CODE BEGIN FDCAN1_Init 1 */

  /* USER CODE END FDCAN1_Init 1 */
  hfdcan1.Instance = FDCAN1;
  hfdcan1.Init.ClockDivider = FDCAN_CLOCK_DIV1;
  hfdcan1.Init.FrameFormat = FDCAN_FRAME_CLASSIC;
  hfdcan1.Init.Mode = FDCAN_MODE_NORMAL;
  hfdcan1.Init.AutoRetransmission = DISABLE;
  hfdcan1.Init.TransmitPause = DISABLE;
  hfdcan1.Init.ProtocolException = DISABLE;
  hfdcan1.Init.NominalPrescaler = 1;
  hfdcan1.Init.NominalSyncJumpWidth = 13;
  hfdcan1.Init.NominalTimeSeg1 = 86;
  hfdcan1.Init.NominalTimeSeg2 = 13;
  hfdcan1.Init.DataPrescaler = 25;
  hfdcan1.Init.DataSyncJumpWidth = 1;
  hfdcan1.Init.DataTimeSeg1 = 2;
  hfdcan1.Init.DataTimeSeg2 = 1;
  hfdcan1.Init.StdFiltersNbr = 1;
  hfdcan1.Init.ExtFiltersNbr = 0;
  hfdcan1.Init.TxFifoQueueMode = FDCAN_TX_FIFO_OPERATION;
  if (HAL_FDCAN_Init(&hfdcan1) != HAL_OK)
  {
    Error_Handler();
  }
  /* USER CODE BEGIN FDCAN1_Init 2 */
	FDCAN_FilterTypeDef sFilterConfig;

	sFilterConfig.IdType = FDCAN_STANDARD_ID;
	sFilterConfig.FilterIndex = 0;
	sFilterConfig.FilterType = FDCAN_FILTER_MASK;
	sFilterConfig.FilterConfig = FDCAN_FILTER_TO_RXFIFO0;
	sFilterConfig.FilterID1 = 0x000;
	sFilterConfig.FilterID2 = 0x7ff;

	if (HAL_FDCAN_ConfigFilter(&hfdcan1, &sFilterConfig) != HAL_OK) {
		Error_Handler();
	}

  /* USER CODE END FDCAN1_Init 2 */

}

/**
  * @brief FDCAN2 Initialization Function
  * @PAram None
  * @retval None
  */
static void MX_FDCAN2_Init(void)
{

  /* USER CODE BEGIN FDCAN2_Init 0 */

  /* USER CODE END FDCAN2_Init 0 */

  /* USER CODE BEGIN FDCAN2_Init 1 */

  /* USER CODE END FDCAN2_Init 1 */
  hfdcan2.Instance = FDCAN2;
  hfdcan2.Init.ClockDivider = FDCAN_CLOCK_DIV1;
  hfdcan2.Init.FrameFormat = FDCAN_FRAME_CLASSIC;
  hfdcan2.Init.Mode = FDCAN_MODE_NORMAL;
  hfdcan2.Init.AutoRetransmission = DISABLE;
  hfdcan2.Init.TransmitPause = DISABLE;
  hfdcan2.Init.ProtocolException = DISABLE;
  hfdcan2.Init.NominalPrescaler = 1;
  hfdcan2.Init.NominalSyncJumpWidth = 13;
  hfdcan2.Init.NominalTimeSeg1 = 86;
  hfdcan2.Init.NominalTimeSeg2 = 13;
  hfdcan2.Init.DataPrescaler = 25;
  hfdcan2.Init.DataSyncJumpWidth = 1;
  hfdcan2.Init.DataTimeSeg1 = 2;
  hfdcan2.Init.DataTimeSeg2 = 1;
  hfdcan2.Init.StdFiltersNbr = 1;
  hfdcan2.Init.ExtFiltersNbr = 0;
  hfdcan2.Init.TxFifoQueueMode = FDCAN_TX_FIFO_OPERATION;
  if (HAL_FDCAN_Init(&hfdcan2) != HAL_OK)
  {
    Error_Handler();
  }
  /* USER CODE BEGIN FDCAN2_Init 2 */
	FDCAN_FilterTypeDef sFilterConfig;

	sFilterConfig.IdType = FDCAN_STANDARD_ID;
	sFilterConfig.FilterIndex = 0;
	sFilterConfig.FilterType = FDCAN_FILTER_MASK;
	sFilterConfig.FilterConfig = FDCAN_FILTER_TO_RXFIFO1;
	sFilterConfig.FilterID1 = 0x000;
	sFilterConfig.FilterID2 = 0x7ff;

	if (HAL_FDCAN_ConfigFilter(&hfdcan2, &sFilterConfig) != HAL_OK) {
		Error_Handler();
	}

  /* USER CODE END FDCAN2_Init 2 */

}

/**
  * @brief I2C2 Initialization Function
  * @PAram None
  * @retval None
  */
static void MX_I2C2_Init(void)
{

  /* USER CODE BEGIN I2C2_Init 0 */

  /* USER CODE END I2C2_Init 0 */

  /* USER CODE BEGIN I2C2_Init 1 */

  /* USER CODE END I2C2_Init 1 */
  hi2c2.Instance = I2C2;
  hi2c2.Init.Timing = 0x10805D88;
  hi2c2.Init.OwnAddress1 = 0;
  hi2c2.Init.AddressingMode = I2C_ADDRESSINGMODE_7BIT;
  hi2c2.Init.DualAddressMode = I2C_DUALADDRESS_DISABLE;
  hi2c2.Init.OwnAddress2 = 0;
  hi2c2.Init.OwnAddress2Masks = I2C_OA2_NOMASK;
  hi2c2.Init.GeneralCallMode = I2C_GENERALCALL_DISABLE;
  hi2c2.Init.NoStretchMode = I2C_NOSTRETCH_DISABLE;
  if (HAL_I2C_Init(&hi2c2) != HAL_OK)
  {
    Error_Handler();
  }

  /** Configure Analogue filter
  */
  if (HAL_I2CEx_ConfigAnalogFilter(&hi2c2, I2C_ANALOGFILTER_ENABLE) != HAL_OK)
  {
    Error_Handler();
  }

  /** Configure Digital filter
  */
  if (HAL_I2CEx_ConfigDigitalFilter(&hi2c2, 0) != HAL_OK)
  {
    Error_Handler();
  }
  /* USER CODE BEGIN I2C2_Init 2 */

  /* USER CODE END I2C2_Init 2 */

}

/**
  * @brief GPIO Initialization Function
  * @PAram None
  * @retval None
  */
static void MX_GPIO_Init(void)
{
  GPIO_InitTypeDef GPIO_InitStruct = {0};
  /* USER CODE BEGIN MX_GPIO_Init_1 */

  /* USER CODE END MX_GPIO_Init_1 */

  /* GPIO Ports Clock Enable */
  __HAL_RCC_GPIOF_CLK_ENABLE();
  __HAL_RCC_GPIOA_CLK_ENABLE();
  __HAL_RCC_GPIOC_CLK_ENABLE();
  __HAL_RCC_GPIOB_CLK_ENABLE();

  /*Configure GPIO pin Output Level */
  HAL_GPIO_WritePin(GPIOA, GPIO_PIN_3|GPIO_PIN_5|GPIO_PIN_11|GPIO_PIN_12
                          |GPIO_PIN_15, GPIO_PIN_RESET);

  /*Configure GPIO pin : PA2 */
  GPIO_InitStruct.Pin = GPIO_PIN_2;
  GPIO_InitStruct.Mode = GPIO_MODE_IT_RISING;
  GPIO_InitStruct.Pull = GPIO_NOPULL;
  HAL_GPIO_Init(GPIOA, &GPIO_InitStruct);

  /*Configure GPIO pins : PA3 PA5 PA11 */
  GPIO_InitStruct.Pin = GPIO_PIN_3|GPIO_PIN_5|GPIO_PIN_11;
  GPIO_InitStruct.Mode = GPIO_MODE_OUTPUT_PP;
  GPIO_InitStruct.Pull = GPIO_NOPULL;
  GPIO_InitStruct.Speed = GPIO_SPEED_FREQ_LOW;
  HAL_GPIO_Init(GPIOA, &GPIO_InitStruct);

  /*Configure GPIO pin : PA4 */
  GPIO_InitStruct.Pin = GPIO_PIN_4;
  GPIO_InitStruct.Mode = GPIO_MODE_AF_PP;
  GPIO_InitStruct.Pull = GPIO_NOPULL;
  GPIO_InitStruct.Speed = GPIO_SPEED_FREQ_LOW;
  GPIO_InitStruct.Alternate = GPIO_AF2_TIM3;
  HAL_GPIO_Init(GPIOA, &GPIO_InitStruct);

  /*Configure GPIO pin : PA9 */
  GPIO_InitStruct.Pin = GPIO_PIN_9;
  GPIO_InitStruct.Mode = GPIO_MODE_ANALOG;
  GPIO_InitStruct.Pull = GPIO_NOPULL;
  HAL_GPIO_Init(GPIOA, &GPIO_InitStruct);

  /*Configure GPIO pins : PA12 PA15 */
  GPIO_InitStruct.Pin = GPIO_PIN_12|GPIO_PIN_15;
  GPIO_InitStruct.Mode = GPIO_MODE_OUTPUT_OD;
  GPIO_InitStruct.Pull = GPIO_NOPULL;
  GPIO_InitStruct.Speed = GPIO_SPEED_FREQ_LOW;
  HAL_GPIO_Init(GPIOA, &GPIO_InitStruct);

  /* USER CODE BEGIN MX_GPIO_Init_2 */

  /* USER CODE END MX_GPIO_Init_2 */
}

/* USER CODE BEGIN 4 */
/*
void HAL_FDCAN_RxFifo0Callback(FDCAN_HandleTypeDef *hfdcan, uint32_t RxFifo0ITs) {
	if ((RxFifo0ITs & FDCAN_IT_RX_FIFO0_NEW_MESSAGE) != 0) {
		if (HAL_FDCAN_GetRxMessage(hfdcan, FDCAN_RX_FIFO0, &RxHeader, RxData)
				== HAL_OK) {
			HAL_GPIO_TogglePin(GPIOA, GPIO_PIN_3); // Ejemplo: toggle LED en PA3
		}
	}
}*/

void HAL_FDCAN_RxFifo1Callback(FDCAN_HandleTypeDef *hfdcan, uint32_t RxFifo1ITs) {
	if ((RxFifo1ITs & FDCAN_IT_RX_FIFO1_NEW_MESSAGE) != 0) {
		if (HAL_FDCAN_GetRxMessage(hfdcan, FDCAN_RX_FIFO1, &RxHeader, RxData) == HAL_OK) {
			HAL_GPIO_TogglePin(GPIOA, GPIO_PIN_3);
		}
	}
}
/* USER CODE END 4 */

/**
  * @brief  This function is executed in case of error occurrence.
  * @retval None
  */
void Error_Handler(void)
{
  /* USER CODE BEGIN Error_Handler_Debug */
	/* User can add his own implementation to report the HAL error return state */
	__disable_irq();
	while (1) {
	}
  /* USER CODE END Error_Handler_Debug */
}
#ifdef USE_FULL_ASSERT
/**
  * @brief  Reports the name of the source file and the source line number
  *         where the assert_param error has occurred.
  * @PAram  file: pointer to the source file name
  * @PAram  line: assert_param error line source number
  * @retval None
  */
void assert_failed(uint8_t *file, uint32_t line)
{
  /* USER CODE BEGIN 6 */
  /* User can add his own implementation to report the file name and line number,
     ex: printf("Wrong parameters value: file %s on line %d\r\n", file, line) */
  /* USER CODE END 6 */
}
#endif /* USE_FULL_ASSERT */

 

1 ACCEPTED SOLUTION

Accepted Solutions
Onlywavesmdp
Associate II

Hi, sorry for the delay. We were able to solve the problem it actually wasn’t related to the STM configuration. The issue was with the ECU simulator, where a wrong setting caused it to send data at a baud rate of 1 Mb/s instead of 500 kb/s. Once that was fixed, both boards were able to communicate correctly.

Thanks a lot for your help and guidance!

View solution in original post

11 REPLIES 11
mƎALLEm
ST Employee

Hello @Onlywavesmdp and welcome to the ST community

1- Please attach your ioc file

2- You need also to share the schematics

3- Did you try the External Loopback mode? 

 

To give better visibility on the answered topics, please click on "Accept as Solution" on the reply which solved your issue or answered your question.

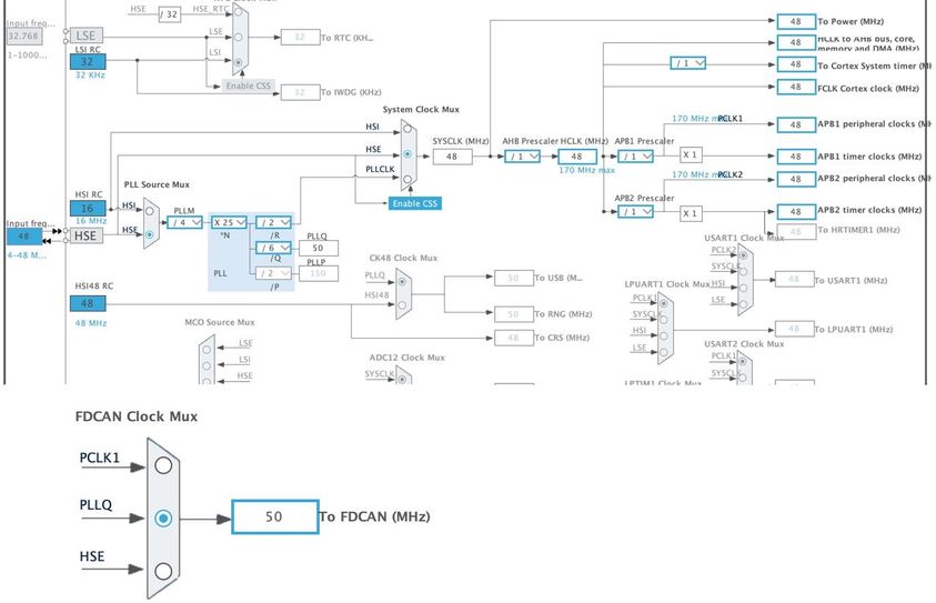
Question: why FDCAN clock > System clock frequency?

mALLEm_0-1760567941563.png

Increase the system clock. Let's say the max frequency at 170MHz using the PLL and keep the FDCAN clock set at 50MHz.

To give better visibility on the answered topics, please click on "Accept as Solution" on the reply which solved your issue or answered your question.

Hi @mƎALLEm , here I’m attaching the .ioc file.

#MicroXplorer Configuration settings - do not modify
CAD.formats=
CAD.pinconfig=
CAD.provider=
FDCAN1.AutoRetransmission=DISABLE
FDCAN1.CalculateBaudRateNominal=500000
FDCAN1.CalculateTimeBitNominal=2000
FDCAN1.CalculateTimeQuantumNominal=20.0
FDCAN1.DataPrescaler=25
FDCAN1.DataSyncJumpWidth=1
FDCAN1.DataTimeSeg1=2
FDCAN1.DataTimeSeg2=1
FDCAN1.IPParameters=CalculateTimeQuantumNominal,CalculateTimeBitNominal,CalculateBaudRateNominal,AutoRetransmission,NominalSyncJumpWidth,DataPrescaler,DataSyncJumpWidth,DataTimeSeg1,DataTimeSeg2,NominalPrescaler,NominalTimeSeg1,NominalTimeSeg2,Mode,StdFiltersNbr
FDCAN1.Mode=FDCAN_MODE_NORMAL
FDCAN1.NominalPrescaler=1
FDCAN1.NominalSyncJumpWidth=13
FDCAN1.NominalTimeSeg1=86
FDCAN1.NominalTimeSeg2=13
FDCAN1.StdFiltersNbr=1
FDCAN2.AutoRetransmission=DISABLE
FDCAN2.CalculateBaudRateNominal=500000
FDCAN2.CalculateTimeBitNominal=2000
FDCAN2.CalculateTimeQuantumNominal=20.0
FDCAN2.DataPrescaler=25
FDCAN2.DataSyncJumpWidth=1
FDCAN2.DataTimeSeg1=2
FDCAN2.DataTimeSeg2=1
FDCAN2.IPParameters=CalculateTimeQuantumNominal,CalculateTimeBitNominal,CalculateBaudRateNominal,AutoRetransmission,TransmitPause,NominalSyncJumpWidth,DataPrescaler,DataTimeSeg1,DataTimeSeg2,NominalPrescaler,NominalTimeSeg1,NominalTimeSeg2,ProtocolException,Mode,DataSyncJumpWidth,StdFiltersNbr
FDCAN2.Mode=FDCAN_MODE_NORMAL
FDCAN2.NominalPrescaler=1
FDCAN2.NominalSyncJumpWidth=13
FDCAN2.NominalTimeSeg1=86
FDCAN2.NominalTimeSeg2=13
FDCAN2.ProtocolException=DISABLE
FDCAN2.StdFiltersNbr=1
FDCAN2.TransmitPause=DISABLE
File.Version=6
GPIO.groupedBy=Group By Peripherals
I2C2.IPParameters=Timing
I2C2.Timing=0x10805D88
KeepUserPlacement=false
Mcu.CPN=STM32G473CEU3
Mcu.Family=STM32G4
Mcu.IP0=FDCAN1
Mcu.IP1=FDCAN2
Mcu.IP2=I2C2
Mcu.IP3=NVIC
Mcu.IP4=RCC
Mcu.IP5=SYS
Mcu.IPNb=6
Mcu.Name=STM32G473C(B-C-E)Ux
Mcu.Package=UFQFPN48
Mcu.Pin0=PF0-OSC_IN
Mcu.Pin1=PF1-OSC_OUT
Mcu.Pin10=PA12
Mcu.Pin11=PA13
Mcu.Pin12=PA14
Mcu.Pin13=PA15
Mcu.Pin14=PB5
Mcu.Pin15=PB6
Mcu.Pin16=PB8-BOOT0
Mcu.Pin17=PB9
Mcu.Pin18=VP_SYS_VS_Systick
Mcu.Pin19=VP_SYS_VS_DBSignals
Mcu.Pin2=PA2
Mcu.Pin3=PA3
Mcu.Pin4=PA4
Mcu.Pin5=PA5
Mcu.Pin6=PC4
Mcu.Pin7=PA8
Mcu.Pin8=PA9
Mcu.Pin9=PA11
Mcu.PinsNb=20
Mcu.ThirdPartyNb=0
Mcu.UserConstants=
Mcu.UserName=STM32G473CEUx
MxCube.Version=6.15.0
MxDb.Version=DB.6.0.150
NVIC.BusFault_IRQn=true\:0\:0\:false\:false\:true\:false\:false\:false
NVIC.DebugMonitor_IRQn=true\:0\:0\:false\:false\:true\:false\:false\:false
NVIC.FDCAN1_IT0_IRQn=true\:0\:0\:false\:false\:true\:true\:true\:true
NVIC.FDCAN2_IT0_IRQn=true\:0\:0\:false\:false\:true\:true\:true\:true
NVIC.ForceEnableDMAVector=true
NVIC.HardFault_IRQn=true\:0\:0\:false\:false\:true\:false\:false\:false
NVIC.MemoryManagement_IRQn=true\:0\:0\:false\:false\:true\:false\:false\:false
NVIC.NonMaskableInt_IRQn=true\:0\:0\:false\:false\:true\:false\:false\:false
NVIC.PendSV_IRQn=true\:0\:0\:false\:false\:true\:false\:false\:false
NVIC.PriorityGroup=NVIC_PRIORITYGROUP_4
NVIC.SVCall_IRQn=true\:0\:0\:false\:false\:true\:false\:false\:false
NVIC.SysTick_IRQn=true\:15\:0\:false\:false\:true\:false\:true\:false
NVIC.UsageFault_IRQn=true\:0\:0\:false\:false\:true\:false\:false\:false
PA11.Locked=true
PA11.Signal=GPIO_Output
PA12.GPIOParameters=GPIO_PuPd,GPIO_ModeDefaultOutputPP
PA12.GPIO_ModeDefaultOutputPP=GPIO_MODE_OUTPUT_OD
PA12.GPIO_PuPd=GPIO_NOPULL
PA12.Locked=true
PA12.Signal=GPIO_Output
PA13.Locked=true
PA13.Mode=Serial_Wire
PA13.Signal=SYS_JTMS-SWDIO
PA14.Locked=true
PA14.Mode=Serial_Wire
PA14.Signal=SYS_JTCK-SWCLK
PA15.GPIOParameters=GPIO_PuPd,GPIO_ModeDefaultOutputPP
PA15.GPIO_ModeDefaultOutputPP=GPIO_MODE_OUTPUT_OD
PA15.GPIO_PuPd=GPIO_NOPULL
PA15.Locked=true
PA15.Signal=GPIO_Output
PA2.Locked=true
PA2.Signal=GPXTI2
PA3.GPIOParameters=GPIO_PuPd,GPIO_ModeDefaultOutputPP
PA3.GPIO_ModeDefaultOutputPP=GPIO_MODE_OUTPUT_PP
PA3.GPIO_PuPd=GPIO_NOPULL
PA3.Locked=true
PA3.Signal=GPIO_Output
PA4.Locked=true
PA4.Signal=S_TIM3_CH2
PA5.Locked=true
PA5.Signal=GPIO_Output
PA8.GPIOParameters=GPIO_Speed
PA8.GPIO_Speed=GPIO_SPEED_FREQ_VERY_HIGH
PA8.Locked=true
PA8.Mode=I2C
PA8.Signal=I2C2_SDA
PA9.Locked=true
PA9.Signal=ADC5_IN2
PB5.GPIOParameters=GPIO_Speed,GPIO_PuPd
PB5.GPIO_PuPd=GPIO_PULLUP
PB5.GPIO_Speed=GPIO_SPEED_FREQ_VERY_HIGH
PB5.Mode=FDCAN_Activate
PB5.Signal=FDCAN2_RX
PB6.GPIOParameters=GPIO_Speed
PB6.GPIO_Speed=GPIO_SPEED_FREQ_VERY_HIGH
PB6.Locked=true
PB6.Mode=FDCAN_Activate
PB6.Signal=FDCAN2_TX
PB8-BOOT0.GPIOParameters=GPIO_Speed,GPIO_PuPd
PB8-BOOT0.GPIO_PuPd=GPIO_PULLUP
PB8-BOOT0.GPIO_Speed=GPIO_SPEED_FREQ_VERY_HIGH
PB8-BOOT0.Mode=FDCAN_Activate
PB8-BOOT0.Signal=FDCAN1_RX
PB9.GPIOParameters=GPIO_Speed,GPIO_PuPd
PB9.GPIO_PuPd=GPIO_NOPULL
PB9.GPIO_Speed=GPIO_SPEED_FREQ_VERY_HIGH
PB9.Locked=true
PB9.Mode=FDCAN_Activate
PB9.Signal=FDCAN1_TX
PC4.GPIOParameters=GPIO_Speed
PC4.GPIO_Speed=GPIO_SPEED_FREQ_VERY_HIGH
PC4.Locked=true
PC4.Mode=I2C
PC4.Signal=I2C2_SCL
PF0-OSC_IN.Locked=true
PF0-OSC_IN.Mode=HSE-External-Oscillator
PF0-OSC_IN.Signal=RCC_OSC_IN
PF1-OSC_OUT.Locked=true
PF1-OSC_OUT.Mode=HSE-External-Oscillator
PF1-OSC_OUT.Signal=RCC_OSC_OUT
PinOutPanel.RotationAngle=0
ProjectManager.AskForMigrate=true
ProjectManager.BackupPrevious=false
ProjectManager.CompilerLinker=GCC
ProjectManager.CompilerOptimize=6
ProjectManager.ComputerToolchain=false
ProjectManager.CoupleFile=false
ProjectManager.CustomerFirmwarePackage=
ProjectManager.DefaultFWLocation=true
ProjectManager.DeletePrevious=true
ProjectManager.DeviceId=STM32G473CEUx
ProjectManager.FirmwarePackage=STM32Cube FW_G4 V1.6.1
ProjectManager.FreePins=false
ProjectManager.HalAssertFull=false
ProjectManager.HeapSize=0x200
ProjectManager.KeepUserCode=true
ProjectManager.LastFirmware=true
ProjectManager.LibraryCopy=1
ProjectManager.MainLocation=Core/Src
ProjectManager.NoMain=false
ProjectManager.PreviousToolchain=
ProjectManager.ProjectBuild=false
ProjectManager.ProjectFileName=FirmwareCanXplorer.ioc
ProjectManager.ProjectName=FirmwareCanXplorer
ProjectManager.ProjectStructure=
ProjectManager.RegisterCallBack=
ProjectManager.StackSize=0x400
ProjectManager.TargetToolchain=STM32CubeIDE
ProjectManager.ToolChainLocation=
ProjectManager.UAScriptAfterPath=
ProjectManager.UAScriptBeforePath=
ProjectManager.UnderRoot=true
ProjectManager.functionlistsort=1-SystemClock_Config-RCC-false-HAL-false,2-MX_GPIO_Init-GPIO-false-HAL-true,3-MX_FDCAN1_Init-FDCAN1-false-HAL-true,4-MX_FDCAN2_Init-FDCAN2-false-HAL-true,5-MX_I2C2_Init-I2C2-false-HAL-true
RCC.ADC12Freq_Value=48000000
RCC.ADC345Freq_Value=48000000
RCC.AHBFreq_Value=48000000
RCC.APB1Freq_Value=48000000
RCC.APB1TimFreq_Value=48000000
RCC.APB2Freq_Value=48000000
RCC.APB2TimFreq_Value=48000000
RCC.CRSFreq_Value=48000000
RCC.CortexFreq_Value=48000000
RCC.EXTERNAL_CLOCK_VALUE=12288000
RCC.FCLKCortexFreq_Value=48000000
RCC.FDCANCLockSelection=RCC_FDCANCLKSOURCE_PLL
RCC.FDCANFreq_Value=50000000
RCC.FamilyName=M
RCC.HCLKFreq_Value=48000000
RCC.HRTIM1Freq_Value=48000000
RCC.HSE_VALUE=48000000
RCC.HSI48_VALUE=48000000
RCC.HSI_VALUE=16000000
RCC.I2C1Freq_Value=48000000
RCC.I2C2Freq_Value=48000000
RCC.I2C3Freq_Value=48000000
RCC.I2C4Freq_Value=48000000
RCC.I2SFreq_Value=48000000
RCC.IPParameters=ADC12Freq_Value,ADC345Freq_Value,AHBFreq_Value,APB1Freq_Value,APB1TimFreq_Value,APB2Freq_Value,APB2TimFreq_Value,CRSFreq_Value,CortexFreq_Value,EXTERNAL_CLOCK_VALUE,FCLKCortexFreq_Value,FDCANCLockSelection,FDCANFreq_Value,FamilyName,HCLKFreq_Value,HRTIM1Freq_Value,HSE_VALUE,HSI48_VALUE,HSI_VALUE,I2C1Freq_Value,I2C2Freq_Value,I2C3Freq_Value,I2C4Freq_Value,I2SFreq_Value,LPTIM1Freq_Value,LPUART1Freq_Value,LSCOPinFreq_Value,LSE_VALUE,LSI_VALUE,MCO1PinFreq_Value,PLLM,PLLN,PLLPoutputFreq_Value,PLLQ,PLLQoutputFreq_Value,PLLRCLKFreq_Value,PLLSourceVirtual,PWRFreq_Value,QSPIFreq_Value,RNGFreq_Value,SAI1Freq_Value,SYSCLKFreq_VALUE,SYSCLKSource,UART4Freq_Value,USART1Freq_Value,USART2Freq_Value,USART3Freq_Value,USBFreq_Value,VCOInputFreq_Value,VCOOutputFreq_Value
RCC.LPTIM1Freq_Value=48000000
RCC.LPUART1Freq_Value=48000000
RCC.LSCOPinFreq_Value=32000
RCC.LSE_VALUE=32768
RCC.LSI_VALUE=32000
RCC.MCO1PinFreq_Value=16000000
RCC.PLLM=RCC_PLLM_DIV4
RCC.PLLN=25
RCC.PLLPoutputFreq_Value=150000000
RCC.PLLQ=RCC_PLLQ_DIV6
RCC.PLLQoutputFreq_Value=50000000
RCC.PLLRCLKFreq_Value=150000000
RCC.PLLSourceVirtual=RCC_PLLSOURCE_HSE
RCC.PWRFreq_Value=48000000
RCC.QSPIFreq_Value=48000000
RCC.RNGFreq_Value=50000000
RCC.SAI1Freq_Value=48000000
RCC.SYSCLKFreq_VALUE=48000000
RCC.SYSCLKSource=RCC_SYSCLKSOURCE_HSE
RCC.UART4Freq_Value=48000000
RCC.USART1Freq_Value=48000000
RCC.USART2Freq_Value=48000000
RCC.USART3Freq_Value=48000000
RCC.USBFreq_Value=50000000
RCC.VCOInputFreq_Value=12000000
RCC.VCOOutputFreq_Value=300000000
SH.GPXTI2.0=ADC3_EXTI2
SH.GPXTI2.1=ADC5_EXTI2
SH.GPXTI2.ConfNb=2
SH.S_TIM3_CH2.0=TIM3_CH2
SH.S_TIM3_CH2.ConfNb=1
VP_SYS_VS_DBSignals.Mode=DisableDeadBatterySignals
VP_SYS_VS_DBSignals.Signal=SYS_VS_DBSignals
VP_SYS_VS_Systick.Mode=SysTick
VP_SYS_VS_Systick.Signal=SYS_VS_Systick
board=custom
isbadioc=false

I’m also including the schematic of the board. Both the EQ simulator made with Arduino and the development board itself have a 120 Ω termination resistor connected.

In this case, even though the 120 Ω resistor doesn’t appear in the schematic, it is connected in parallel between CAN H and CAN L.

The transceiver configuration and its connection to the STM were made according to the specifications described in their respective datasheets. The standby/mode pins have their corresponding logic levels set so that the transceiver operates correctly. The 3.3 V supply for the STM is provided directly by the ST-Link programmer.

Onlywavesmdp_0-1760578706193.png

Regarding your question about the external loopback mode: yes, we tested it using the same code. In our code, a red LED on the board turns on whenever a valid frame is received. When we run the system in external loopback mode, that red LED keeps blinking constantly, indicating that frames are being received correctly.

However, since external loopback mode allows us to observe the signal from the controller’s TX pin, we connected the oscilloscope and noticed that the waveform looks quite odd compared to when we send a CAN frame from the EQ simulator. The CAN signal we observe at the transceiver’s RX pin is completely different in timing compared to the signal seen at the TX pin when using external loopback mode.

As for the FDCAN clock frequency in relation to the system clock frequency, that was just part of our testing. We tried multiple frequency values, some lower than the system clock. For example, we tested the FDCAN clock at 8 MHz while the system clock was at 48 MHz, but the system still didn’t work.

Thanks a lot for your quick reply and for taking the time to help!

Hello,

1 In next time please attach the ioc file instead of copying its content.

Second,


@Onlywavesmdp wrote:

 

However, since external loopback mode allows us to observe the signal from the controller’s TX pin, we connected the oscilloscope and noticed that the waveform looks quite odd compared to when we send a CAN frame from the EQ simulator. The CAN signal we observe at the transceiver’s RX pin is completely different in timing compared to the signal seen at the TX pin when using external loopback mode.


2- As I understood from the statement above the Loopback mode is working but having strange behavior on Tx pin. 

What kind of oddity you have observed? Please post an oscilloscope screenshot.

3- Please change the system clock to be clocked from the PLL as the following:

mALLEm_0-1760604912485.png

So the system clock frequency is at 150MHz.

4- You said "The standby/mode pins have their corresponding logic levels set so that the transceiver operates correctly." Do you confirm you pulled low the STB pin of the transceiver by the MCU GPIO?

5- On which FDCAN instance you are observing the behavior?

 

To give better visibility on the answered topics, please click on "Accept as Solution" on the reply which solved your issue or answered your question.

Hi @mƎALLEm , i also configured the system clock as you suggested earlier, using the external 48 MHz HSE crystal and the FDCAN clock remains at 50 MHz.

Additionally, I’m attaching the oscilloscope captures we obtained from the TX pin when the FDCAN 1 is set to external loopback mode.

WhatsApp Image 2025-10-16 at 4.08.59 PM.jpeg

For comparison, I’m also attaching the signal observed on the transceiver’s RX pin when the ECU simulator sends data through the CAN bus.

WhatsApp Image 2025-10-16 at 4.12.22 PM.jpeg

This capture is mainly to emphasize what I mentioned earlier — the waveform has correct amplitude levels, but from a timing point of view, it does not look right.

In the code we are using, both FDCAN1 and FDCAN2 controllers are configured. The external loopback mode was applied to FDCAN1.


@Onlywavesmdp wrote:

Hi @mƎALLEm , i also configured the system clock as you suggested earlier, using the external 48 MHz HSE crystal and the FDCAN clock remains at 50 MHz.

 


Here you didn't mention what System clock you set.. 150MHz?

For the screenshots are not clear to me. I cannot see nothing weird. What kind of comparison we need to do between both screenshots? are both showing the same exact frame with different timing or what?

Do you have a CAN analyzer? better to use a CAN analyzer.

To me what you have to see:

On CAN Tx from STM32 side, the frame sent. On the Tx pin of ECU, you need to see an acknowledgement bit.

So what you have to do is to show on the oscilloscope on the same screenshor using two oscillo channels:

1- CAN Tx pin of STM32

2- CAN_Tx pin of that ECU.

See how to analyze the CAN frame in this article / especially the section: 3.3 Discussion on the captured CAN frames.

To give better visibility on the answered topics, please click on "Accept as Solution" on the reply which solved your issue or answered your question.

Your bit timing doesn't look correct. Typically SJW should be 1 but you have 13. Not sure how that is possible as CubeMX doesn't have the option to change the SJW.

Try these values with FDCAN clock at 50MHz

KarlYamashita_0-1760658556626.png

 

  

If a reply has proven helpful, click on Accept as Solution so that it'll show at top of the post.
CAN Jammer an open source CAN bus hacking tool
CANableV3 Open Source


@Karl Yamashita wrote:

Not sure how that is possible as CubeMX doesn't have the option to change the SJW.  


NSJW and DSJW are configurable in CubeMx

mALLEm_1-1760687811807.png

 

 

To give better visibility on the answered topics, please click on "Accept as Solution" on the reply which solved your issue or answered your question.

@Karl Yamashita wrote:

Typically SJW should be 1 but you have 13. Not sure how that is possible as CubeMX doesn't have the option to change the SJW.  


Discussion continuation here regarding this point.

To give better visibility on the answered topics, please click on "Accept as Solution" on the reply which solved your issue or answered your question.