cancel
Showing results for 
Search instead for 
Did you mean: 

STM32U535 'Q' SMPS usage

Rob Ashworth
Senior

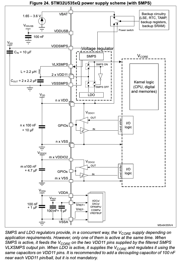
Because there appear to be little/no stock of the STM32U535CEU (QFN Version) I'm left with a dilemma of whether to use the built in SMPS.  Some documentation in another post describes how to connect up when not using it but how do you switch between using the LDO and the SMPS?  I can't see any options in the CUBE IDE .ioc file...

STM32U535 SMPS.png

This discussion is locked. Please start a new topic to ask your question.
1 ACCEPTED SOLUTION

Accepted Solutions
Uwe Bonnes
Chief

In most cases, a view in the datasheet and the reference manual will clear things up. It seem the PWR->CR3 Bit 1 REGSEL switches between LDO and SMPS. Default is LDO mode.

View solution in original post

2 REPLIES 2
Uwe Bonnes
Chief

In most cases, a view in the datasheet and the reference manual will clear things up. It seem the PWR->CR3 Bit 1 REGSEL switches between LDO and SMPS. Default is LDO mode.

Thanks, that's awesome.  I'm a bit lazy otherwise I would have resorted to the manual.  The info is not in the data sheet as far as I can tell.

I did a bit more digging myself, and found the register.  Also I found where to set it in CubeIDE, which I hadn't spotted.

U5 SMPS setting.png