cancel
Showing results for 
Search instead for 
Did you mean: 

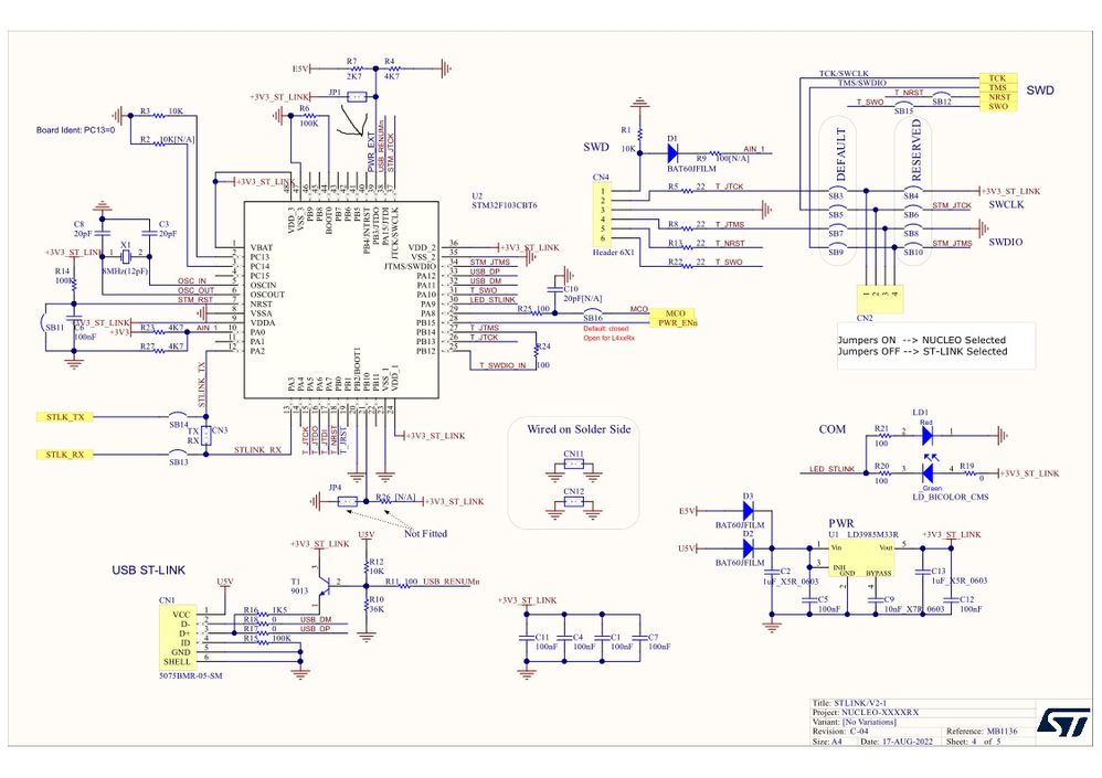
whats the PWR_EXT on the Nucleo stlink the one thats connected to JP1 its PIN 39 on the stlink's mcu

Franksterb92
Senior

0693W00000aJHHaQAO.jpg

This discussion is locked. Please start a new topic to ask your question.
1 ACCEPTED SOLUTION

Accepted Solutions
Peter BENSCH
ST Employee

You can find the explanation in UM1724, section 6.3.1, where JP1 refers to this, even if the network name PWR_EXT is not explicitly mentioned.

Does it answer your question?

Regards

/Peter

In order to give better visibility on the answered topics, please click on Accept as Solution on the reply which solved your issue or answered your question.

View solution in original post

6 REPLIES 6
Peter BENSCH
ST Employee

You can find the explanation in UM1724, section 6.3.1, where JP1 refers to this, even if the network name PWR_EXT is not explicitly mentioned.

Does it answer your question?

Regards

/Peter

In order to give better visibility on the answered topics, please click on Accept as Solution on the reply which solved your issue or answered your question.
Franksterb92
Senior

oh so its a current limit from the USB Source interesting ill tell ya coming from arduino to stm32 is like minor league to professional lol

Yes, there are a few more things to consider, but this is made somewhat easier by tools such as STM32CubeMX.

If the problem is solved, please mark this thread as answered by selecting Select as best, as also explained here. This will help other users find that answer faster.

Good luck!

/Peter

In order to give better visibility on the answered topics, please click on Accept as Solution on the reply which solved your issue or answered your question.
Franksterb92
Senior

i have another question it might be a bug actually i posted it its about debug the sfr tab is missing some registers in rcc apb2enr

You probably mean the question asked in this thread?

This is already in progress.

Regards

/Peter

In order to give better visibility on the answered topics, please click on Accept as Solution on the reply which solved your issue or answered your question.

lol thats me that asked that sorry im a forum noob