cancel
Showing results for 
Search instead for 
Did you mean: 

Problem with ST25R Antenna Matching Tool

CT-55555
Senior

 Hello everyone,

for my project I am using the X-Nucleo-NFC08A1 board. In addition, I am using an external antenna that I operate differentially. The antenna is connected to the board via an SMA connector. I know that I should also adjust the matching network to the antenna. For this, I wanted to use the ST25R Antenna Matching Tool, but I have a few problems determining the appropriate antenna parameters. I have also already read out the antenna via a VNA. :

 

MicrosoftTeams-image.png

The aim of the design is to match the antenna with the matching network to 50R at a frequency of 13.56 MHz, right?

This discussion is locked. Please start a new topic to ask your question.
1 ACCEPTED SOLUTION

Accepted Solutions
Travis Palmer
ST Employee

Hello CT-55555,

AAT principle is to change the resonance frequency of the antenna by changing the parallel cap connected to the antenna. With a cable (single ended with cable topology) in between this is not possible, because only the matching circuit for transforming from target matching impedance to 50Ohm is on the same PCB. The antenna is most likely on another PCB. 

It would be possible if you have an additional line and VCC's (voltage controlled capacitors). You could then adjust the 50Ohm matching of the antenna itself (similar like on the differential matching).

2023_12_01_00_41_56_ST25R_Antenna_Matching_Tool_release_V3.6.2.0_.png

You could also AC / DC couple the VCC controll line and NFC signal on the coax cable and extract it on the other side again. ( NFC Signal = AC, VCC bias voltage = DC). But the VCC signal must be filtered quite nicely i guess, otherwise you could get issues during FCC testing.

The Equivalent circuit of a coaxial cable looks like this:

image.png

Which I think is causing the un-symetrical wave shapes if also the shield is driven with the NFC signal. 

I did not yet have time to run some simulations about that, but the signal line has R + L in series, where the shield does not. So my assumption is, if you have a differential signal on both of the lines, the impedance of both lines are different and the sinus signal looks different (not differential anymore) on each line.

 

br Travis

View solution in original post

12 REPLIES 12
Travis Palmer
ST Employee

Hello CT-55555,

Your antenna is quite de-tuned. The resonance frequency of the LC tank is too low.

I assume the parallel capacitor is too big.

There are dedicated antenna design appnotes for each product. 

For example AN5276 for the ST25R3916B. It describes how to do the antenna matching and what aspects to respect. The antenna matching tool provides the required calculation for the products and different topologies (differential, single ended, single ended with cable (50Ohm)). Additional information can be found here:

https://www.st.com/en/nfc/st25r3916b.html#documentation

To follow the process described in the antenna design application note, you should first disconnect the antenna and measure its parameter. Afterwards you input the antenna parameter into the tool.

The target matching impedance is setting the output power / power consumption. It is chosen based on your application and requirements (available power budget). 

BR Travis

 

Hello Travis Palmer, 

first of all thank you for you're answer. The picture shows the characteristics pf my antenna and its selfmade, so I dont have any data information. I followed the application notes and tried to use the tuning circuit calculator but the self-resonance-frequency is to low and I am not able to calculate the values of the other Devices. I tried to change some values to see what happens. The best version I got was this. Kepp in mind my antenna is connected to the circuit with long cable. 

CT55555_2-1700727322563.png

CT55555_3-1700727332495.png

I changed C305 and C308 from 680pF to 330pF and added  an extra resistor with 22 Ohm. Am I on the right track or have I neglected something? I try to do some fine tuning to get a better impendace. I also want to ask if there is a problem with the extra resistor because I will lose some power on it ?

Best Regards 

 

 

 

Additional with the help of the VNA i measured the antenna with the cable so the first picture of the post shows boath together.

 

 

Hello CT-55555,

 

There is something strange with your VNA plot.

Typically for low frequencies the antenna is a short. So it starts in the left real axe origin of the smith chart. Its self resonance is then on the very right side of the real axe. 

image.png  Your VNA plot looks different. Either you have an antenna with a very high Inductance value (the self resonance is already below your measurement range, or there is no DC path between the antenna ports - like a 50Ohm antenna.

image.png

 

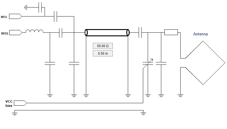
If your antenna already has a series and parallel capacitor on the PCB, then it is (most likely) already tuned to 50Ohm and this matching topology cannot be used.  You then have to change the matching topology to "single ended with cable". (most of the footprints can be re-used).

If this is the case you can use the following schematic:

image.png

Good news: you might not need to care about the red marked components since those are already defined by your antenna. You can start assembling the green marked components. Based on the Q-factor you might have to adapt the orange components based on the antenna design application note.

please let me know if this helped.

 

br Travis

 

Hello Travis Palmer, 

I think i need to explain the exact set up for the test. 

CT55555_0-1700743536446.png

I modified the NFC08A1 board with two extra SMA sockets. One ist connected on RFO1 and RFO2 and the other one is connected to ANT1 and ANT2( Both came after the resistor of R300 and R302). Their is my first problem I dont know if their are significant misstakes maken by me because I use the shielding of the SMA socket for Data. 

After changing some values on the matching circuit of the NFC08A1 i was able to change the impendace. Its more like try and error but I got some changes. This is the best I got. The smith chart shows the impendace of the antenna with the cable and the matching circuit. 

CT55555_1-1700744447584.png

 

Is this the right way or am I wrong? The differential antenna design has the big advantage that the transfered power is higher or is this false. I also want to keep the variable capacitors for the AAT. 

 

Best Regards 

 

 

Hello CT-55556,

In general you approach is correct.

maybe driving the coax cable differential could be a problem. I have seen in the past unsymmetrical wave shapes when using this approach. I think this is due to the equivalent circuit of the coax cable. Nevertheless the way you did it is correct. 

At a target matching impedance of 50Ohm, the output power should be already very little. This you could also achieve single ended. 

Please see AN5592 ST25R single ended antenna matching.

I think AAT cannot be used in combination with a coaxial cable - especially if you have a 50Ohm antenna.

You could also try to use a twisted pair cable. The problem i see here, is that you cannot guarantee a constant characteristic impedance over the cable length and across different devices. Every cable will be twisted slightly different, which will cause slightly different matchings / smith charts / performance.  

Maybe you try first without and later add AAT. 

Can you please share a picture of your antenna? Inside the AN you can see a picture of our self made 50Ohm antenna.

I would recommend you to follow the AN5592 first -  you can do your own 50Ohm antenna - and see its performance. Once running you can try out different solutions and benchmark against it. 

You can measure the antenna parameter without cable and just put it into the antenna matching tool. this should be straight forward.

please feel free to share further results and your experience.

 

br Travis

Hello Travis Palmer, 

thank you very much for you're help. I assume you think the best idea is to use the single ended antenna matching with a cable ? What about the performance is their a big differenceor not. 

And you said with at a target matchin impedance of 50 Ohm the output power will be very little. Does it help if you reduce the impedance to a lower value ? But if i decrease the value the information loss will be higher. 

Best Regards 

Hello CT-55555,

 

We did compare the performance between differential, single ended and single ended with cable in the application note AN5592. We compared same sized antennas (ST25R3916-DISCO antenna size was used) with different default configurations.

 

The beauty of the single ended with cable solution is, that you still can choose the target matching impedance, but the antenna itself has 50Ohm. 

A normal single ended or differential antenna translates from target matching impedance (e.g. 15 Ohm) to the antenna inductance (e.g. 886nH).

In case of single ended with cable, the matching translates from target matching impedance ( e.g. 8Ohm) to 50Ohm. Afterwards again from 50Ohm to antenna inductance (e.g. 886nH).

Matching topologies and calculations are explained inside the AN5592.

BR Travis

Hello Travis Palmer, 

thank you for you're help i will try the method using the single ended with cable. 

I dont really understand why the differential antenna doesn't work with the SMA sockets. You said something about the unsymmetrical wave shapes and why does the AAT doesn't work with a long cable. I read the An5592 and the explanation is very short are their any articles that explain the problem or can you provide a good explaination. 

Again thank you for you're help.

Best regards