cancel
Showing results for 
Search instead for 
Did you mean: 

Problem in executing the aek-pow bmslv demo fle

antonio0101
Associate II

antonio0101_0-1757431263555.png

antonio0101_1-1757431285376.png

I have a problem when I try to follow the demo procedure step by step to test if the aek pow board reads the battery pack. I wanted to ask how I can solve this and I would like to know how to understand if the board has correctly gone into debug mode after the switch procedure.

13 REPLIES 13

Sorry if I'm only answering you now, but what if I want to use the integrated shunt directly?

I connected the negative of the battery pack to cell 00, then the positive of the first cell to cell 01, then the other one to cell 02, the other one to cell 03, then I short-circuited up to cell 13 and connected the last positive to cell 14, connecting on one side of the shunt the negative of my charger and on the other side of the metal shunt the negative of the battery pack and cell 00.A39AAEBC-2695-4B63-B408-865A76C79F44.png


@antonio0101 wrote:

Sorry if I'm only answering you now, but what if I want to use the integrated shunt directly?


You are using it directly.


@antonio0101 wrote:

I connected the negative of the battery pack to cell 00...


I believe you lack some basic knowledge related to this board.
Take a look to the User guide for further details: → How to use AEK-POW-BMSLV

Then please, follow the direction already shared:


@SRomeo wrote:

1) Mount R135 (default Not Mounted)
2) Mount R138 (default Not Mounted)
3) Remove R136
4) Connect CELL_00 to  EXT_I_SENSE_P
5) Connect CELL_GND to EXT_I_SENSE_M


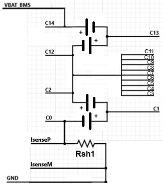
Warning: If you want to use only 4 cells (minimal configuration) instead of 14, make sure to short C11÷C3 together. L9963E device always requires the top 2 and the bottom 2 batteries of the pack.

So you have to modify your scheme as follow:

SRomeo_0-1759150329502.png


Below the Connectors J6 and J5 for knowledge:

SRomeo_2-1759150940024.png

BR,
Simone
AEK_team

 



antonio0101
Associate II

OK, I changed the connections as you told me. As for the cell connections to the board, I'm fine. But now I don't understand why I have to fit those R135 and R138 resistors and what values ​​they must have to use the internal shunt. Can't I just put the shunt (and therefore the metal plate) in series with the negative line of the battery?
I'm a bit confused. The manual says that the internal shunt is Rsh1, or the metal plate. If I put the negative of the charger on one side, and on the other side I put cell00 and the negative of the battery pack, it should measure the current correctly.