cancel
Showing results for 
Search instead for 
Did you mean: 

Problem in executing the aek-pow bmslv demo fle

antonio0101
Associate II

antonio0101_0-1757431263555.png

antonio0101_1-1757431285376.png

I have a problem when I try to follow the demo procedure step by step to test if the aek pow board reads the battery pack. I wanted to ask how I can solve this and I would like to know how to understand if the board has correctly gone into debug mode after the switch procedure.

1 ACCEPTED SOLUTION

Accepted Solutions

@antonio0101 wrote:

Sorry if I'm only answering you now, but what if I want to use the integrated shunt directly?


You are using it directly.


@antonio0101 wrote:

I connected the negative of the battery pack to cell 00...


I believe you lack some basic knowledge related to this board.
Take a look to the User guide for further details: → How to use AEK-POW-BMSLV

Then please, follow the direction already shared:


@SRomeo wrote:

1) Mount R135 (default Not Mounted)
2) Mount R138 (default Not Mounted)
3) Remove R136
4) Connect CELL_00 to  EXT_I_SENSE_P
5) Connect CELL_GND to EXT_I_SENSE_M


Warning: If you want to use only 4 cells (minimal configuration) instead of 14, make sure to short C11÷C3 together. L9963E device always requires the top 2 and the bottom 2 batteries of the pack.

So you have to modify your scheme as follow:

SRomeo_0-1759150329502.png


Below the Connectors J6 and J5 for knowledge:

SRomeo_2-1759150940024.png

BR,
Simone
AEK_team

 



View solution in original post

13 REPLIES 13
SRomeo
ST Employee

Hi Antonio,

To enter in Debug mode with your AEK-POW-BMSLV you need to configure SW2_1 pin shortly after board powerup. This procedure is very tricky, especially when a battery pack is connected.

To simplify it I suggest connecting the board as follow to a power supply:

SRomeo_0-1757593952971.png

SRomeo_2-1757594326520.png


Then follow these steps:
1) Powe-up the board.
2) move the SW2_1 pin 

from this state: (pin1 state 1) SRomeo_3-1757594607189.png

To this state: (pin1 state 2)     SRomeo_5-1757594844278.png
Now you should have entered "Debug mode"
3) Import the BMSLV project
I.E.     SPC58EC - AEK_POW_BMSLV application for discovery
4) Click on Debug configuration

SRomeo_8-1757595790943.png

to configure and flash your device.

Make sure to check your configuration setup.
"Main", Debugger", "Startup" and "SVD" tabs have to be configured correctly
(Screens attached)

Board correct behavior resembles this:

SRomeo_9-1757596137800.png

With:
D15 -> blinking
DS2 and DS3 -> ON
DS4, DS5, DS6 and DS7 -> blinking alternatively


Best regards,
Simone
AEK_team

 

Hi, in the last few days I managed to get the debugging to work without making power connections on the J6 and J5 connectors, simply by modifying some paths that were not preset, the ones you also sent me in the zip folder. I wanted to ask you if the demo file writes to the serial port or not? Do you have any example code that allows me to test if the serial port reads and works?

SRomeo
ST Employee

Hi
Actually, no USER serial ports are wired from SPC58EC micro to BMSLV connectors.

It is not possible to send data via serial using this board.

What you can do instead is to read BMS data via CAN from another micro board (i.e. AEK-MCU-C4MINI), and then write this data to USB port.

If I use the aek mcu spc5lnk programmer can I try to read the serial directly or do I always have to use the can, it's not clear to me?

SRomeo
ST Employee

No, you cannot

BestRegards

Do you know where I can find the dbc file to decrypt the CAN bus messages?

SRomeo
ST Employee

Here it is.
I'll share also the .dbc


Best regards
Simone

Hi, now it works well, the only thing I read is a current value that is always negative even if I charge the cells with the battery charger, I connected the negative of the battery pack from side 1 of the shunt, from side 2 cell_00 and the negative of the power supply that charges the batteries, but nothing happens.

antonio0101_0-1758119629260.png

 

SRomeo
ST Employee

Hi there,
The default configuration of our AEK-POW-BMSLV board have the "Current Sensing" section disconnected. (J6 pin 9 and 10 disconnected). 

SRomeo_12-1758872898581.png

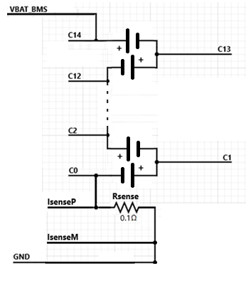
To make use of it you should connect the R-shunt resistor to your battery pack, using a scheme similar to the following:

SRomeo_5-1758872464062.png
To do that, starting from the default BMSLV board you should:
1) Mount R135 (default Not Mounted)
2) Mount R138 (default Not Mounted)
3) Remove R136
4) Connect CELL_00 to  EXT_I_SENSE_P
5) Connect CELL_GND to EXT_I_SENSE_M

SRomeo_0-1758876663612.png


This way you'll be able to measure BatteryPack current.

Best Regards,
Simone Romeo
AEK_Team