cancel
Showing results for 
Search instead for 
Did you mean: 

Clock Configuration Issue after STM32CubeIDE 1.15.1

eos1d3
Associate III

I am using STM32G030/STM32G031. After upgrading to STM32CubeIDE 1.15.1, when I click .ioc files and it will ask for two options:

Screenshot 2024-05-07 at 2.44.01 AM.png

If I choose Continue, Clock Configuration still works fine. 

Screenshot 2024-05-07 at 2.46.38 AM.png

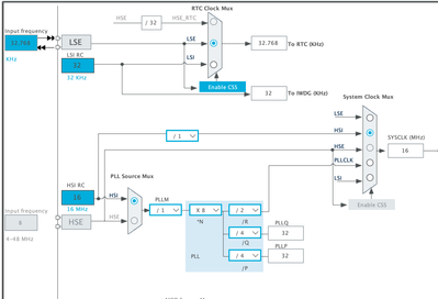
 But If I choose Migrate, clock settings have error and I can't set to original values.

Screenshot 2024-05-07 at 2.48.13 AM.png

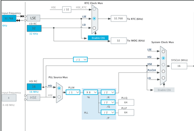
 Using Resolve Clock Issue, the settings are changed and not possible to set to orignal values.

Screenshot 2024-05-07 at 2.49.41 AM.png

 Please confirm which version is correct. Thanks!

 

 

This discussion is locked. Please start a new topic to ask your question.
2 REPLIES 2
AScha.3
Super User

If you go with mouse cursor to the red marked field, you get info : whats wrong here. Look.

+

You have the system/core at 16MHz , so maybe not allowed to set some peripherals to 64M.

Try with setting the system/core to 64 M. And then...?

 

+

Old version might not check for this limitation - so you get the "not allowed..red" only in newer version.

If you feel a post has answered your question, please click "Accept as Solution".

I think it IS a bug.

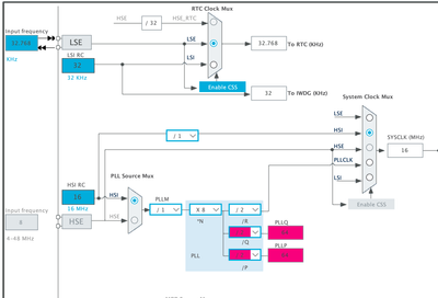
In version 1.15.1, PLLQ is always enabled. You can see the screen capture above, the PLLQ box is not dim.

But using 1.14.1, it is dim and disabled and with unavailable message.

Screenshot 2024-05-07 at 04.22.56.png