cancel
Showing results for 
Search instead for 
Did you mean: 

Using QSPI PSRAM with a STM32-H753 is that possible?

dvir1092
Associate II

Hello,

I am in the process of designing a product which is based on the STM32-H753 and requires P/SRAM.

However, I'm concerned the H753 might not support on PSRAM with QSPI, I need the PSRAM for write/read.

I haven't found any application notes or examples from ST showing connection QSPI PSRAM into the STM32  only for FMC or OCTOSPI Flash.

Has anyone successfully used QSPI PSRAM with STM32H7 ?

Are the specific requirements or limitation I should be aware of ?

(attached reference images for context):

dvir1092_0-1763279213620.pngdvir1092_1-1763279246874.png

 

5 REPLIES 5
AScha.3
Super User

Hi,

The STM32H753 microcontroller features a Quad-SPI (QSPI) memory interface designed specifically for Single, Dual, or Quad-SPI flash memories. This interface supports up to 256 Mbytes of external flash memory and can operate in direct, polling, or memory-mapped modes. However, the official documentation does not mention support for PSRAM (Pseudo-Static RAM) or other non-flash memories via the QSPI interface. The QSPI is intended for flash memory only, and there is no indication that it can be used for PSRAM or RAM chips.

+

For connecting PSRAM to the STM32H753, the recommended interface is the Flexible Memory Controller (FMC). The FMC is designed to support static-memory mapped devices, including PSRAM, and can handle up to 4 memory banks. It offers features such as independent chip select and configuration for each bank, and supports 8-, 16-, and 32-bit data bus widths. This makes the FMC the appropriate choice for interfacing PSRAM with the STM32H753.

+

Maybe other idea: look at the H7S3 /7 series with xspi :

AScha3_0-1763281523184.png

 

If you feel a post has answered your question, please click "Accept as Solution".

I Can't understand you sorry, 

If I'm using QSPI for connecting PSRAM why the MCU cares about who connect to him? the MCU communicate with PSRAM on QSPI interface and that's all? I don't need it to be memory mapped, just to store data .

this is the PSRAM

66-67WVS4M8ALL-BLL.pdf

Ok, i see,could work, so read :  AN4760

https://www.st.com/resource/en/application_note/an4760-quadspi-interface-on-stm32-microcontrollers-and-microprocessors--stmicroelectronics.pdf

+

I would do a real test: if you have a nucleo board with H7xx , connect a small so8 adapter with short wires and test it,

with the issi PSRAM . Not much effort , but then you know it 100% .

If you feel a post has answered your question, please click "Accept as Solution".

ok thank you,

just want to connect it as "device" and we need driver, etc..

 

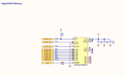
What i found: see MB1520b , H735I board :

AScha3_0-1763285539496.png

with S70KL1281DABHI023

S70KL1281DABHI023 is a 128 Mb HyperRAM™ with DDR, 100 MHz clock, and 3.0 V I/O. 

>

https://gist.github.com/thomask77/c65d7d1017e88ae0dd47d8b416fef0cb

+

https://www.st.com/resource/en/application_note/an5188-external-memory-code-execution-on-stm32f7x0-value-line-stm32h750-value-line-stm32h7b0-value-line-and-stm32h730-value-line-mcus-stmicroelectronics.pdf

external SDRAM, external SRAM or external OSPI-RAM for code execution

+

Maybe other idea: look at the H7S3 /7 series with xspi :

AScha3_1-1763285971834.png

 

 

If you feel a post has answered your question, please click "Accept as Solution".