cancel
Showing results for 
Search instead for 
Did you mean: 

STM32H533RET6 – Should VSSA be directly connected to GND or via an inductor?

MERSI
Associate III

Hi everyone,

I’m currently designing a board using an STM32H533RET6 and I have a question regarding the VSSA pin connection.

Should VSSA be tied directly to GND (VSS) like the other ground pins, or should there be an inductor (L) placed between VSSA and VSS, as shown in the schematic below [see image]?

I couldn’t find any explicit recommendation about this in the datasheet or reference manual. However, I’ve noticed that some older designs used an inductor between VSSA and VSS.

Personally, I would tend to connect VSSA directly to GND (= other VSS Pins) and leave out the inductor, unless there’s a clear benefit to including it.

Has anyone here implemented the STM32H5 series and can confirm the recommended approach?

Thanks in advance for your insights!

 

MERSI_0-1760529183652.png

 

1 ACCEPTED SOLUTION

Accepted Solutions
Issamos
Lead III

Hello @MERSI 

The STM32H533RET6 is the MCU used on the NUCLEO-H533RE. And in this design, VSSA is connected to the GND Directly:

Issamos_0-1760531519250.png

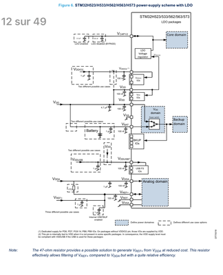
Also, referring to the figure 6 of the AN5711, the VSSA is directly connected to the ground:

Issamos_1-1760531668554.png

Best Regards.

II

View solution in original post

1 REPLY 1
Issamos
Lead III

Hello @MERSI 

The STM32H533RET6 is the MCU used on the NUCLEO-H533RE. And in this design, VSSA is connected to the GND Directly:

Issamos_0-1760531519250.png

Also, referring to the figure 6 of the AN5711, the VSSA is directly connected to the ground:

Issamos_1-1760531668554.png

Best Regards.

II