cancel
Showing results for 
Search instead for 
Did you mean: 

STM32L562 EDK and USB PD

NITHIN
Associate III

Hi Team,

I have STM32L562 EDK with me , and can i make a USB PD application with that alone ?, or should i buy x-nucleo-snk1m1 which has TCPP01 for port protection?

Expecting a quick reply

Thanks in advance

Nithin

This discussion is locked. Please start a new topic to ask your question.
1 ACCEPTED SOLUTION

Accepted Solutions
Nicolas P.
ST Employee

Hello @NITHIN 

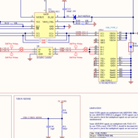
No need to buy a shield, the TCPP01 is already on the STM32L562E-DK

NicolasP_0-1715698704786.png

And as @FBL pointed out, there is already a firmware project available.

 

Regards,

Nicolas

View solution in original post

4 REPLIES 4
FBL
ST Employee

Hi @NITHIN 

Check this example STM32CubeL5/Projects/STM32L562E-DK/Applications/USB-PD/USB-PD_Consumer_1port at master · STMicroelectronics/STM32CubeL5 (github.com)

 

To give better visibility on the answered topics, please click on Accept as Solution on the reply which solved your issue or answered your question.




Best regards,
FBL
Nicolas P.
ST Employee

Hello @NITHIN 

No need to buy a shield, the TCPP01 is already on the STM32L562E-DK

NicolasP_0-1715698704786.png

And as @FBL pointed out, there is already a firmware project available.

 

Regards,

Nicolas

NITHIN
Associate III

Hello @Nicolas P.  and hello @FBL ,

Thanks for the quick and precise reply.

One more doubt, Can i take advantage of the inbuilt screen for monitoring the power consumption via USB PD?

Thanks in advance

Nithin

Nicolas P.
ST Employee

Hello @NITHIN,

You want to display board power consumption on inbuilt screen ?

It would perhaps increase the power consumption a bit ? How precise do you want to be ?

And what do you mean power consumption via USBPD ?

If you want to have the details of the power delivery contract, you can have that on the UCPD monitor.

Are you aware of this tool (wiki link)

You can display VBUS voltage and current :

NicolasP_0-1715759774427.png

Or even use the trigger button to display some info in the trace : see this part of the wiki