cancel
Showing results for 
Search instead for 
Did you mean: 

STM32N6570-D: Is XSPI/OSPI for memory only, or also external peripherals?

MownishBugatha
Associate III

Does the STM32N6570-DK board support XSPI/OSPI interfaces for communication with external peripherals, or are these interfaces limited only to internal or external memory devices?

For example, if there is a Device that supports OSPI/XSPI for communication, is it possible to connect the STM32N6570-DK board to such a device to enable data exchange?

Could you please provide a clear explanation of the capabilities and practical use cases of the OSPI/XSPI interface on the STM32N6570-DK board?

1 ACCEPTED SOLUTION

Accepted Solutions

As I said it's a bad idea to connect external devices over the board's connectors with XSPI/OSPI especially at 200MHz. That won't work especially when doing connection with wires.

You may face issues with the memory communication / data corruption due to the signal integrity at higher frequencies.

The connectors on the board contains other alternate functions not only XSPI/OSPI that's why they are exposed.

To answer your question: the only signal that makes a memory available on the bus is its chip select. Generally speaking, if the the chip select is already hardwired on the board to the memory, you cannot use that interface even all the signals are exposed externally off the board unless you unsolder that memory or the device on board. But again you need to take care about the signal integrity. 

How to avoid signal integrity issues on the STM32H7R7/S7

AN4803 "High-speed SI simulations using IBIS and board-level simulations using HyperLynx® SI on STM32 MCUs and MPUs"

Hope I've answered your question.

To give better visibility on the answered topics, please click on "Accept as Solution" on the reply which solved your issue or answered your question.

View solution in original post

12 REPLIES 12
mƎALLEm
ST Employee

Hello,

The first step to do: did you check if the OSPI/XSPI lines are all exposed over the connectors available le on the board? 

To give better visibility on the answered topics, please click on "Accept as Solution" on the reply which solved your issue or answered your question.
MownishBugatha
Associate III

MownishBugatha_0-1769682947607.pngMownishBugatha_1-1769682983195.png
From the Following Manual we can access only the SPI5 pins through the connector pins the XSPI Pins are in the labels of PP,PO,PN as attached in the image below

MownishBugatha_2-1769683790511.png

If the XSPI/OSPI pins are not exposed through connectors, does that mean they cannot be used for communication with external peripherals? Are these pins dedicated exclusively to external memory devices on the board?

Additionally, if it were possible to access those pins, could they be used to communicate with an external peripheral via XSPI in a manner similar to how SPI5 is used through board connectors for peripheral communication?

Now could you clarify the doubt , the pins not available means cant we use them for external peripheral , and are they only dedicated to the mem only , and suppose if can we able to access those pins can we use them to with external peripheral with XSPI as how we using SPI5 with external Peripheral through connector 

 

If they are not all externally exposed either on the connectors or with test points, you cannot connect any external XSPI/OSPI peripherals.

Even you have access to an external memory over XSPI/OSPI interface you may face timing issues at high frequencies. Please bear in mind that the PCB and routing have been studied carefully on the ST boards based on the signal integrity studies (not only specific to N6) to avoid such issues with the onboard memories including QSPI/OCTOSPIXSPI/SDRAM etc. So connecting external and serial memories over wires at high frequencies is a bad idea 

SPIx is something else.

Hope that helps

To give better visibility on the answered topics, please click on "Accept as Solution" on the reply which solved your issue or answered your question.
MownishBugatha
Associate III

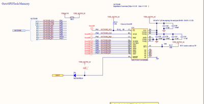
STM32N6 Nucleo-144 board (MB1940) - User manual


MownishBugatha_0-1769685455668.png

In the STM32 Nucleo-144 board of chip having N6570 as mentioned in the manual those pins of XSPI/OSPI are exposed here out to readily use , the only concern is that can we solder and use them for external peripheral or also those are dedicated to connect only the highspeed Mem?

My intension is just it can able to drive the connectivity or not , if signal integrity is only the issue by developing external device to avoid such loss is not a concern , i want to run the peripheral at max 100MHz where the manual specifies it upto 200MHz , so can we directly connect those pins to external peripheral and have a proper communication [assume the idle case avoid the signal integrity and all] or else do we need any additional buffers to add inorder to have the proper communication , or else we cant use them for peripheral communication.

As I said it's a bad idea to connect external devices over the board's connectors with XSPI/OSPI especially at 200MHz. That won't work especially when doing connection with wires.

You may face issues with the memory communication / data corruption due to the signal integrity at higher frequencies.

The connectors on the board contains other alternate functions not only XSPI/OSPI that's why they are exposed.

To answer your question: the only signal that makes a memory available on the bus is its chip select. Generally speaking, if the the chip select is already hardwired on the board to the memory, you cannot use that interface even all the signals are exposed externally off the board unless you unsolder that memory or the device on board. But again you need to take care about the signal integrity. 

How to avoid signal integrity issues on the STM32H7R7/S7

AN4803 "High-speed SI simulations using IBIS and board-level simulations using HyperLynx® SI on STM32 MCUs and MPUs"

Hope I've answered your question.

To give better visibility on the answered topics, please click on "Accept as Solution" on the reply which solved your issue or answered your question.
MownishBugatha
Associate III

Thank you @mƎALLEm 

I think in the Nucleo F144 MB1940 the PO and PP series are open to use including the chip select , the OSPI Flash Mem is on the Pins of series PN , can we use the PO and PP series to communicate using the OSPI  , and the external peripheral is not the Flash Mem , consider it as an Soc / ASIC , just tell me at upto 100 MHz with proper on board wiring [to avoid all the signaling issues] , just can we able to communicate with the external peripheral [Soc/ASIC] as like as general SPI 

in simpler way my doubt is can we use OSPI/XSPI with external peripherals such as ASICS/SOC as like as SPI 

MownishBugatha_0-1769688847161.pngMownishBugatha_1-1769688866002.png

MownishBugatha_2-1769688888104.png

 

I think I've answered the question and you've already accepted the solution. I don't know why you did unmarked it.

For your question on 100MHz. Same thing for ASIC/SoC or whatever. You need to study the signal integrity (AN4803)

 

To give better visibility on the answered topics, please click on "Accept as Solution" on the reply which solved your issue or answered your question.