cancel
Showing results for 
Search instead for 
Did you mean: 

Do I need to complete the components on the SPC58EC-DISP development board?

Not applicable

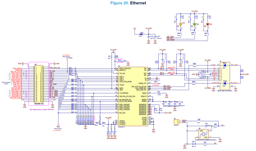
0693W00000Nq1klQAB.pngIn the schematic of the ethernet configuration it is indicated that 3 components are not assembled: R28, R33 and R120. My question is, should I solder them for it to work?

This discussion is locked. Please start a new topic to ask your question.
1 ACCEPTED SOLUTION

Accepted Solutions
Giuseppe DI-GIORE
ST Employee

Hello,

from README.TXT

It needs to configure the network component providing the networking configuration:

i.e: MAC Address, IP static Address.

Open a console and ping from a remote host to the IP address configured for the board.

Fit the following jumpers to configure the network:

JP5:

ETH_PWR  -> [3 - 4]

RESET   -> [5 - 6]

ETH_TX_CLK -> [7 - 8]

ETH_TXD_0 -> [9 - 10]

ETH_TXD_1 -> [11 - 12]

ETH_TXD_2 -> [13 - 14]

ETH_TXD_3 -> [15 - 16]

ETH_TX_EN -> [17 - 18]

ETH_MDIO  -> [19 - 20]

ETH_MDC  -> [21 - 22]

ETH_COL  -> [23 - 24]

ETH_CRS  -> [25 - 26]

ETH_RX_ER -> [27 - 28]

ETH_RX_DV -> [29 - 30]

ETH_RXD_0 -> [31 - 32]

ETH_RXD_1 -> [33 - 34]

ETH_RXD_2 -> [35 - 36]

ETH_RXD_3 -> [37 - 38]

ETH_RX_CLK -> [39 - 40]

JP50: FIT

Do not forget to plug a cable.

Regards.

View solution in original post

6 REPLIES 6
Giuseppe DI-GIORE
ST Employee

Hello,

no need to solder any resistor.

Please close the jumper in connector JP5 from 5 to 39.

Regards.

I'd expect not. Would depend on what pins you end up using on the interface. Watch PWR_DOWN/INT and COL/PHYAD0

The JP5 needs to have pins being used for the MII/RMII bridged (jumpered).

Check any related README.TXT notes or comments in the example code.

Tips, Buy me a coffee, or three.. PayPal Venmo
Up vote any posts that you find helpful, it shows what's working..

Still doesn't work, even the leds of the RJ45 connector don't turn on

Giuseppe DI-GIORE
ST Employee

Hello,

from README.TXT

It needs to configure the network component providing the networking configuration:

i.e: MAC Address, IP static Address.

Open a console and ping from a remote host to the IP address configured for the board.

Fit the following jumpers to configure the network:

JP5:

ETH_PWR  -> [3 - 4]

RESET   -> [5 - 6]

ETH_TX_CLK -> [7 - 8]

ETH_TXD_0 -> [9 - 10]

ETH_TXD_1 -> [11 - 12]

ETH_TXD_2 -> [13 - 14]

ETH_TXD_3 -> [15 - 16]

ETH_TX_EN -> [17 - 18]

ETH_MDIO  -> [19 - 20]

ETH_MDC  -> [21 - 22]

ETH_COL  -> [23 - 24]

ETH_CRS  -> [25 - 26]

ETH_RX_ER -> [27 - 28]

ETH_RX_DV -> [29 - 30]

ETH_RXD_0 -> [31 - 32]

ETH_RXD_1 -> [33 - 34]

ETH_RXD_2 -> [35 - 36]

ETH_RXD_3 -> [37 - 38]

ETH_RX_CLK -> [39 - 40]

JP50: FIT

Do not forget to plug a cable.

Regards.

Is JP50 powering the Ethernet side hardware?

Probe a couple of points checking you get voltage and can see clocks.

Tips, Buy me a coffee, or three.. PayPal Venmo
Up vote any posts that you find helpful, it shows what's working..
Not applicable

Yes, the JP50 is correct. And i have the clock pulses. Now, after reprogramming the leds are blinking, but I can´t ping