cancel
Showing results for 
Search instead for 
Did you mean: 

Protect I/Os DAC and ADC of my STM32F4

contact2399
Associate II
Posted on August 27, 2014 at 13:47

Hello everybody!

On my board, I want to protect ADC and DAC pins for my STM32F407.

Theses I/Os are linked to audio connectors JACK 6.35, the user will be able to plug any 6.35 cables on the connectors. I don't want my uC to be damaged if the user did something wrong, for example we can imagine:

- Plug a jack supplying a voltage varying between -30V and 30V on the ADC input.

- Even worse, plug a 

jack supplying a voltage varying between -30V and 30V on the DAC output.

 

Attached, I designed a circuit inspired of what I found on the internet and on this forum, with bidirectional ESD diodes

PESD5V0S1BA

 http://www.nxp.com/documents/data_sheet/PESD5V0S1BA_BB_BL.pdf

ADC INPUT: a divider bridge converts the connector jack +5V to +3.3V for the uC

DAC OUTPUT: an opamp amplifies the uC +3.3V to +5V for the jack

connector 

.

What do you think about this design? Is my system well protected against bad uses?

Thanks a lot!

Claire

0690X00000604u9QAA.png

#protection
This discussion is locked. Please start a new topic to ask your question.
8 REPLIES 8
balmukund66
Associate II
Posted on August 28, 2014 at 12:26

Hello ,

The ESD diodes will be able to tolerate (+-30V in this case ) Only for small time.

If Voltage continues for some seconds then it will get damaged.

For ADC input: The current will be limited by R4,it will limit the current ,so ESD diode will remain ok.(Also please take care that Vbr of ESD Diode should be less than the tolerance voltage of MCU,as Vbr will directly appear across MCU pin at the time of breakdown).

But in DAC output:The entire voltage (+-30V)will appear across ESD diode and it will get damaged.Please limit the current in this case.

Thanks & regards,

Balmukund Prasad

contact2399
Associate II
Posted on August 28, 2014 at 12:57

Hello!

The ESD diodes will be able to tolerate (+-30V in this case ) Only for small time.

 

If Voltage continues for some seconds then it will get damaged.

So maybe it's not the good solution to put ESD diodes? Maybe the best is to put two schottky diodes like this: http://www.microchip.com/forums/download.axd?file=0;634495 ? But the uC have an ADC internal protection with the two diodes.

0690X000006059gQAA.png

But in DAC output:The entire voltage (+-30V)will appear across ESD diode and it will get damaged.Please limit the current in this case.

 

So I have to put a resistor of 100R for example after the ESD diode? Or is it a better idea to put the two schottky diode instead of the ESD diode?

Thanks!
balmukund66
Associate II
Posted on August 28, 2014 at 16:21

Hello ,

In ADC part,there is no problem(As current will be limited by potential divider resistor).

Only thing is that,please select the Vbr of ESD diode close to the tolerance voltage of MCU.

Internal diode will not be able to tolerate 30V.

In DAC Part:

As output impedance of Op-Amp will be almost zero.

It's difficult to protect without any resistor.

Yes,Please put a resistor after after ESD diode (Selection can be done based on power rating of resistor and Load).

Thanks & Regards,

Balmukund Prasad

contact2399
Associate II
Posted on August 29, 2014 at 11:08

''In ADC part,there is no problem(As current will be limited by potential divider resistor). Only thing is that,please select the Vbr of ESD diode close to the tolerance voltage of MCU. Internal diode will not be able to tolerate 30V.''

I think i'm going to put a zener diode 5.1V like this one http://www.nxp.com/documents/data_sheet/PZUXBA_SER.pdf because it's preferable to protect this system against continuous voltage overload, than transient high voltages. Maybe I'm wrong ? I don't know if there is a lot of transient high voltages in regular 6.35 cables...

In DAC Part:

 

As output impedance of Op-Amp will be almost zero. It's difficult to protect without any resistor. Yes,Please put a resistor after after ESD diode (Selection can be done based on power rating of resistor and Load).

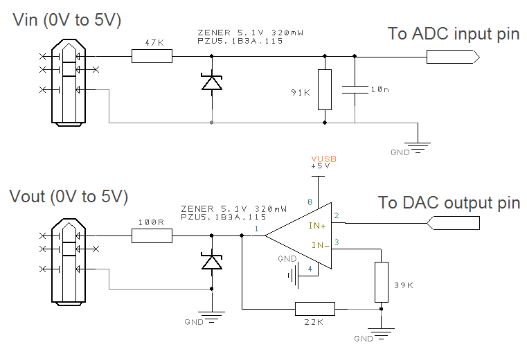
I think I also want to put a zener diode instead of the ESD diode. On the picture above the end 100R resistor is to low I think.

If I put a 470R resistor I will be able to protect my system against voltages up to 34V according to my calculation. With a 2W resistor and a 0,32W zener diode.

0690X000006058AQAQ.png

Note: the purpose of my system is to generate and receive CV/GATE signals (a standard for controlling modular electronic musical instruments, through JACK cables). 

balmukund66
Associate II
Posted on August 29, 2014 at 13:17

Hello ,

Yes ,Zener is the better option for this purpose.

And 100 ohm resistor is low,470ohm will be better option in case of DAC.

Thanks & Regards,

Balmukund Prasad

balmukund66
Associate II
Posted on August 29, 2014 at 13:24

Hello ,

Yes ,Zener is the better option for this purpose.

And 100 ohm resistor is low,470ohm will be better option in case of DAC.

Thanks & Regards,

Balmukund Prasad

jean
Senior
Posted on August 29, 2014 at 13:47

Thanks a lot for theses advises Prasad !

jean
Senior
Posted on August 29, 2014 at 13:54

I have another question about protections:

I use the USB port to supply my board and to communicate with a computer. I have to put ESD protections on USB lines (D+, D-, +5V) or is it not required?