cancel
Showing results for 
Search instead for 
Did you mean: 

PDR/POR reset once shortly after startup

hjm
Associate II

Posting here as accidentally posted under wrong topic and was deleted...

I am using an STM32F429 on a custom board. The chip is resetting once shortly after starting up, around 10 secs. I put this code at the beginning of the main function:

  if  (__HAL_RCC_GET_FLAG(RCC_FLAG_SFTRST)){
	  reset_cause = 1; // Software reset
  } else if  (__HAL_RCC_GET_FLAG(RCC_FLAG_PORRST)){
	  reset_cause = 2; // POR/PDR reset
  } else if  (__HAL_RCC_GET_FLAG(RCC_FLAG_PINRST)){
	  reset_cause = 3; // Pin reset
  } else {
	  reset_cause = 4; // ??
  }

I am toggling an LED depending on the value of reset_cause. After the unexpected reset the LED for RCC_FLAG_PORRST lights up. I scoped my regulator outputs and couldn't see any change in the signal when the MCU reset, I also scoped the reset line and saw it pulled low pretty cleanly when the chip reset. This also happens when I bypass the regulators by powering the MCU directly with 3.3V from an ST-LINK.

All this leads me to believe it isn't the regulators causing the problem but some other issue with the PDR circuit or a software thing (though don't know if this sort of fault could originate from software).

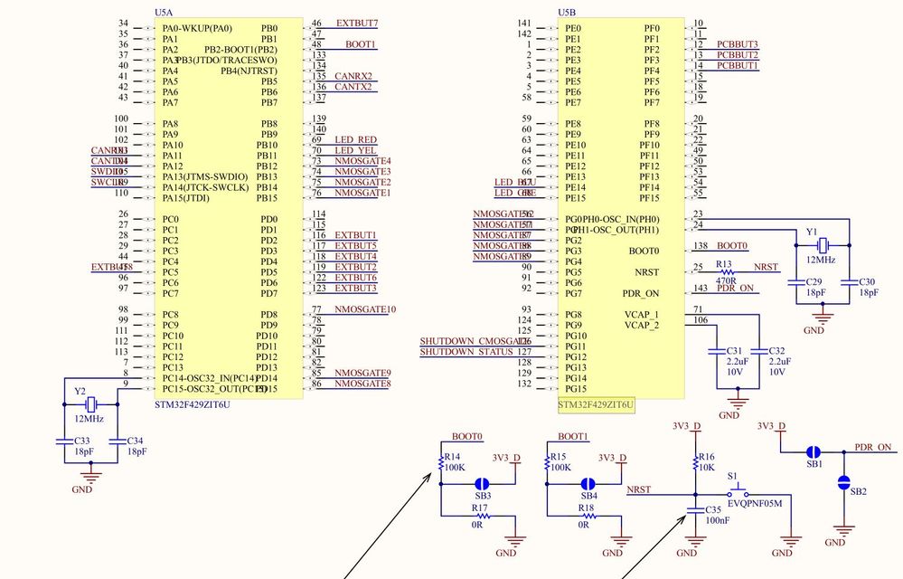
My MCU connections, all solder bridges are unpopulated:

0690X000006CUuCQAW.jpg

MCU power circuit:

0690X000006CUuHQAW.jpg

and regulators, D5 and C38 aren't populated:

0690X000006CUuMQAW.jpg

This discussion is locked. Please start a new topic to ask your question.
0 REPLIES 0