cancel
Showing results for 
Search instead for 
Did you mean: 

STSPIN230 Evaluation board -> X-NUCLEO-IHM11M1

NIVI
Associate III

Hi,

In X-NUCLEO-IHM11M1,

1) What is the Formula to convert the Current feedback Output from OPAMP ?

2) What is the relation of the voltage read in current Feedback pin and the motor Current value?

NIVI_0-1693207100615.png

 

This discussion is locked. Please start a new topic to ask your question.
1 ACCEPTED SOLUTION

Accepted Solutions
Zied b.
ST Employee

Hello @NIVI ,

In the attached file you will find all the necessary information for the opamp on ihm11, in the picture below, how the calculations are made:

Ziedb_3-1693485347512.png


Ziedb_4-1693485364155.png

Ziedb_5-1693485395344.png

 

 

 

Regards

If you agree with my answer, please accept it by clicking on "Accept as solution".

View solution in original post

1 REPLY 1
Zied b.
ST Employee

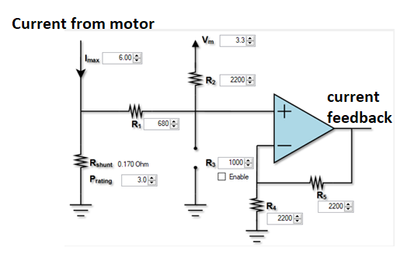
Hello @NIVI ,

In the attached file you will find all the necessary information for the opamp on ihm11, in the picture below, how the calculations are made:

Ziedb_3-1693485347512.png


Ziedb_4-1693485364155.png

Ziedb_5-1693485395344.png

 

 

 

Regards

If you agree with my answer, please accept it by clicking on "Accept as solution".