cancel
Showing results for 
Search instead for 
Did you mean: 

Problem with my BEMF (ESC control motor)

ET_FR
Associate

Hello !

I'm making a ESC for my BLDC motor. I used a STM32 (to generate my PWM), 3 IR2101 mosfet drivers (https://www.infineon.com/dgdl/ir2101.pdf?fileId=5546d462533600a4015355c7a755166c) and 6 mosfets to control the differents phases of the motor.

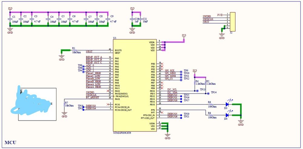
Here is my schematic:

0693W000005AWlJQAW.jpg0693W000005AWlOQAW.png 

I generate my PWM and here is what i get (PHASE A, B and C): 

0693W000005AWlYQAW.jpg 

The signals seem correct. When I plug my motor here the signal. We can see the BEMF before after each signal (I guess). 

0693W000005AWlsQAG.jpg 

But when I check my BEMF there is a problem. 

0693W000005AWlxQAG.jpg 

This doesn't look like a BEMF (too many spikes and not the right voltage) and I don't know why. I try to change the frequency of the PWM, change the duty cycle or the delay between each phase but nothing change (and sometime it's worse...). Do you have an idea why ?

My STM run at 8MHz.

PWM frequency : 900Hz with a duty cycle of 5%.

During this test my motor consumes 12V / 0.8 A.

This discussion is locked. Please start a new topic to ask your question.
1 REPLY 1
Laurent Ca...
Lead II

Dear @ET_FR​ 

Sorry for the late answer.

Do you have still this problem to solve?

And just in case, if not, do not hesitate to share the final solution you found. Thanks by advance.

Best regards

Laurent Ca...