cancel
Showing results for 
Search instead for 
Did you mean: 

STM32 USB Host HS not detecting USB

embedded-jsd
Associate II

I have connected and an external HS PHY to STM32F427VGT6 through ULPI pins.
Configured USB_OTG_HS in Host Only mode for external Phy with parameter Settings as

Speed: High Speed 480MBits/s 
Enable internal IP DMA: Disabled
Physical Interface: External Phy
Use External VBUS: Enabled
Signal Start of Frame: Disabled

In NVIC settings for USB_OTG_HS all three available interrupts are enabled. 

USB On The Go HS End Point 1 Out global interrupt true 0 0
USB On The Go HS End Point 1 In global interrupt true 0 0
USB On The Go HS global interrupt true 0 0


In Middleware Packages USB_ Host, FATFS is configured according to attached image.
MCU schematic and USB-PHY schematic is also attached.

The problem i am facing is STM32 is not detecting USB and gstate of USB always remain to HOST_IDLE, even if i connect or disconnect pendrive.

7 REPLIES 7
FBL
ST Employee

Hello @embedded-jsd 

Do you reproduce using a reference board?

To give better visibility on the answered topics, please click on Accept as Solution on the reply which solved your issue or answered your question.




Best regards,
FBL

Which reference board are you referring to?

 

Hi @embedded-jsd 

I was referring to an ST Nucleo, Discovery, or Evaluation board, which you can use as a known-good reference to help isolate whether the issue is hardware- or software-related.

To move forward, I need to understand:

  1. Your current hardware setup (connections between STM32F427 and the external HS PHY, VBUS sensing, power switching, etc.).
  2. Whether you have tried running the same USB Host project on any official ST board that supports USB OTG HS with ULPI.

If the same behavior appears on an ST reference board, we can then focus on the software configuration. For example, one important point is to ensure that the GPIO speed for all ULPI pins is configured to Very High speed in your project.

To give better visibility on the answered topics, please click on Accept as Solution on the reply which solved your issue or answered your question.




Best regards,
FBL

No, I haven't used any evaluation board. However, below are the USB PHY connections

USB3300 Pins------ STM32F427 Pins
STP------------------- PC0 ------> USB_OTG_HS_ULPI_STP

DIR-------------------- PC2 ------> USB_OTG_HS_ULPI_DIR

NXT------------------- PC3 ------> USB_OTG_HS_ULPI_NXT

DATA[0]-------------- PA3 ------> USB_OTG_HS_ULPI_D0

CLKOUT------------- PA5 ------> USB_OTG_HS_ULPI_CK

DATA[1]-------------- PB0 ------> USB_OTG_HS_ULPI_D1

DATA[2]-------------- PB1 ------> USB_OTG_HS_ULPI_D2

DATA[3]-------------- PB10 ------> USB_OTG_HS_ULPI_D3

DATA[4]-------------- PB11 ------> USB_OTG_HS_ULPI_D4

DATA[5]-------------- PB12 ------> USB_OTG_HS_ULPI_D5

DATA[6]-------------- PB13 ------> USB_OTG_HS_ULPI_D6

DATA[7]-------------- PB5 ------> USB_OTG_HS_ULPI_D7

There's no dedicated VBUS sensing on STM32F427 pins.
VBUS power switching is controlled by CPEN pin of USB3300 PHY 

which in-turn controls the EN pin of switch AP22653(used to to supply 5V to VBUS pin of USB drive).You can refer to USB PHY schematic I have attached for reference.

FBL
ST Employee

Hi @embedded-jsd 

Would you attach your IOC file? 

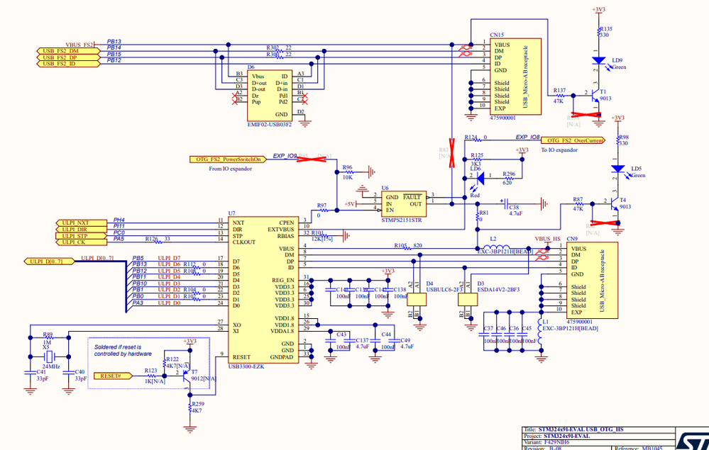
Check this schematics using STM32F429.

FBL_0-1769706856759.png

 

To give better visibility on the answered topics, please click on Accept as Solution on the reply which solved your issue or answered your question.




Best regards,
FBL

There are two differences in my schematic:
1. 10K pull up to 5V on EXTVBUS line.
2. ID pin of USB3300 is connected to GND.

I have also attached the ioc file of my project.

FBL
ST Employee

Hi @embedded-jsd 

Also, NXT and DIR are assigned to PH4 and PI11 respectively. But this is not the issue.

At this stage I would focus more on confirming with a scope or logic analyzer that:

  • ULPI_CK (PA5) runs at 60 MHz.
  • DIR, NXT, and D[0..7] toggle when a device is plugged.

You can test the example provided in CubeF4 for high speed instance.

To give better visibility on the answered topics, please click on Accept as Solution on the reply which solved your issue or answered your question.




Best regards,
FBL