cancel
Showing results for 
Search instead for 
Did you mean: 

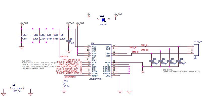
Hello, I am using three L9942XP1TR driver ic for controlling three stepper motor.

AThom.17
Associate II

The spi communication is interfaced to driver ic from raspberry pi(.Interfaced with raspberry pi using I2C for my project.The 3 gpio pins MCP23017(pin8,21,22) drives the enable pin of 3 l9942xp1tr(U3,U4,U5).Please refer image.While programming, after some time the enable pins get short.Also the motors not working properly.Please clarify why this is happening? 0690X0000087eSaQAI.jpg0690X0000087eSVQAY.jpg0690X0000087eSQQAY.jpg

This discussion is locked. Please start a new topic to ask your question.
0 REPLIES 0