cancel
Showing results for 
Search instead for 
Did you mean: 

Hi, My Onkyo receiver got frozen and behaving stubborn. Can I program M95640WP using CH341A Programmer any help in this matter shall be highly appreciated. datasheet included here https://ibb.co/1JTWkLs thanks in advance Modify message

Pbhat.1
Associate

Hi,

My Onkyo receiver got frozen and behaving stubborn.

Can I program M95640WP using CH341A Programmer

any help in this matter shall be highly appreciated.

datasheet included here

0693W000003QDz6QAG.jpg

thanks in advance

This discussion is locked. Please start a new topic to ask your question.
4 REPLIES 4

You'll likely need to consult with the author of the programmer code.

The part documentation/datasheet can be found here

https://www.st.com/en/memories/m95640-w.html

Tips, Buy me a coffee, or three.. PayPal Venmo
Up vote any posts that you find helpful, it shows what's working..
MM..1
Chief III

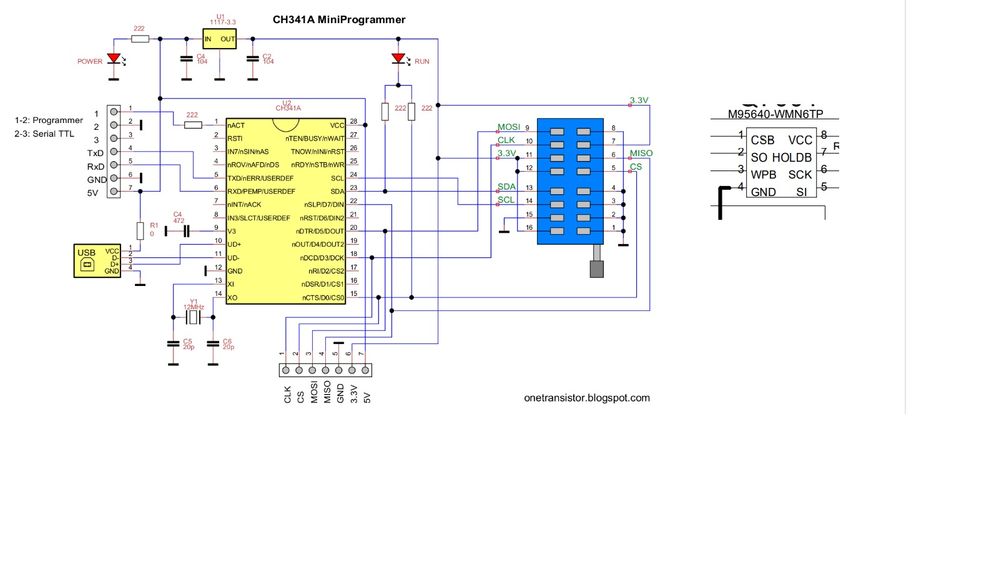
Seems when you rotate memory IC and place it to upper 8 pin in programmer, then connection will be ok.

Next step is sw setup....

Pbhat.1
Associate

thanks for the suggestion.

I was also thinking the same way but, surprised to see that on reversing the IC the programmer's 7th & 8th point (11 & 12) both having 3.3V

MM..1
Chief III

Pin HOLD is too connected to Vcc then no problem here, i mean bigger step will sw .