cancel
Showing results for 
Search instead for 
Did you mean: 

Alsa no sound card found

IDe P.1
Associate II

Hi All,

i'm having an issue with STM32MP157c and audio driver WM8994 (same as used into STM32MP15-DK).

At boot time i'm still have the following error:

[   4.250237] ALSA device list:

[   4.251761]  No soundcards found.

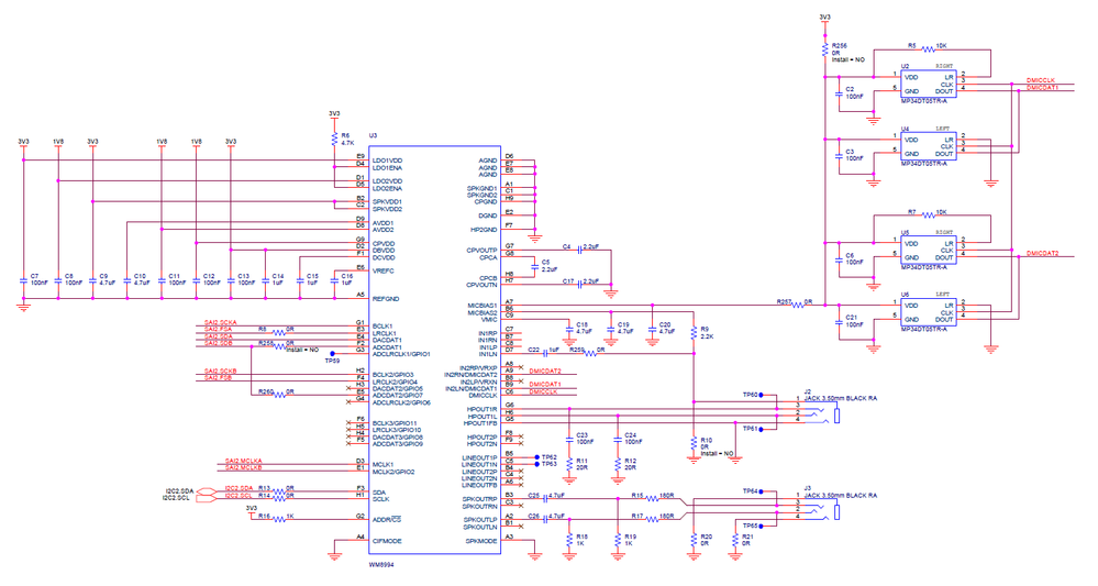
I share the electrical drawing of our custom board and my custom DTS.

I followed the steps described here:

https://wiki.st.com/stm32mpu/wiki/Soundcard_configuration#References

but i'm still get the same error.

Kind regards

Ilie

0693W00000FDwlQQAT.png

This discussion is locked. Please start a new topic to ask your question.
4 REPLIES 4
Olivier GALLIEN
ST Employee

Hi @IDe P.1​ ,

I'm wondering if you are not facing the case "Soundcard not probed" documented in https://wiki.st.com/stm32mpu/wiki/ALSA_troubleshooting_grid

Does the resolution tip help ?

Olivier

Olivier GALLIEN
In order to give better visibility on the answered topics, please click on 'Accept as Solution' on the reply which solved your issue or answered your question.
IDe P.1
Associate II

Hi Olivier,

I already followed the case "Soundcard not probed", but it didn't help me.

Under /sys/kernel/debug/ i don't have the folders asoc/dais.

Ilie

Olivier GALLIEN
ST Employee

Hi @IDe P.1​ ,

WM8994 is used on EV1 board not DK ( which use CS42L51 ).

Also, I notice you are using for your design a DTS based on EV1 ..

compatible = "st,stm32mp157c-ev1", "st,stm32mp157c-ed1", "st,stm32mp157";

This looks consistent since your design seems to be very close to EV1 ..

But you use "sound" node template from DK ..

       sound {
        	compatible = "audio-graph-card";
		label = "STM32MP15-DK";			/* Sound card identified as STM32MP15DK in ALSA */
		routing =
			"Playback" , "MCLK1",
			"Capture" , "MCLK1",
			"MICL" , "Mic Bias";
		dais = <&sai2a_port &sai2b_port>;
		status = "okay";
	};

I guess it would be better to stick on EV1 model :

	sound {
		compatible = "audio-graph-card";
		label = "STM32MP15-EV";
		routing =
			"AIF1CLK" , "MCLK1",
			"AIF2CLK" , "MCLK1",
			"IN1LN" , "MICBIAS2",
			"DMIC2DAT" , "MICBIAS1",
			"DMIC1DAT" , "MICBIAS1";
		dais = <&sai2a_port &sai2b_port &sai4a_port &spdifrx_port
			&dfsdm0_port &dfsdm1_port &dfsdm2_port &dfsdm3_port>;
		status = "okay";
	};

Hope it help

Olivier

Olivier GALLIEN
In order to give better visibility on the answered topics, please click on 'Accept as Solution' on the reply which solved your issue or answered your question.
IDe P.1
Associate II

Yes, you're right, WM8994 is used into EV1 but in my custom board i don't have all of the other interfaces mentioned here at chap.2.1:

https://wiki.st.com/stm32mpu/wiki/Soundcard_configuration#References

Your solution is the first way i done (tha same as indicated at the link upward), I also tried to remove &sai4a_port, &spdifrx_port, &dfsdm0_port, &dfsdm1_port, &dfsdm2_port, &dfsdm3_port because I didn't have these interfaces on my custom board but it didn't help at all.

Can you please provide the complete dts settings of EV1 board, please?

Regards

Ilie