cancel
Showing results for 
Search instead for 
Did you mean: 

STM32WL5MOCH6 Schematic Validation

Clyasenth
Associate II

Hello,

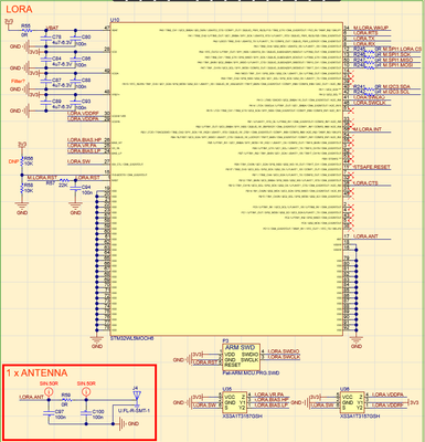
In our sensor node project, we are using STM32WL5MOCH6 as a LoRa module. We shall drive the module with a host MCU which is STM32U5. Could you please validate the schematic?

Schematics are attached.

Clyasenth_0-1720426165714.png

Clyasenth_1-1720426188770.png

Best regards,

Egemen Aksoy

 

2 REPLIES 2
Clyasenth
Associate II

Hello,

Is there any progress about question?

STTwo-32
ST Employee

Hello @Clyasenth 

For a schematic validation. I suggest you look for direct and dedicated support from our Local FAEs or Submit a ticket on the online support system OLS .

Best Regards.

STTwo-32

To give better visibility on the answered topics, please click on Accept as Solution on the reply which solved your issue or answered your question.