cancel
Showing results for 
Search instead for 
Did you mean: 

STM32F103C8T6 SPI not working on custom board

sandeep3
Associate II

Hi I am running WS2812 addressable LED on stm32 bluepill without any problem.

I have used SPI to generate data for WS2812 led strip data pin is connected to PA7 (MOSI) pin on bluepill. till now everything is working perfectly fine.

 

So I design a custom board for the above explain setup. 
but on Custom board LED strip not working, code and wiring is same as bluepill but LED works with bluepill not with my custom PCB.

I also try to test if PA7 is healthy or not by blinking LED, and its fine when I connect led to PA7 its blinks without any problem..

please anywone siggest what will be the possible reason. 

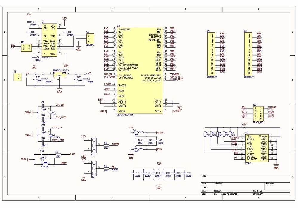
I am attaching the PCB schematic see if I missed any part which effect SPI .

This discussion is locked. Please start a new topic to ask your question.
1 ACCEPTED SOLUTION

Accepted Solutions
sandeep3
Associate II

thanks thanks you solved my big problem its working I applied gnd to the load capacitors and boom its working .

thanks again friend.

 

now new schematic look like this

View solution in original post

3 REPLIES 3
RhSilicon
Lead

I don't know if this is the case, but I've seen some users mentioning having purchased non-original chips, which can cause adverse functioning than expected.

It seems to me that your schematic has no grounding on the crystal capacitors, I found a Bluepill schematic with the same fault:

NO-GND.png

https://stm32-base.org/assets/pdf/boards/original-schematic-STM32F103C8T6-Blue_Pill.pdf

I found a Bluepill schematic without this GND error:

STM32-Schematic

http://land-boards.com/blwiki/index.php?title=STM32_Blue_Pill#Blue_Pill_Card_Schematic

sandeep3
Associate II

thanks thanks you solved my big problem its working I applied gnd to the load capacitors and boom its working .

thanks again friend.

 

now new schematic look like this

Nice, check in the manuals how to configure the external oscillator, this 1M resistor may not be used.