cancel
Showing results for 
Search instead for 
Did you mean: 

STM32CubeMX ussue

Vladislav Leschenk
Associate II
Posted on November 16, 2017 at 09:01

Hi There!

Hi have already post this issue but nothing changed from those time. May be i have ''unique'' version of qubeMX but this annoying bug chase me.

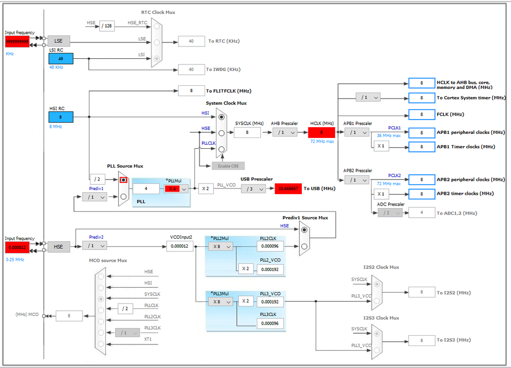
When I change the Input frequemcy value I get this bug. Please look at the picture below. I can't return bach normal values - all of them in a float point state.

0690X0000060PEFQA2.png

0690X0000060PEeQAM.png

It works for PC vercion and plugin of current wersion.

Have somebody the same issue?

This discussion is locked. Please start a new topic to ask your question.
1 ACCEPTED SOLUTION

Accepted Solutions
Imen.D
ST Employee
Posted on November 16, 2017 at 14:54

Hello,

I think that this behaviour has been observed using eclipse plugin and not happen using CubeMx in standalone mode.

I raised this issue internally to our CubeMx team for further investigation and provide more details.

Best Regards

Imen

When your question is answered, please close this topic by clicking "Accept as Solution".
Thanks
Imen

View solution in original post

6 REPLIES 6
Vladislav Leschenk
Associate II
Posted on November 16, 2017 at 10:06

Hi again!

I've done fix.

I manulally changed next strings in the *.ioc file :

RCC.LSE_VALUE=32768000000

RCC.RTCFreq_Value=32768000000

RCC.HSE_VALUE=12000000

and now it looks like it works

before there were somthing like this: RCC.HSE_VALUE=0.0000000000000000012000000

I see that ir recalculate by circul! I am switching beetwin tabs:

I typed to input frequency field : 32768000 and clicked to the side:

0690X0000060PEjQAM.png

it was devided by 1000))

i opened next tab and open the clock tab again:

0690X0000060PE2QAM.png

and again:

0690X0000060PEGQA2.png

I hope it'll help.

FYI:

1) 1 kHz = 1 000 Hz

2) 1 MHz = 1 000 kHz = 1 000 000 Hz

3) 1 GHz = 1 000 MHz = 1 000 000 kHz = 1 000 000 000 Hz

In practice, whenyou will use one minimal unit system (Hz), for example like it usually do in math,you wont have this bug.

I hope it'll help too.

Vladislav Leschenk
Associate II
Posted on November 16, 2017 at 14:26

Ha! New plugin is already available! Thanks!

Vladislav Leschenk
Associate II
Posted on November 16, 2017 at 14:28

Ha! This bug still there! Ha ha!

Imen.D
ST Employee
Posted on November 16, 2017 at 14:54

Hello,

I think that this behaviour has been observed using eclipse plugin and not happen using CubeMx in standalone mode.

I raised this issue internally to our CubeMx team for further investigation and provide more details.

Best Regards

Imen

When your question is answered, please close this topic by clicking "Accept as Solution".
Thanks
Imen
Vladislav Leschenk
Associate II
Posted on November 16, 2017 at 15:13

Hi!

Yes! Correct!

It doesn't work for

CubeMx in standalone mode. 

Eclipse plugin has this issue.

Thanks for reply!

I hope my report will help your team to resolve this issue.

stm32cube-t
ST Employee
Posted on February 21, 2018 at 11:44

Can you please share your ioc file or specify the MCU you had selected for this project.

Thank you.