cancel
Showing results for 
Search instead for 
Did you mean: 

Why doesn't my detached STLINK board recognize my nucleo_F722ZE board?

chulhoolim-nnftech
Associate III

Hi.

I did "HSE on-board oscillator from X3 crystal (not provided)" on um1974-stm32.

But stlink doesn't recognize my board. Why?

I used an ats49 8Mhz 18pF crystal since there is no recommended crystal. C37 and C38 have 18pF attached.

chulhoolimnnftech_0-1725615785042.png

 

chulhoolimnnftech_1-1725615784800.png

 

HSE on-board oscillator from X3 crystal (not provided)

– SB148 and SB163 OFF
– SB8 and SB9 ON
– C37 and C38 soldered with 4.3 pF capacitors
– SB112 and SB149 OFF

1 ACCEPTED SOLUTION

Accepted Solutions

I cut the STlink board from Nucleo-F722ZE board.

I connected the cut STLINK board to the nucleo board and SWD.

To connect swd, I connected 2 (JTCK), 3 (GND), and 4 (JTMS) of the SWD connector to 13(PA13), 15(PA14), and 19(GND) of the CN11 connector of the nucleo board.

SWD con. 2(JTCK)   -   CN11 con. 15(PA14, TCK)

SWD con. 3(GND)   -  CN11 con. 19(GND)  <--- Common Ground between boards.

SWD con. 4(JTMS)  - CN11 con. 13(PA13, TMS)

The power source for the nucleo board was 5V input from the outside using 6 (E5V) and 8 (GND) of CN11.

And the cut stlink board was connected to the PC via USB.

chulhoolimnnftech_1-1725847670794.png

 

And for the "HSE on-board oscillator from X3 crystal(not provided)" that is not provided,

I processed it as follows.

X3 soldered with 8MHz crystal.

SB8 and SB9 ON.

C37 and C38 soldered with 18pF cap.

SB148, 149, 163 OFF.

SB112 was not processed separately as it was on the stlink board.chulhoolimnnftech_2-1725847933580.png

chulhoolimnnftech_4-1725849230750.png

 

 

 

I've confirmed that stlink with this connection works fine on other PCs.
I don't know
But it's working fine now.

After not recognizing stlink after the first program, I tried setting it to "HSE not used". Then I changed the setting to “HSE on-board oscillator from X3” again.
Now stlink is recognized well.

I guess I did something wrong.

Thank you to everyone who helped.

View solution in original post

9 REPLIES 9

STM32F7 not powered, not running?

Tips, Buy me a coffee, or three.. PayPal Venmo
Up vote any posts that you find helpful, it shows what's working..

I turned it on and tested it, but it's the same.

chulhoolimnnftech_0-1725616980188.png

The below message is CubeIDE error messages.

STMicroelectronics ST-LINK GDB server. Version 7.8.0

Copyright (c) 2024, STMicroelectronics. All rights reserved.

 

Starting server with the following options:

Persistent Mode : Disabled

Logging Level : 1

Listen Port Number : 61234

Status Refresh Delay : 15s

Verbose Mode : Disabled

SWD Debug : Enabled

InitWhile : Enabled

 

Target no device found

 

Error in initializing ST-LINK device.

Reason: No device found on target.

 

Hi. 

I'm pretty sure that board is dead.

I have another board that is identical so I tested it further.

As above, I added the 8MHz oscillator and capacitor according to the manual.

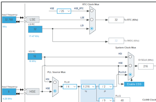
And I set the RCC and clock configuration as follows:

chulhoolimnnftech_0-1725624659671.png

chulhoolimnnftech_1-1725624706388.png

And I checked the program download and operation through stlink.

But when I downloaded again via stlink, my cubeIDE did not recognize stlink.(It does not mean that the nucleo board is not recognized.)

I disconnected the 8MHz oscillator again, and cubeIDE recognized the nucleo board via stlink.

Why is stlink not recognized when I operate the 8MHz oscillator?

Does the HSE frequency affect the SWD frequency? Help me!!!

 

 

TDK
Super User

The issue is not related to the oscillator. It doesn't need an oscillator to connect.

How confident are we that those connections are solid and correct? Hard for me to see on the board where the wires are attached.

If you feel a post has answered your question, please click "Accept as Solution".

I checked again all modified point on the Nucleo board. 

I proceeded according to the manual(um1974-stm32).

------------------------------------------

- HSE on-board oscillator from X3 crystal (not provided): for typical frequencies and
its capacitors and resistors, refer to the STM32 microcontroller datasheet and to the
Oscillator design guide for STM8S, STM8A and STM32 microcontrollers Application
note (AN2867) for the oscillator design guide. The X3 crystal has the following
characteristics: 8 MHz, 8 pF, 20 ppm. It is recommended to use NX3225GD-8.000MEXS00A-
CG04874 manufactured by NIHON DEMPA KOGYO CO., LTD. The
configuration must be:
– SB148 and SB163 OFF
– SB8 and SB9 ON
– C37 and C38 soldered with 4.3 pF capacitors
– SB112 and SB149 OFF

------------------------------------------

I downloaded the code to run HSE via stlink with the 8M oscillator not running. And when I tried to download again, cubeIDE did not recognize the stlink.

See if you can connect with standalone STM32CubeProgrammer. Try holding BOOT0 high during reset.

If you feel a post has answered your question, please click "Accept as Solution".

Ok, but what's actually wired up here? Describe, don't just post pictures.

Common Ground between board pieces?

Tips, Buy me a coffee, or three.. PayPal Venmo
Up vote any posts that you find helpful, it shows what's working..
Pavel A.
Super User

Do yourself a favor, get a new ST-LINK V3 MINIE

 

I cut the STlink board from Nucleo-F722ZE board.

I connected the cut STLINK board to the nucleo board and SWD.

To connect swd, I connected 2 (JTCK), 3 (GND), and 4 (JTMS) of the SWD connector to 13(PA13), 15(PA14), and 19(GND) of the CN11 connector of the nucleo board.

SWD con. 2(JTCK)   -   CN11 con. 15(PA14, TCK)

SWD con. 3(GND)   -  CN11 con. 19(GND)  <--- Common Ground between boards.

SWD con. 4(JTMS)  - CN11 con. 13(PA13, TMS)

The power source for the nucleo board was 5V input from the outside using 6 (E5V) and 8 (GND) of CN11.

And the cut stlink board was connected to the PC via USB.

chulhoolimnnftech_1-1725847670794.png

 

And for the "HSE on-board oscillator from X3 crystal(not provided)" that is not provided,

I processed it as follows.

X3 soldered with 8MHz crystal.

SB8 and SB9 ON.

C37 and C38 soldered with 18pF cap.

SB148, 149, 163 OFF.

SB112 was not processed separately as it was on the stlink board.chulhoolimnnftech_2-1725847933580.png

chulhoolimnnftech_4-1725849230750.png

 

 

 

I've confirmed that stlink with this connection works fine on other PCs.
I don't know
But it's working fine now.

After not recognizing stlink after the first program, I tried setting it to "HSE not used". Then I changed the setting to “HSE on-board oscillator from X3” again.
Now stlink is recognized well.

I guess I did something wrong.

Thank you to everyone who helped.