cancel
Showing results for 
Search instead for 
Did you mean: 

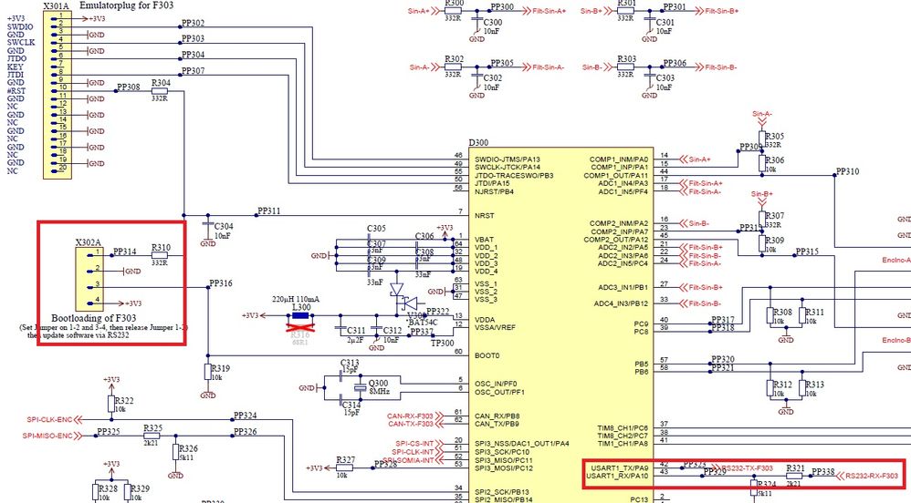
For uploading SW with seiral cable(USART) and STMFlashLoader

CLee.2
Associate

I developed with uvison5 and STM32F303/030

The software was uploaded well with uvison5 and ULink2.

But I failed for uploading with serial cable and STMFlashLoader.

(my colleague in Germany succeeded it with the manual)

But I can’t and I don’t know why.

0690X00000DCA94QAH.jpg

This discussion is locked. Please start a new topic to ask your question.
0 REPLIES 0