cancel
Showing results for 
Search instead for 
Did you mean: 

ST25R95: Resistance value on receiving path

luigiantuono
Associate II

I am designing a custom board using your ST25R95 chip. To design the matching network given the antenna parameters, which I show in the following picture:

luigiantuono_0-1725521936705.png

 

The tool you recommend (ST25R95_EMI_FILTER_CALCULATION) for the matching network returns me negative capacitance values. To overcome this problem I chose to reduce the value of the resistors on the receiving path. This is something I have not seen done in any other example so I was wondering if it is permissible to do this (changing RRx from 330 Ohm to 1 Ohm). I attach the screenshot of the output of the matching tool:

luigiantuono_1-1725521969589.png

Thanks for your attention,

Luigi 

6 REPLIES 6
Brian TIDAL
ST Employee

Hi Luigi,

I've discussed with our RF experts. From mathematical point of view, adding a 1Ohm serial resistance would work but this is not realistic. They rather suggest to remove 1 or 2 turns to reduce the inductance under 2µH vs 3.7µH currently (which is too high according to their expertise).  Having an inductance value under 2µH will give more freedom to adjust the Rx pin voltage under the 9V limit.

Rgds

BT

 

In order to give better visibility on the answered topics, please click on Accept as Solution on the reply which solved your issue or answered your question.

Hi Brian thanks for your kind answer. I am not able to reduce the inductance of the reader antenna but I have another antenna I can use in order to read the NFC tag we are currently using.

As in the previous question I am going to share with you the characteristics of this antenna:

luigiantuono_0-1725872558548.png

this is the same antenna we are using for the tag so the two antennas (the reader's one and the tag's one) have a perfect geometric coupling. Unfortunately, because of the plastic between the two antennas, the reader struggles a bit reading the tag and can only do so in some specific relative orientations between the two antennas.

Basically what I am asking to you is if a can maximize the voltage at the receiving pin.

This is the matching network suggested by your excel tool:

luigiantuono_1-1725872832168.png

First of the solution I found out is related to the placement of a ferrite bead sheet between the PCB and the printed antenna.

Other than this I would also like to connect the Rrx to the antenna pin (between the matching circuit and the antenna pads) in this way I should be able to maximize the voltage at the RX pins of the IC. I know that this can be an issue for the mismatching between the Qtarget and the actual Q. Do you have any guidelines on how to proceed in case I would like to adopt solution #2?

Thanks for your time,

Luigi

Hi Luigi,

have you followed the various steps described in chapter 5 of AN5248 in particular §5.1 step 3? Also §5.2 provides useful information.

Can you share your smith chart so that it can be reviewed by our RF experts?

Also, have you tried different kind of tag just for comparison? (e.g. credit card sized tags)

Rgds

BT

In order to give better visibility on the answered topics, please click on Accept as Solution on the reply which solved your issue or answered your question.

Hi Brian,

sorry to come back after all the time. Anyway I had the chance to get a NanoVNA so I was able to perform antenna measument (.s1p) that I am going to attach to this message.

I found out that the antenna real values are:

Rant = 8.09 Ohm, Lant = 2.65 uH

I imported into Excel sheet that gave me back this circuit:

luigiantuono_1-1727797613246.png

So I imported into RFSim99 to simulate it in the 13MHz to 14 MHz

luigiantuono_2-1727798287690.png

Still, I am quite confused cause I got this as output:

luigiantuono_4-1727798382761.png

Can you help me understand what is going on here?

Thanks for your time,

Luigi Antuono

 

 

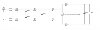
Hello again Brian,

looking into the various AN available I found that this is the circuit I should have simulated (to account for the feedback network):

luigiantuono_0-1727863704956.png

ant this is what came out:

luigiantuono_1-1727863730490.png

but still I have some issues with the antenna parameters (Rant semms to be too high wrt the values obtained by the simulation). I will perform other measurements using the VNA (changing the setup maybe). Even though I am quite sure of what I am doing cause I am moving the calibration pkane as close as possible to the antenna.

Do you have any guess on what can be wrong with my approach?

Thanks for your time,

Luigi

Hello Luigi,

 

I assume your latest screenshot is similar as Figure 10 of AN5248 Rev 1.

Only the frequency span is not as big as in the application note.

What you are plotting in RFSim99, is it based on simulation or is it based on antenna measurement s1p?

Can you directly compare simulation and measurement?

 

many Thanks Travis