cancel
Showing results for 
Search instead for 
Did you mean: 

STM32G4A1VET6 schematic review

Deepu
Associate II

Hello,   

            My name is G. Sai Deepak. In our railway project, we are using the STM32G4A1VET6 microcontroller. This is how we have designed and connected the microcontroller in the schematic. I kindly request you to review the schematic and let me know if any changes are required

 

Thanking You,

G.SAI DEEPAK

Deepu_0-1754652368628.pngDeepu_1-1754652381769.pngDeepu_2-1754652389605.pngDeepu_3-1754652398211.pngDeepu_4-1754652404116.png

Deepu_0-1754654293434.png

 

 

13 REPLIES 13
TDK
Super User

Looks okay to me at a high level except that I don't see a programming header. Presumably that's somewhere.

If you feel a post has answered your question, please click "Accept as Solution".
Deepu
Associate II

Deepu_0-1755004755990.png

 


Hi, This is the programming header we have used for our project which is a J-Link Debug Connector, Once check it and review it from your side

 

Deepu
Associate II

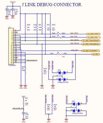
Deepu_0-1756728667866.png



Hi, This is our programming header Could you please review it and give your feedback.

Thank you

TDK
Super User

Two things:

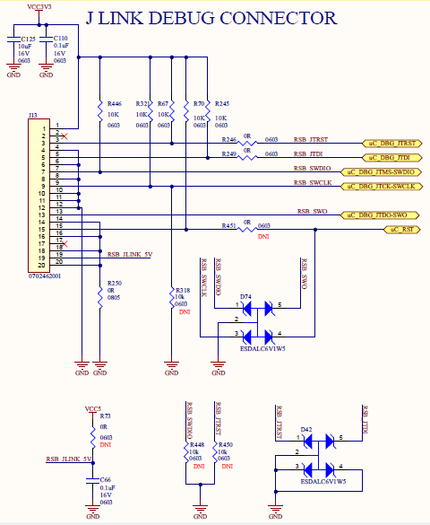
Here's your image blown up. It is painful to read due to being nearly illegible. A PDF would be better, or a high resolution image.

TDK_0-1756729249390.png

 

I don't use JTAG so would rather not weigh in here. The programmer manual should detail what connections are needed.

*ST-LINK/V2 in-circuit debugger/programmer for STM8 and STM32 - User manual

If you feel a post has answered your question, please click "Accept as Solution".
Deepu
Associate II

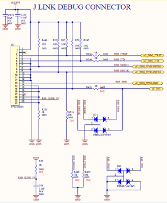
Deepu_0-1756785461995.png

Hi, Thanks for the response. I hope now you get clarity on the Programming header image used in our schematics so, Please Review it and provide feedback

 

Deepu
Associate II

Deepu_0-1756788748059.png

 

We are using SWD for STM32H743BIT6

 

Deepu
Associate II

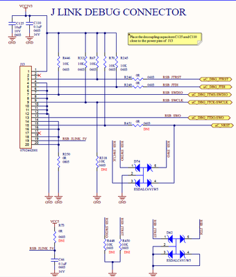
Deepu_2-1756983100199.png

 

 

Hi, Thanks for the response. I hope now you get clarity on the Programming header image used in our schematics so, Please Review it and provide feedback

TDK
Super User

Looks roughly okay, though a lot of those pins are not needed for SWD. Does it match the pinout in the programmer user manual?

If you feel a post has answered your question, please click "Accept as Solution".
Deepu
Associate II

 

Hi, Thanks for your response Yes, it's Matching and we are following the Pin out from the below mentioned Link and I have mentioned the pic of the section that we are following 


                                                                          Thanking you,

J-Link Interface Description

 

Deepu_2-1757069121507.png