cancel
Showing results for 
Search instead for 
Did you mean: 

How to find STM32 board schematics

mƎALLEm
ST Employee

Introduction

Many STM32 users start their development based on one of ST boards either to evaluate the STM32 MCU or to get the proof of concept of their application. One of the first steps to do in the evaluation process is to look at the board schematics. This lets you check the power supply, the I/O ports numbers, the exposed I/Os of a given peripheral etc. 

In general ST boards are defined as an evaluation, discovery, or Nucleo board. There are different ways to find the schematics needed. We briefly cover how to find them through st.com or through STM32CubeMX. Additionally, we cover how to find the specific schematics based on the revision of your board.

Generally, any evaluation board name ends with -EVAL. Most of the discovery boards name end with DISC, DISCO, DK, or discovery and all Nucleo boards start with NUCLEO-.

1. Using the product page on st.com 

You can always find the schematics in the [CAD Resources] tab on the product page for the microcontroller. Click here to view an example for the 32F723EDISCOVERY. 

These are the steps to find a schematics for the board above:

1.  Go to the product page. 

2.  Open the [CAD Resources] tab:

SofLit_0-1733493248349.png

3. Find the [Schematic Pack] section in the bottom of the page.

4. Select the schematics that corresponds to your board revision schematics.

Refer to section 3. How to get the board revision for more information. 

SofLit_1-1733493376115.png

2. Using STM32CubeMX to find ST board schematics

In this section, we describe how to find the schematics using STM32CubeMX. This can be beneficial if you are already using the tool. We provide two board examples: NUCLEO-F401RE and STM32F4DISCOVERY.

If STM32CubeMX is not installed, you can download it from this link and install it.

2.1 Finding NUCLEO-F401RE schematics in STM32CubeMX

Go to the [Board Selector] tab:

SofLit_0-1732621992709.png

If you know the exact name of the board, for example, in this case: NUCLEO-F401RE, type the name in the [Commercial Part Number] field.


If not in the case of a Nucleo board, simply type a part of the MCU part number. Example in this case: 401 (for STM32F401 microcontroller that features the board).

SofLit_1-1732622009268.png

As shown, two options are provided by the list where the NUCLEO-F401RE board should be selected.

Select it by clicking on it. The board appears at the bottom right of the window as shown in the figure below.

SofLit_2-1732622028749.png

Click on it once. Go to [Docs & Resources] and click on that tab:

SofLit_3-1732622043109.png

Go to [Schematics Pack] and click on that link. The list expands and shows three schematic files.

SofLit_0-1732626582726.png

Each schematic is related to a specific board revision. To know how to find your board revision, refer to section 2. When you identify your boards revision of your board is, click on the corresponding PDF file. The schematics are opened.

2.2 Finding STM32F4DISCOVERY schematics in STM32CubeMX

Go to the [Board Selector] tab.

SofLit_4-1732622092300.png

For discovery boards, it is a different approach as the name of the board could not contain the part number of the MCU.Type F4 in the [Commercial Part number] to find the STM32F4DISCOVERY.

As shown in the picture below, there are many options which are provided by the list where STM32F407-DISC1, which is the board we want, is shown:

SofLit_5-1732622104608.png

The board is shown at the bottom right of the window, as seen in the following figure:

SofLit_6-1732622118242.png

Select the board by clicking on it.

In the top right of the tool, click on the [Docs & Resources] tab and go to the [Schematics Pack] link.

SofLit_7-1732622132228.png

Click the [Schematics Pack] link to show the list. As shown, there are 4 schematics in the list:

SofLit_8-1732622142331.png

Click on the schematics that match the revision of your board. To know how to find your board revision, refer to section 3. When you find what the revision of your board is, click on the corresponding PDF file to open the schematics.

3. How to get the board revision

Most ST boards have many revisions that are intended to fix or modify something on the board. Therefore, it is necessary to check the board revision to select the correct schematics.

Let us narrow it down to two examples: STM32F4DISCOVERY and NUCLEO-F401RE.

3.1 STM32F4DISCOVERY

STM32F4DISCOVERY.png

The related schematics of the board above with the rev D-01 must have the same revision indicated in schematics title as shown in the figure below:

schematics1.png

See section 4. Where to find the schematics from the .pdf file below for more information.

3.2 NUCLEO-F401RE

Nucleo-rev.jpg

 

These schematics are related to NUCLEO-F401RE with revision C04. They are not related to the board shown above with the revision C01

Nucleo_schematics1.png

In that case, you need to find a schematic which has that revision. See section 4. Where to find the schematics information from the .pdf file below.

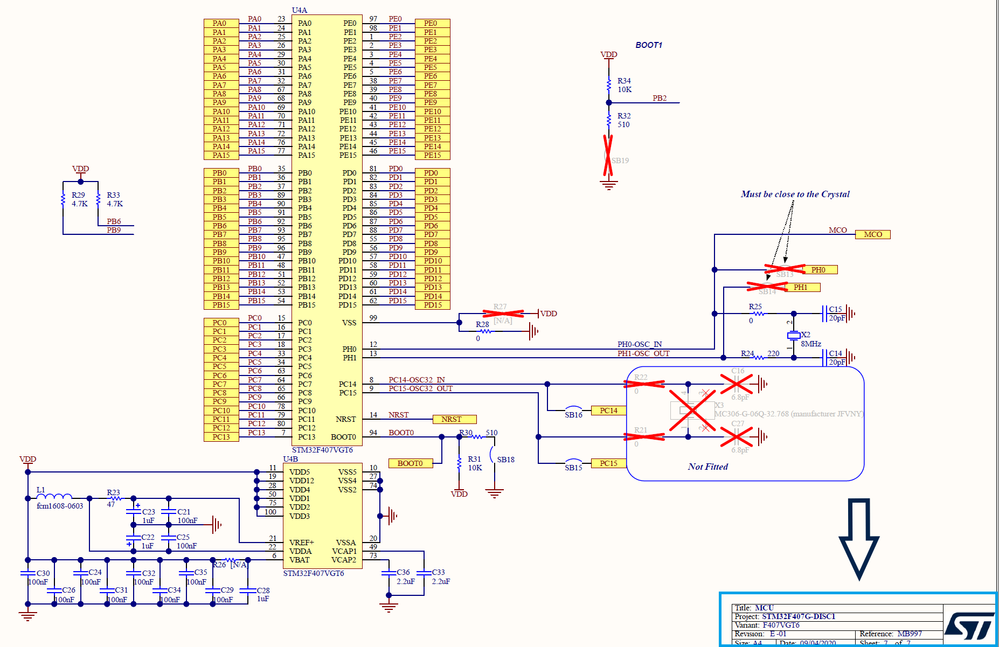
4. Where to find the schematics information from the .pdf file

The schematics information is shown in the title in the bottom corner of the .pdf file. See the figure below as an example. 

schematics_title.png

Version history
Last update:
‎2025-11-26 7:07 AM
Updated by:
Contributors