cancel
Showing results for 
Search instead for 
Did you mean: 

multiple power supplies

Anitha
Associate III

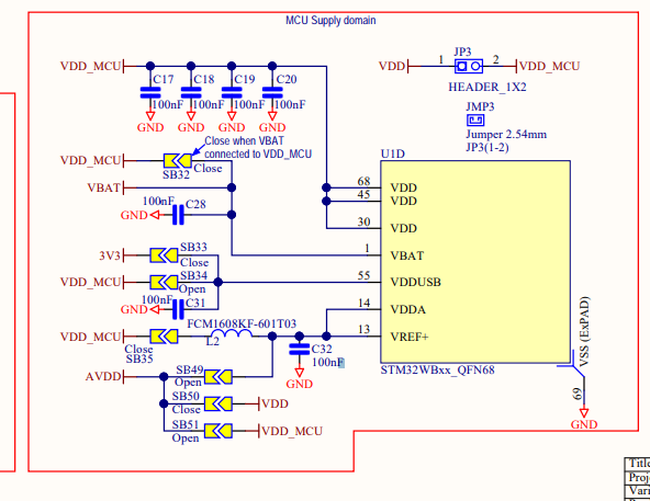
0690X000009Yu5kQAC.pngHi Sir/Madam

In MB1355 MCU supply domain schematics(above one) I didn't understand supply connections. If only 3V3 supply given which connections are not required in the schematics?

This discussion is locked. Please start a new topic to ask your question.
9 REPLIES 9
Remi QUINTIN
ST Employee

​Hi Anitha

This MB1355 board is a NUCLEO board offering a lot of possibilities regarding power supply.

So you just have to make a choice for each supply connection but all supply connections are required.

Please have a look at the schematic below. It is a example of a simple way to power supply the STM32WB.

Thank you for quick response. But not attached the schematic ???

Remi QUINTIN
ST Employee

Sorry. ​I thought I had. Here it is.0690X000009YvC8QAK.jpg

VDDUSB also 3V3????

Remi QUINTIN
ST Employee

​No of course . It is 5V.

In that case we have to give two different power supplies to STM32WB. 3V3 for all VDD's and VBAT's and 5V for VDDUSB?????

Remi QUINTIN
ST Employee

​Sorry for the confusion. In fact the VDDUSB signal is only supplying the power to the USB IP. So VDDUSB is indeed set to 3.3V.

Then depending on the role of your USB port on your board, device or host role:

1) Device role: In that case the USB connector of the host provides the proper 5V voltage to the USB connector of the device through the VBUS pin => No need to add a 5V power supply on your board if the USB port is only having a device role.

2) Host role: In that case , you need to have a 5V power supply to provide the proper voltage to the USB device.

On the NUCLEO board the USB is an OTG one,  so both roles can be supported. This is why a 5V signal coming from the ST-Link is available (please have a look at the schematic below).

sorry to say again. File is not attached

Remi QUINTIN
ST Employee

Sorry. The copy paste is not working fine. I need to upload the picture each time. Here it is.

0690X000009YvdnQAC.jpg