cancel
Showing results for 
Search instead for 
Did you mean: 

NUCLEO-U083RC

ATret.3
Associate III

The controller on the board is erased via STM32CubeProgrammer.
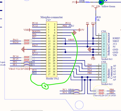
At the same time, the multimeter shows 1V on pin PC3 CN7:37 relative to GND CN7:8. How can this be?

ATret3_0-1764192124162.png

 

1 ACCEPTED SOLUTION

Accepted Solutions
TDK
Super User

The schematic is available in the CAD Resources tab.

https://www.st.com/resource/en/schematic_pack/mb1932-u083rc-b01-schematic.pdf

TDK_0-1764191807886.png

 

If you feel a post has answered your question, please click "Accept as Solution".

View solution in original post

3 REPLIES 3
TDK
Super User

The schematic is available in the CAD Resources tab.

https://www.st.com/resource/en/schematic_pack/mb1932-u083rc-b01-schematic.pdf

TDK_0-1764191807886.png

 

If you feel a post has answered your question, please click "Accept as Solution".
TDK
Super User

Please don't completely change your question after posting. If you have a new question, create another thread. You can also reply to add more information.

If you feel a post has answered your question, please click "Accept as Solution".
ATret.3
Associate III

Could you delete my question? I couldn't delete it myself.