cancel
Showing results for 
Search instead for 
Did you mean: 

How do I fixed it? "init mode failed"

YKang.9
Associate

Dear, you

About 6 month ago, I join class for ARM core.

It very interesting for me.

So I made customized PCB with STM32F429ZI Core.

Before when I made customized PCB, I study for nucleo board.

I testing my made PCB Board, I look problems.

The test environment is below:

Computer : windows10 Home x64

Program : System Workbench for STM32

Debugger : ST link V2

Error MSG

Info : Listening on port 666 for tcl connections

Info : Listening on port 444 for telnet connections

Info : clock speed 8000 kHz

Info : STLINK v2 JTAG v34 API v2 SWIM v7 VID 0x0483 PID 0x3748

Info : using stlink api v2

Info : Target voltage : 3.206299

Error : init mode failed (unable to connect to the target)

in procedure 'init'

in procedure 'ocd_bouncer'

I generated code, used CubeMX.

Debugger used JTAG port(20pin).

I already tried STM32 ST-LINK Utiltiy, but situation is same(ST-Link V2 Firmware update included).

I don't konw why this happend, and It make me crazy.

Anyone help me please.

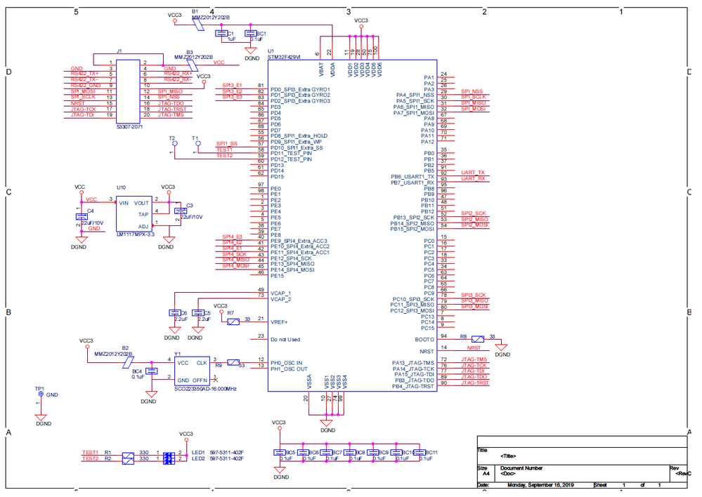
If anyone want to see a schematics, I'll upload.

Thank you.

This discussion is locked. Please start a new topic to ask your question.
2 REPLIES 2

Check voltage present on NRST and VCAP pins

Tips, Buy me a coffee, or three.. PayPal Venmo
Up vote any posts that you find helpful, it shows what's working..

0690X000009jHLRQA2.png

Here my schematic capture files atttached.

NRST Pin check oscilloscope

Power on : NRST near 0 voltage

System Workbench for STM32 program debug image click : NRST near 3.3 voltage

You'll see about a VCAP.

In my schematic, VCAP1, VCAP2 is conneected GND.

Thank you.