cancel
Showing results for 
Search instead for 
Did you mean: 

CR95HF Library Problem

yldzmuhammed
Associate III

Hello everyone. Is there any offical and stable library for CR95HF?

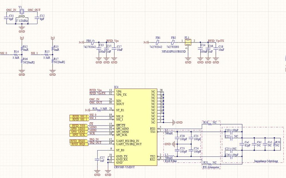
I haved tried to use X-NUCLEO-NFC03A1 package but no success. Below my schematic and i think it same as X-NUCLEO-NFC03A1.

I can not get it work. Cant read dev id.Cant get work init function. What should i do? I attached my project files.

0690X00000AQfTzQAL.jpg

This discussion is locked. Please start a new topic to ask your question.
1 ACCEPTED SOLUTION

Accepted Solutions
Brian TIDAL
ST Employee

Hi,

X-CUBE-NFC3 v2.0.0 is the lastest software package supporting the X-NUCLEO-NFC03A1 expansion board. It has been tested on various Nucleo boards ( NUCLEO-L476RG, NUCLEO-F401RE or NUCLEO-F103RB).

I had a quick look on your schematics. One difference with the X-NUCLEO-NFC03A1: SSI_1 is connected to PJ15 vs. SSI_1 connected to GND on X-NUCLEO-NFC03A1 (but this should not be an issue).

In order to investigate more:

  • can you probe the SPI (MOSI/MISO/CLK/SS), IRQ_IN, IRQ_OUT , SSI_0 and SSI_1 during the init sequence?
  • can you try to connect an X-NUCLEO-NFC03A1 to your STM32F7 and check the system runs properly
  • can you try to put an ammeter on VPS and VPS_Tx to check whether the device is alive

Rgds

BT

In order to give better visibility on the answered topics, please click on Accept as Solution on the reply which solved your issue or answered your question.

View solution in original post

2 REPLIES 2
Brian TIDAL
ST Employee

Hi,

X-CUBE-NFC3 v2.0.0 is the lastest software package supporting the X-NUCLEO-NFC03A1 expansion board. It has been tested on various Nucleo boards ( NUCLEO-L476RG, NUCLEO-F401RE or NUCLEO-F103RB).

I had a quick look on your schematics. One difference with the X-NUCLEO-NFC03A1: SSI_1 is connected to PJ15 vs. SSI_1 connected to GND on X-NUCLEO-NFC03A1 (but this should not be an issue).

In order to investigate more:

  • can you probe the SPI (MOSI/MISO/CLK/SS), IRQ_IN, IRQ_OUT , SSI_0 and SSI_1 during the init sequence?
  • can you try to connect an X-NUCLEO-NFC03A1 to your STM32F7 and check the system runs properly
  • can you try to put an ammeter on VPS and VPS_Tx to check whether the device is alive

Rgds

BT

In order to give better visibility on the answered topics, please click on Accept as Solution on the reply which solved your issue or answered your question.
yldzmuhammed
Associate III

@Brian TIDAL_O​ i solved problem. But the problem wasn't any of them. Everything was fine but soldering. I resolder the ic (CR95HF) and pushed it a little, problem solved.