cancel
Showing results for 
Search instead for 
Did you mean: 

STEVAL-KITXCB SD pin question

Kuzma30
Associate II

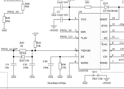
In STEVAL-KITXCB for controlling SD/OD pin of L6491 using such method. PWM_en connected to MCU pin.
Без імені.png

 I want use same principle in my design. Can anybody describe how program this.
Is such hw connection support both function for enable PWM and for controll error state of driver? (I need both)

 

1 ACCEPTED SOLUTION

Accepted Solutions
Peter BENSCH
ST Employee

Something like that.

In principle, the status of the OD pin could also be used as feedback to the microcontroller. Typically, the integrated comparator continuously measures the low-side shunt of the half-bridge via the CP+ and CP- pins, deactivates the half-bridge in the event of overcurrent and activates the OD pin (see data sheet, fig. 6 and corresponding description in section 7).

If the PWM is not applied to the L6491 with a push-pull output, but with an open drain output, this would form a wired OR with the OD of the L6491. Theoretically, it would then be possible to check during each high cycle of the PWM whether the high was output or pulled low by the OD of the L6491, which corresponds to an error case.

Regards
/Peter

 

In order to give better visibility on the answered topics, please click on Accept as Solution on the reply which solved your issue or answered your question.

View solution in original post

7 REPLIES 7
Peter BENSCH
ST Employee

You have probably misunderstood the function of the pin SD/OD. Section 7 of the data sheet of the L6491 describes this in more detail. It is not a matter of reporting a status back to the microcontroller, but rather that OD keeps the SD input deactivated. PWM_en/SD in the schematic above therefore only functions as an input.

Excerpt from the data sheet::

In the smart shutdown circuitry, the fault signal has a preferential path which directly switches off the outputs after the comparator triggering. At the same time, the internal logic turns on the open-drain output and holds it on until the SD voltage goes below the smart SD unlatch threshold VSSD.
When such threshold is reached, the open-drain output is turned off, allowing the external pull-up to recharge the capacitor.

Hope that answers your question?

Regards
/Peter

In order to give better visibility on the answered topics, please click on Accept as Solution on the reply which solved your issue or answered your question.
Kuzma30
Associate II

When choosing a IC

 

, I read about the 2EDL23x06PJ (Infineon), which did not fit the current parameters. On the block diagram, this pin is similar to the L6491, and in the documentation it is described as "SD pin is Shutdown logic input (active low)/open-drain comparator output (page 3)"
On figure shown description for 2EDL23x06PJ.
Без імені2.png
So in L6491 I can use SD pin only for enable/disable chip?  
Then question - how to inform MCU about fault state?

 

Peter BENSCH
ST Employee

Well, both devices are similar, but not identical – the 2EDL23x06PJ has a slightly different internal structure. Take a look at the function block diagram on page 3 of its data sheet: there you will find an OR gate that is not only connected to the comparator output, but also to the block UV detect (undervoltage).

The L6491 also has UV detection, but for the high side, and it acts directly on the shutdown of the high side block. Depending on the application, this can be more advantageous because the signal of an under-voltage event does not first have to be processed by the microcontroller and then trigger an action, but has an immediate effect.

However, there is no status in the L6491 that you could report via the OD pin. If the UV detection were to become active, this would immediately affect the controlled half-bridge, from whose status the microcontroller can draw its conclusions.

Regards
/Peter

In order to give better visibility on the answered topics, please click on Accept as Solution on the reply which solved your issue or answered your question.
Kuzma30
Associate II

So correct scenario for control L6491 (as I understand)
1. External pull up resistor + cap for IC enable.
2. SD pin connected to MCU input pin for error state checking. When pin in LO state we know that we have error.
3. To disable IC I disable PWM.
Is it correct?

Peter BENSCH
ST Employee

Something like that.

In principle, the status of the OD pin could also be used as feedback to the microcontroller. Typically, the integrated comparator continuously measures the low-side shunt of the half-bridge via the CP+ and CP- pins, deactivates the half-bridge in the event of overcurrent and activates the OD pin (see data sheet, fig. 6 and corresponding description in section 7).

If the PWM is not applied to the L6491 with a push-pull output, but with an open drain output, this would form a wired OR with the OD of the L6491. Theoretically, it would then be possible to check during each high cycle of the PWM whether the high was output or pulled low by the OD of the L6491, which corresponds to an error case.

Regards
/Peter

 

In order to give better visibility on the answered topics, please click on Accept as Solution on the reply which solved your issue or answered your question.

I apply PWM signal to pins 1,3 (pin 1 and 3 wired).

In this case, too, my last statement may be possible if your PWM output is open drain.

Regards
/Peter

In order to give better visibility on the answered topics, please click on Accept as Solution on the reply which solved your issue or answered your question.