cancel
Showing results for 
Search instead for 
Did you mean: 

L6227Q / L6226Q use with PWM at control inputs

daniel_muenzer
Associate II

Hi everyone,

we're currently using the L6227Q as a driver for 2 DC motors. Everything seemed to work fine. We put on 3,3V on the VREF_x inputs. Enable the IC with EN_x to high and apply a PWM (100 kHz) at the IN1_x and IN2_x. With the PWM (depending on rotation direction: one PWM signal, the other is low) we can influence the speed of the motors, which works fine.

We want to use the shunt as an input for current measurement, so there is an op-amp with some filtering ending in ADC of the MCU.

The DC motors have huge filters, recommended by the motor supplier to extend life of the motors to a maximum.

We recnognized, the measured current has less to do with the applied PWM and the current measured after the filtering (current input into motor). With this I'm afraid, if the driver is used in the right way?

Is it ok, to apply a 100 kHz PWM to INy_x? Or should we use another driver IC like L6226Q (which I found in another thread here in the forum) without R_sense and use a inline current measurement method (hall sensing, etc.) in the motor line?

Thank you for your help!

If you need further information (SCH snippets, etc.), please let me know.

Best regards,

Daniel

8 REPLIES 8
Peter BENSCH
ST Employee

Welcome @daniel_muenzer, to the community!

Can you explain the ‘measured current has less to do with the applied PWM and the current measured after the filtering (current input into motor)’ in more detail?

  • What does the measured current look like and where is it measured?
  • What does the current after the filter look like?
  • How is the filter designed (schematics, values)?
  • Can you share an excerpt of the schematics containg the L6227Q and the motor?

The L6227Q is able to work up to 100kHz, so no issue here.

Regards
/Peter

In order to give better visibility on the answered topics, please click on Accept as Solution on the reply which solved your issue or answered your question.
daniel_muenzer
Associate II

Hi Peter,

of course I will share some more information...

To begin with the actuator: we use a brushed DC motor with the following inductivity: 1670 µH. The maximum power is 5W, we apply 45V on it.

Each line of the supply has a filter (left side is driver side, right side is to the motor):

Motor filter (each line)Motor filter (each line)

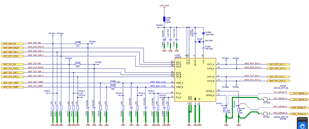
The driver is used for two identical motors. As described in my inital post, we start pulling the EN_x to high. The same we do with the VREF_x. The we apply e.g. a PWM with 100 kHz and a duty cycle of 30% to the IN1_x and a low signal to the IN2_x to move the motor forward.

Motor driverMotor driver

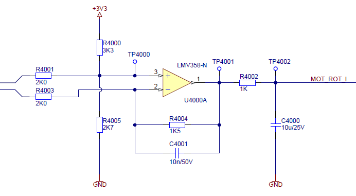
In our application we want to measure the current flowing through the motor to recognize any brake or blockage to turn it off by software. Therefore the following circuit is implemented and connected to the Kelvin connections on the shunts in the picture above. The function is: 1,5 volts per 1 ampere with an offset of 1,485 volts.

Current measurementCurrent measurement

 

We expected to measure a linear depency between current through the motor and the voltage on "MOT_ROT_I" (cleaned by offset).

During our investigation, we measured the following voltages:

Shunt voltageShunt voltage

Yellow is measured on TP1618 (i.e. SENSE_A pin), blue is TP4001, green is TP TP4002. The confusing signal is the one on the shunt: it shows a quite large peak of current flowing into the "wrong" direction. This picture was taken with duty cycle = 20%.

The next screenshot shows the current into the motor (after filtering, filter works really nice, no rise or fall of current) taken with a current clamp (red signal). The yellow signal is the shunt again, this time the duty cycle was 10%.

Shunt and motor current after filteringShunt and motor current after filtering

I can do some more measure any time, so please ask for it!

One additional information for you: we have the VREF_x pin connect to a DAC. But giving the driver any other value than the maximum voltage caused the motor not to rotate any more. I think, it has to do with the inner circuits of the L6227Q: as there is not the rising in current through the shunt as expected, the sense comparator seems not to work properly.

We also tried to fix INy_x to certain value for forward or reverse rotation and put the PWM signal on the EN_x. But the result was the same, the shunt measurement seems not to work properly.

 

Thank in advance for your help. Any hint is appreciated.

Today I found the L6226Q, which may suite our application better (measuring the current with a hall effect sensor after the filter).

Best regards,

Daniel

Peter BENSCH
ST Employee

I assume the motor filter is something like a CLL (Capacitor Long Life)?

However, CLL only makes sense if you control a DC motor directly with DC without PMW. If you control the motor
via PWM, CLL is not recommended as stated e.g. in this article by Maxxon.

Regards
/Peter

In order to give better visibility on the answered topics, please click on Accept as Solution on the reply which solved your issue or answered your question.
daniel_muenzer
Associate II

Hi Peter,

thank you for your answer.

I read the article about the CLL and I'm quite sure, this is not, what I have. We have a rise in inductance through the filter.

Do you know a linear motor driver from ST, I could use in my application?

 

Best regards,

Daniel

Peter BENSCH
ST Employee

Let's stay with PWM: what is the reason for its rather unusual frequency of 100kHz? Why don't you use e.g. 20kHz, which is also above the human hearing threshold? (of course, you might have to adjust the filter parameters to this frequency)

In order to give better visibility on the answered topics, please click on Accept as Solution on the reply which solved your issue or answered your question.
daniel_muenzer
Associate II

With the higher frequency we can use smaller inductors (we have only less space in our application).

So, the central question for me is:

- can I use a PWM at the inputs (INy_x or EN_x) of the L6227Q?

If you can help me here with an answer, this would be very helpful (I think about a different design...)

Peter BENSCH
ST Employee

I see no problem in principle with operating the L6227Q at 100kHz, but I am worried that the large filter capacitors will influence the PWM too much.

In order to give better visibility on the answered topics, please click on Accept as Solution on the reply which solved your issue or answered your question.
daniel_muenzer
Associate II

Hi Peter, 

thank you for your answer about the operating frequency.

I will use the L6226Q driver in the next design and a hall sensing IC for the current measurement.

Best regards,

Daniel